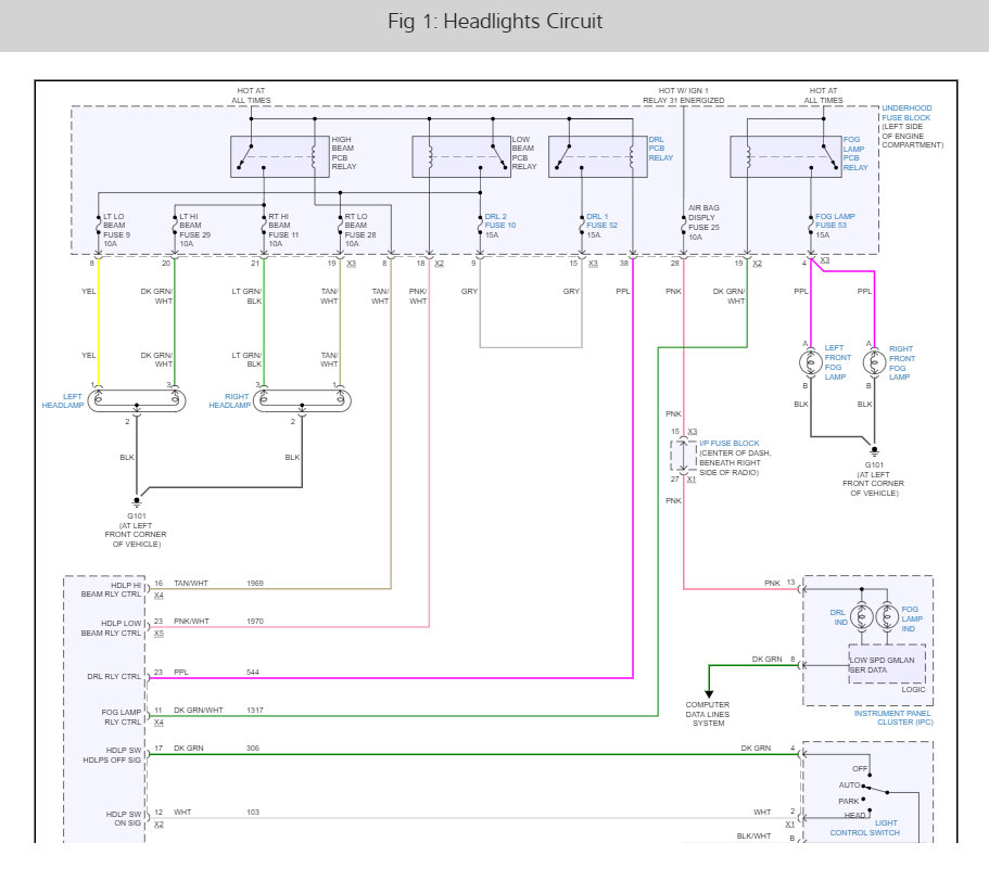
Thursday, May 20th, 2021 AT 11:04 AM
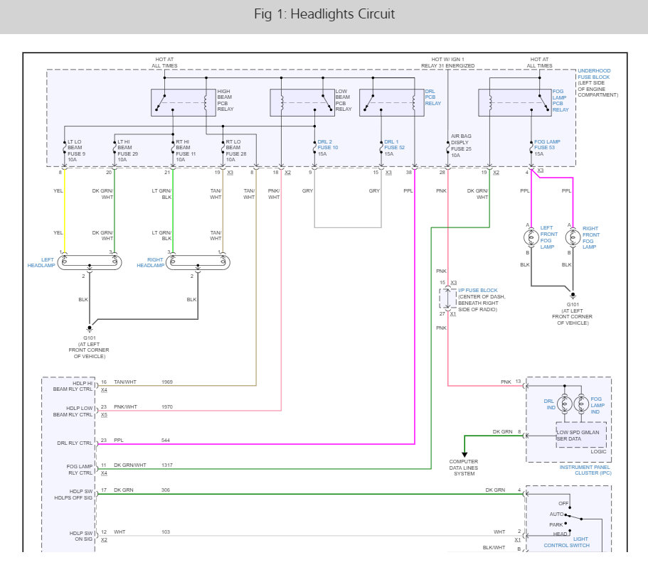
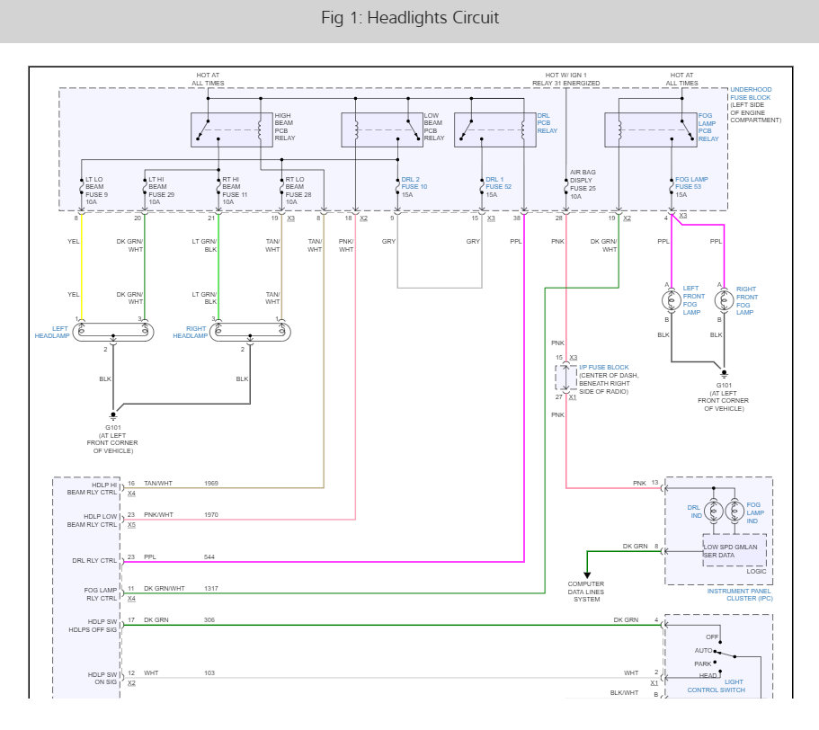
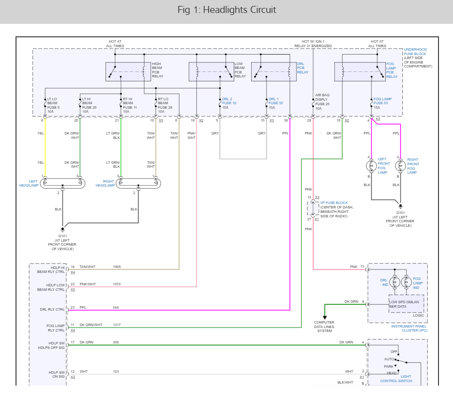
So me and my pop have been going at it for a few days trying to figure out this problem. When I first got the car it worked, but after a couple weeks it stop working. I then change the blub and it worked again for like 3 months. Now I'm just trying to figure out this problem. We checked connecter seems like I might be it but wanted a second opinion.












