Friday, March 15th, 2019 AT 8:50 PM
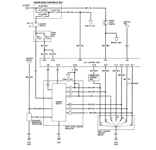
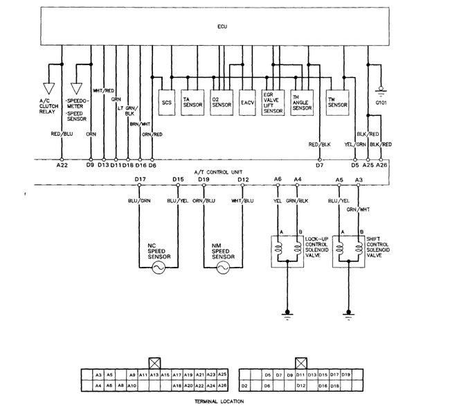
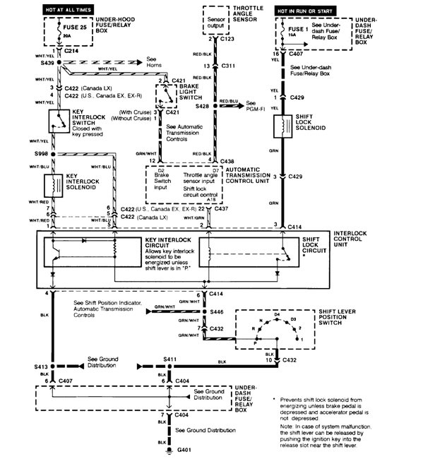
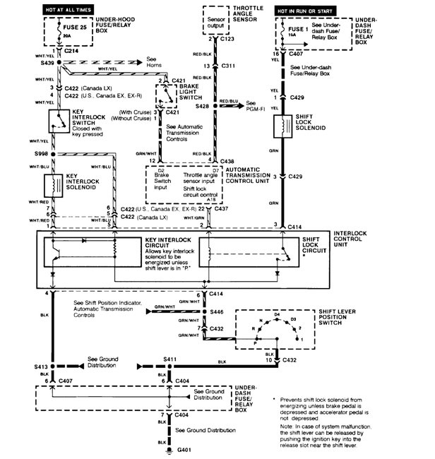
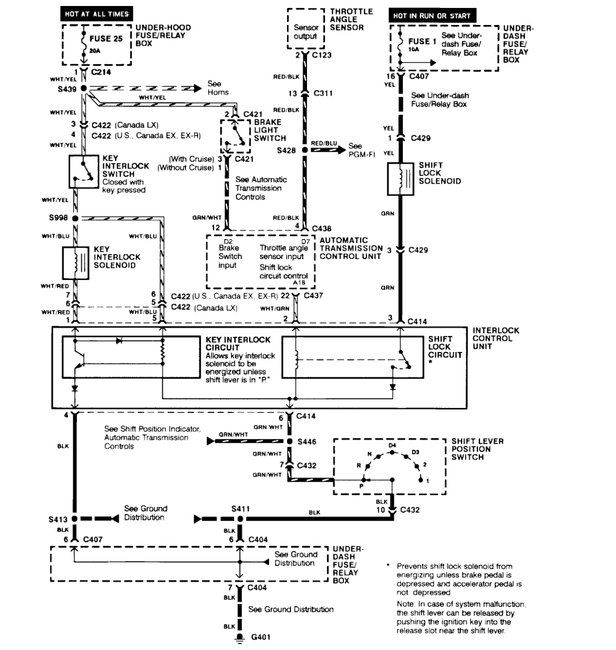
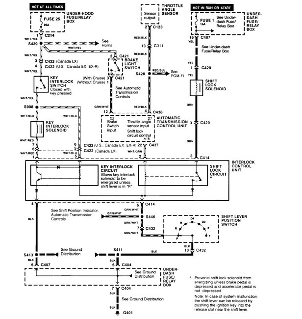
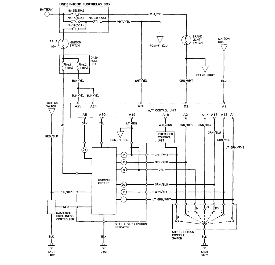
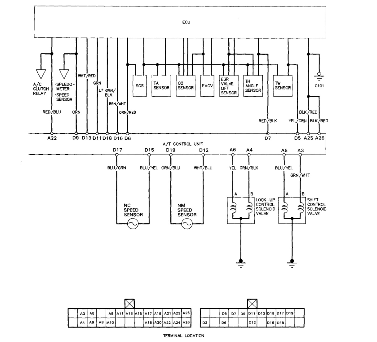
I got the car about a year ago and my D4 light as always stayed on but it was shifting gears before. I seen my TCU had a blown capacitor so I replaced it and my main relay but my transmission won't get out of second or third gear. Any tips to look would be fantastic! Also, there is a relay under my dash that keeps going off like a taser. I can't reach it to tell you what relay it is, but it isn't my main relay. It only happens when I start the car. Sometimes it will stop and others it will only happen in park.













