Wednesday, April 30th, 2014 AT 12:52 PM
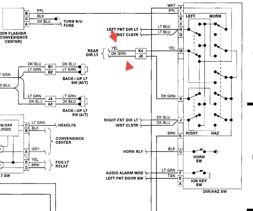
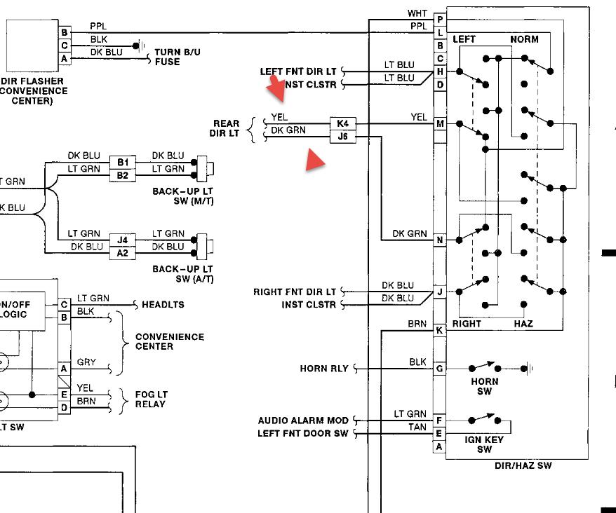
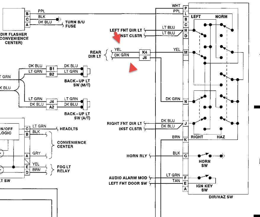
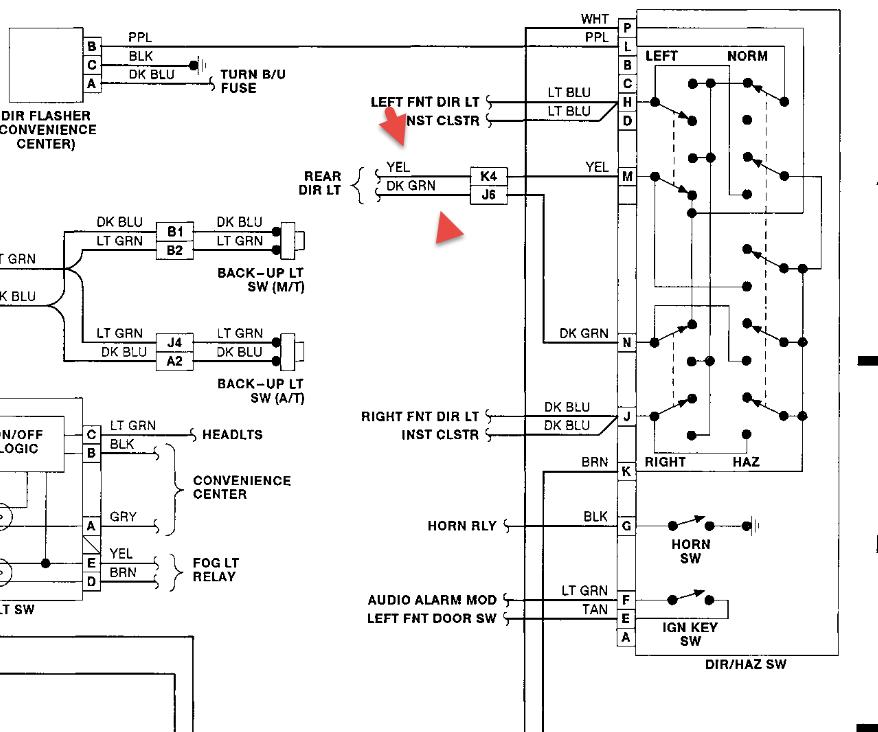
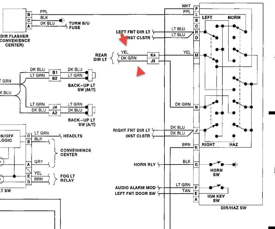
My break lights are not working properly. I bought this truck from a man and I wanted to have it as a daily driver and a project. The break lights have no power to the switch but they have power to the fuse. Also there are two white wires that connect to my break lights and they were put there by the previous owner of the guy who I bought the truck from and I really want to fix this. Also I believe they are supposed to be wired to my blinkers also and they arent wired through the turn signal switch anything helps.



