Thursday, July 30th, 2020 AT 10:06 AM
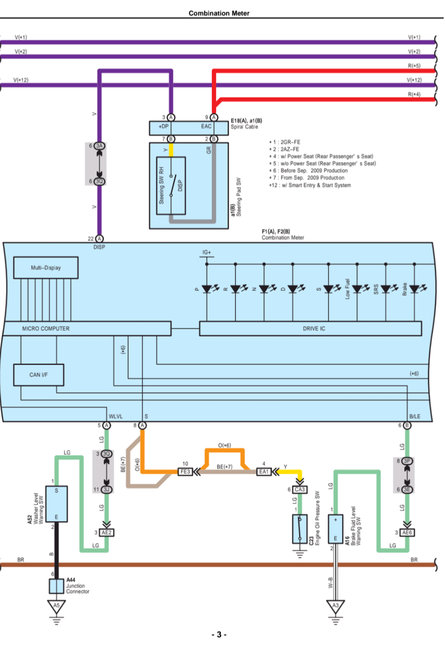
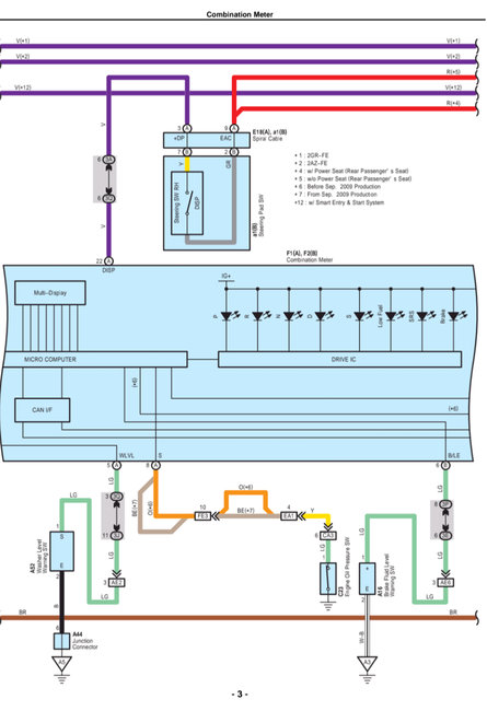
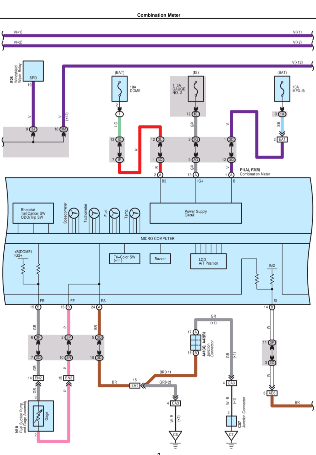
I discovered that when the car is on motion the brake light will be on and off. When the brake light is on the speedometer will stop working. However, when the brake light is off the speedometer will immediately pick up. I want to know the likely problem.




