Navigation screen will not come on?

2004 ACURA MDX
182,000 MILES • 4WD
Avatar
LADYK00
  • MEMBER
  • 1 POST
Navigation screen won't come on sometime radio change stations by itself.
Mar 17, 2023 at 1:42 AM
Repair Safety Notice: This information is for general instructional purposes only. Vehicle repair can be dangerous. Verify all information, follow manufacturer service procedures, use proper tools and safety equipment, and consult a qualified repair shop when needed.
Advertisement
Avatar
STRAILER
  • AUTOMOTIVE REPAIR CONTRIBUTOR
  • 54,186 POSTS
Yep, did this happen at the same time? If so, this can be the Navigation unit under the passenger seat or the spiral wire behind the steering wheel. I would check the Navigation unit to make sure the unit did not get wet and also check the connection of the electrical connector and check for corrosion. The spiral wire can cause this issue due to an intermittent bad connection which is common. Here is how to change the unit out and the location of the NAV module in the images below to help you check it out. Check out the images (below). Let us know what happens and please upload pictures or videos of the problem so we can see what's going on.



Mar 17, 2023 at 10:25 AM
Advertisement
Avatar
LADYK00
  • MEMBER
  • 1 POST
My Navi and radio have no power to them and I don't know how or what to do to fix it?
Mar 20, 2023 at 6:16 PM
Avatar
STRAILER
  • AUTOMOTIVE REPAIR CONTRIBUTOR
  • 54,186 POSTS
This will be one of two things, I would check the fuses, then the accessory power socket relay and then if they are good the spiral wire. I should have had you check these first. Sorry about that.

https://www.2carpros.com/articles/how-to-check-a-car-fuse

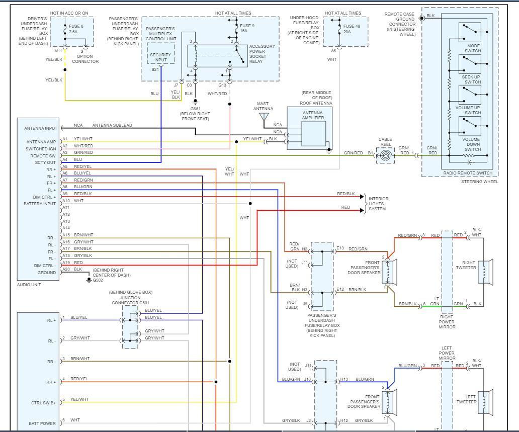
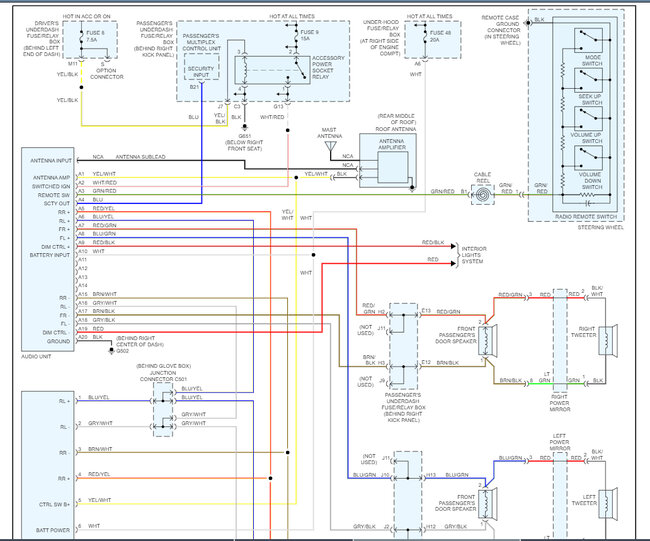
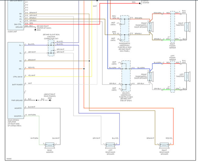
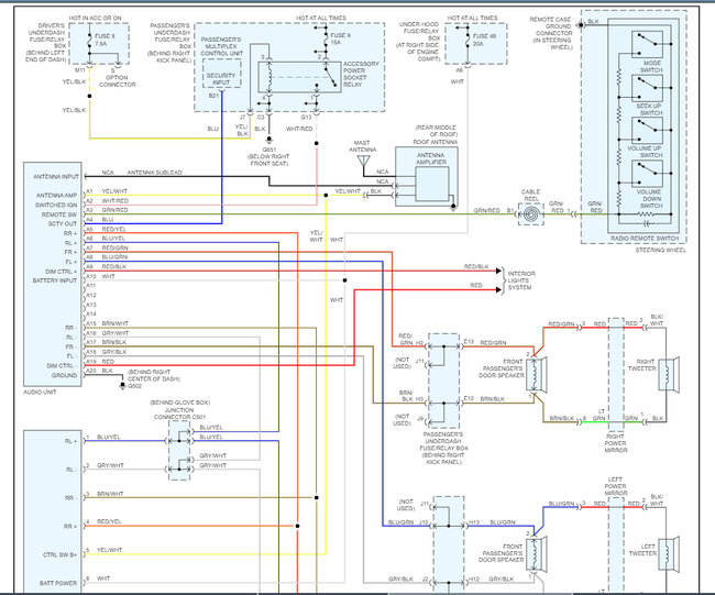
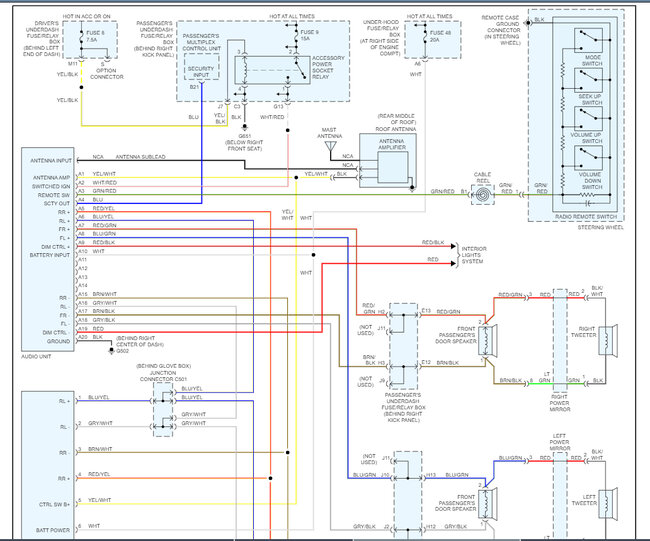
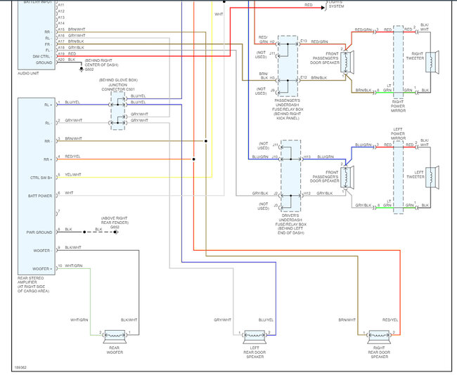
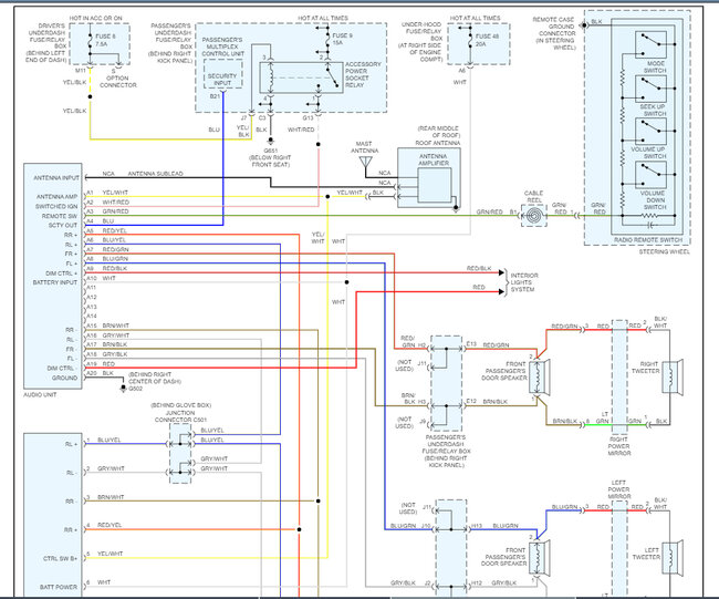
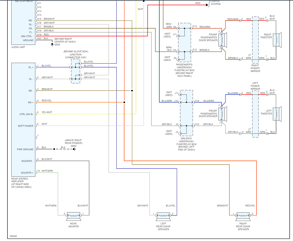
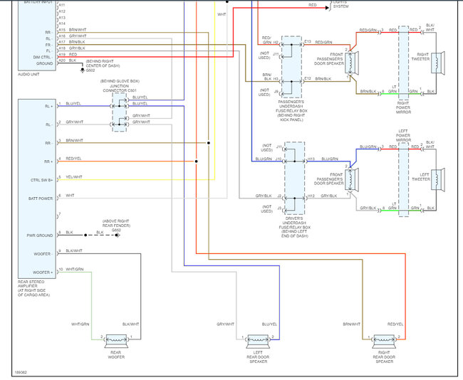
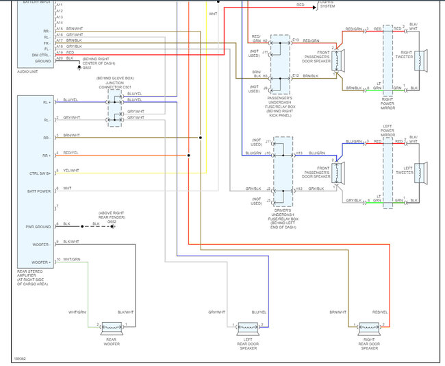
Here are the wiring diagrams so you can see which fuses to check and how the systems work. Here is the fuse location with the accessory power socket relay. You can check the relay by seeing if the cigarette lighter works. There is a chance the passengers multiplex unit is out FYI. Check out the images (below). Please let us know what happens.
Mar 21, 2023 at 12:03 PM