My ABS lights up and the other lights for the traction system?

Tiny
WAYNE TILLETT
  • MEMBER
  • 2012 FORD EXPLORER
  • 3.5L
  • 6 CYL
  • 4WD
  • AUTOMATIC
  • 50,000 MILES
I recently changed the rear ABS sensor cable. But now it is giving a code that there is a problem with the front right sensor cable. I personally did an inspection, and all is fine. What might be the problem?

Also, since I changed the Rear ABS, sensor cable the light from the traction control system still stays on. I need some ideas on what the problem may be.
Friday, October 13th, 2023 AT 9:07 PM

4 Replies

Tiny
JACOBANDNICKOLAS
  • MECHANIC
  • 110,194 POSTS
Hi Wayne,

The traction control light is on due to the ABS issue. I feel if we resolve the ABS issue, the traction light will turn off. Is it possible to get the new code that you are getting? It should point me in the right direction.

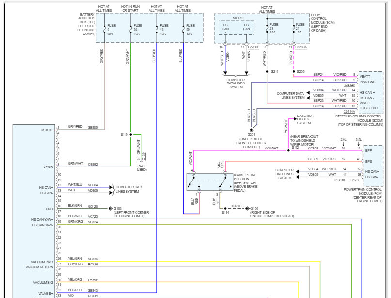
As far as the ABS system, I attached the wiring schematic for the ABS/Traction control circuits below so that you would have a reference. I need to know which section of the wiring was replaced and for which side.

Let me know.

Take care,

Joe

See pics below. Note: I had to cut the pic in half to make it readable. I did overlap the two so you can follow from one to the next.
Was this
answer
helpful?
Yes
No
Friday, October 13th, 2023 AT 9:59 PM
Tiny
WAYNE TILLETT
  • MEMBER
  • 2 POSTS
I replaced the rare driver side ABS sensor cable. I also recently replaced the worn front brake pads.

But the following are the codes it gives when I scan with the OBS:

Car Scanner ELM OBD2

Version: 1.100.2/401002/GP

DTC report

Connection profile: Ford OBD-II / EOBDDate: 9/29/2023 5:19:59 PM

VIN: 1FMHK8D8XCGA57177

============================

OBD-IIOBD-II

DTCs: 209

P0420 [0x0420] Archive (inactive)

Catalytic converter system, bank 1 - efficiency below threshold

Catalyst System Efficiency Below Threshold (Bank 1)

Status: Permanent

P0011(00) [0x001100]

Camshaft position (CMP), intake/left/front, bank 1 - timing over-advanced/system performance

Status: Test not completed since last DTC clear, Test not completed during this operation cycle

P0012(00) [0x001200]

Camshaft position (CMP), intake/left/front, bank 1 - timing over-retarded

Status: Test not completed since last DTC clear, Test not completed during this operation cycle

P0014(00) [0x001400]

Camshaft position (CMP) actuator, exhaust/right/rear, bank 1 - timing over-advanced/system performance

Status: Test not completed since last DTC clear, Test not completed during this operation cycle

P0015(00) [0x001500]

Camshaft position (CMP) actuator, exhaust/right/rear, bank 1 - timing over-retarded

Status: Test not completed since last DTC clear, Test not completed during this operation cycle

P0021(00) [0x002100]

Camshaft position (CMP), intake/left/front, bank 2 - timing over-advanced/system performance

Status: Test not completed since last DTC clear, Test not completed during this operation cycle

P0022(00) [0x002200]

Camshaft position (CMP), intake/left/front, bank 2 - timing over-retarded

Status: Test not completed since last DTC clear, Test not completed during this operation cycle

P0024(00) [0x002400]

Camshaft position (CMP), exhaust/right/rear, bank 2 - timing over-advanced/system performance

Status: Test not completed since last DTC clear, Test not completed during this operation cycle

P0025(00) [0x002500]

Camshaft position (CMP), exhaust/right/rear, bank 2 - timing over-retarded

Status: Test not completed since last DTC clear, Test not completed during this operation cycle

P0040(00) [0x004000]

Oxygen sensor signals swapped, bank 1 sensor 1/bank 2 sensor 1

Status: Test not completed since last DTC clear, Test not completed during this operation cycle

P0041(00) [0x004100]

Oxygen sensor signals swapped, bank 1 sensor 2/bank 2 sensor 2

Status: Test not completed since last DTC clear, Test not completed during this operation cycle

P0053(00) [0x005300]

Heated oxygen sensor (HO2S), bank 1, sensor 1 - heater resistance

Status: Test not completed since last DTC clear, Test not completed during this operation cycle

P0054(00) [0x005400]

Heated oxygen sensor (HO2S), bank 1, sensor 2 - heater resistance

Status: Test not completed since last DTC clear, Test not completed during this operation cycle

P0059(00) [0x005900]

Heated oxygen sensor (HO2S), bank 2, sensor 1 - heater resistance

Status: Test not completed since last DTC clear, Test not completed during this operation cycle

P0060(00) [0x006000]

Heated oxygen sensor (HO2S), bank 2, sensor 2 - heater resistance

Status: Test not completed since last DTC clear, Test not completed during this operation cycle

P0068(00) [0x006800]

Manifold absolute pressure (MAP) sensor/mass air flow (MAF) sensor - throttle position correlation

Status: Test not completed since last DTC clear, Test not completed during this operation cycle

P0111(00) [0x011100]

Intake air temperature (IAT) sensor - range/performance problem

IAT Circuit Range/Performance Problem

Status: Test not completed since last DTC clear, Test not completed during this operation cycle

P0116(00) [0x011600]

Engine coolant temperature (ECT)
Was this
answer
helpful?
Yes
No
Friday, October 13th, 2023 AT 10:49 PM
Tiny
JACOBANDNICKOLAS
  • MECHANIC
  • 110,194 POSTS
Hi,

Sorry for the delay getting back to you. It has been an interesting couple of days. As far as the codes are concerned, none of them pertain to the brakes. Everything there is engine related

Here is what I recommend: Since we know there is an issue with one of the ABS sensors, we need to test them. If you have a live data scanner, you can check the wheel speeds independently while the vehicle is moving to determine if there is an excessive variation from one of them or if there is no signal at all from one.

If that isn't a possibility, then we need to check each sensor, one at a time. All you will need is a voltmeter or a multimeter. Follow the directions in this link:

https://www.2carpros.com/articles/abs-wheel-speed-sensor-test

Let me know what you find.

Take care,

joe
Was this
answer
helpful?
Yes
No
+1
Monday, October 16th, 2023 AT 7:48 PM
Tiny
JACOBANDNICKOLAS
  • MECHANIC
  • 110,194 POSTS
Hi:

Sorry for the delay getting back to you. It has been an interesting couple of days. As far as the codes, none of them pertain to the brakes. Everything there is engine related

Here is what I recommend. Since we know there is an issue with one of the ABS sensors, we need to test them. If you have a live data scanner, you can check the wheel speeds independently while the vehicle is moving to determine if there is an excessive variation from one of them or if there is no signal at all from one.

If that isn't a possibility, then we need to check each sensor, one at a time. All you will need is a voltmeter or a multimeter. Follow the directions in this link.

https://www.2carpros.com/articles/abs-wheel-speed-sensor-test

Let me know what you find.

Take care,

joe
Was this
answer
helpful?
Yes
No
+2
Monday, October 16th, 2023 AT 7:48 PM

Please login or register to post a reply.