A/C blows cold then hot

Tiny
NUNUCAR
  • MEMBER
  • 2010 CHEVROLET MALIBU
  • 14,787 MILES
Have my air on 1or 2 it’s fine, but when I have it on 3 or 4 it blows really hot.
Thursday, June 23rd, 2022 AT 6:18 AM

1 Reply

Tiny
JACOBANDNICKOLAS
  • MECHANIC
  • 110,192 POSTS
Hi,

Does it feel like the heater is turning on when this happens? There is a blend door that is responsible for the air temperature entering the vehicle. If it is loose, the higher fan speed may be causing it to close and send heat. By chance, have you ever noticed a clicking sound from under the dash?

Take a look through this link. It explains in general how to replace the blend air door actuator, but it also explains what can cause it to fail.

https://www.2carpros.com/articles/replace-blend-door-motor

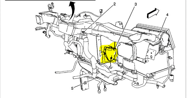
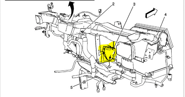
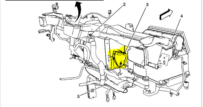
If you look at pic 1 below, it shows the actuator location. The remaining pics are the directions for replacing it. What I suggest is to remove it and see if it properly responds when you change the air temperature request.

Let me know if you are comfortable doing this or if you have other questions.

Take care,

Joe

See pics below.
Was this
answer
helpful?
Yes
No
Thursday, June 23rd, 2022 AT 9:33 PM

Please login or register to post a reply.