S197 2014 C2280B pinout needed?

Tiny
BRUDNY
  • MEMBER
  • 2014 FORD MUSTANG
  • 3.7L
  • V6
  • 2WD
  • MANUAL
  • 87,000 MILES
Hello,

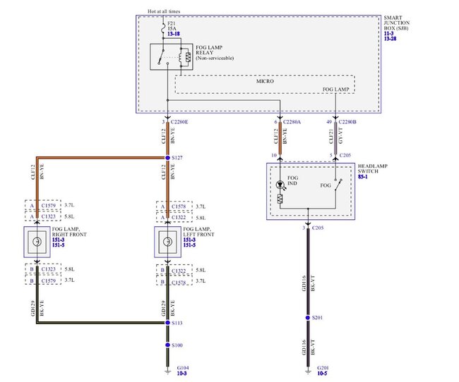
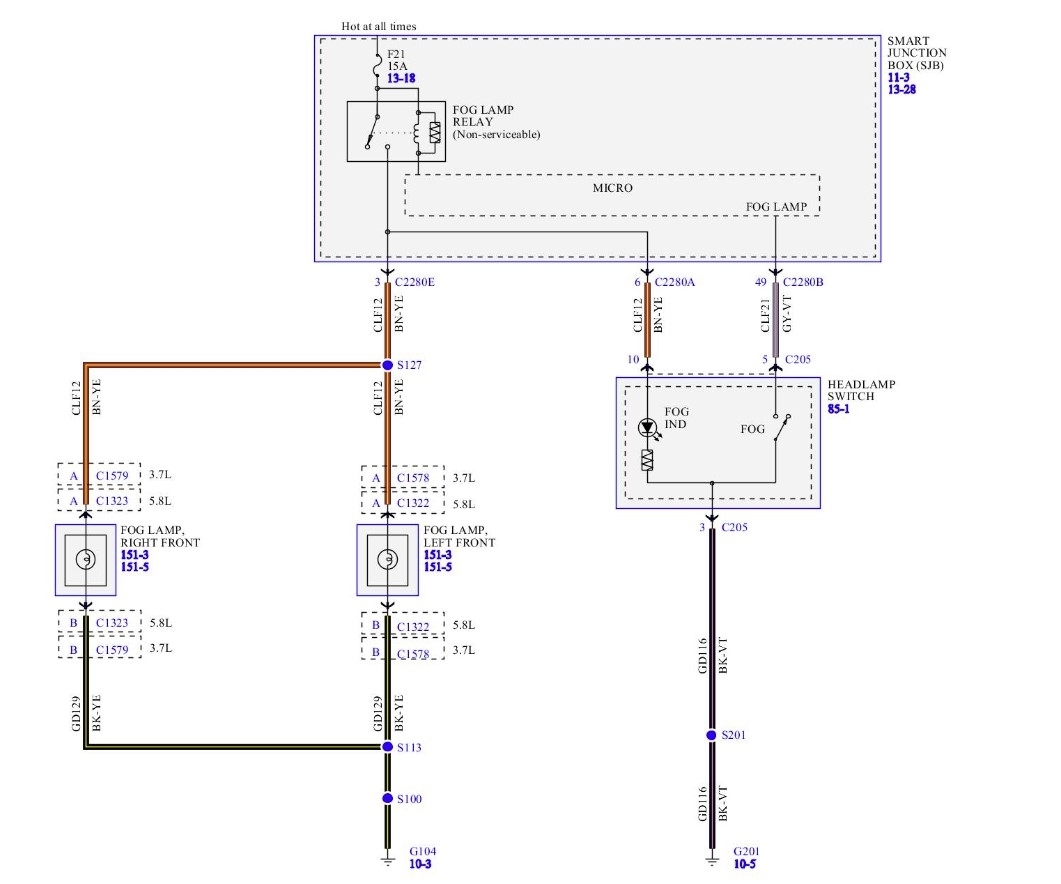
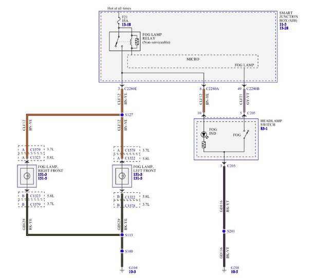
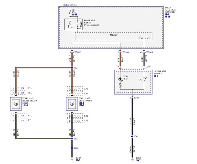
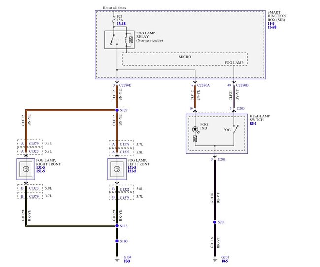
I really need the pinout for 2014 Ford Mustang's C2280B connector. I want to use the original switch for front fog lights to activate rear fog light (EU conversion). I saw the videos, where two wires go to the switch, and one to the white wire on pin 13 on C2280B in SJB. Unfortunately it seems this particular diagram is not anywhere online, I searched for a few hours now. Answer will be greatly appreciated, cheers!
Thursday, September 18th, 2025 AT 12:21 PM

5 Replies

Tiny
STEVE W.
  • MECHANIC
  • 15,700 POSTS
Not sure why you would only use the switch when the circuitry is all there to use for the light if you just use the front light harness. However if you only want the switch you would use the Gray w violet wire at pin 49 on the SJB. That will switch to ground when the fog switch is on. Use that with a relay to turn on the rear fog lamp. The White wire in 13 is power for the rear defrost relay. It would work to power a relay coil, but I wouldn't tap it as the lamp feed.
If you instead want to use the OE circuit you just need to find either the 1578 or 1579 connector down on the front frame rail. Then use FORScan to enable the fog lamps so you have control over it. That also gets you the fog indicator on the dash and no tapping the main harness. I'm not sure but I believe there are other Euro options in that software as well. Might make it easier.
Was this
answer
helpful?
Yes
No
+1
Thursday, September 18th, 2025 AT 1:17 PM
Tiny
BRUDNY
  • MEMBER
  • 3 POSTS
Thaaank you very, very much for the info!
The idea is to use the OE front fog lamps light switch (pins) to turn on the rear fog lamp; those are mandatory in Europe, where I imported the car.
I was looking at the Starkey YouTube video for front fog lamps. There they show how to splice cables into the original switch, and it seems they are using this 13th pin to power one of the relays for front fog lamps. The guy installing the lights was talking in the comments that this pin 13 connection is necessary for 2013-14 mustangs. I was worried if that was something important and delicate (some CAN line or something).

One thing that is confusing me a bit, is the fact that when I activate the switch right now in OE state of things, the indicator doesn't light up (from the diagrams I would assume it already should).

It will now be easy, relay in the trunk switched by GND from pin5 of the switch, feeding 12v off of rear lights "brain" connector, powering the lamp itself and the indicator LED on pin10.

Thanks again, cheers mate!
Was this
answer
helpful?
Yes
No
Thursday, September 18th, 2025 AT 2:06 PM
Tiny
STEVE W.
  • MECHANIC
  • 15,700 POSTS
The OE fog lights are turned off in the SJB if they were not ordered as an option. The scan tool software I mentioned allows that to be turned on, then the entire circuit will work.
Was this
answer
helpful?
Yes
No
+1
Thursday, September 18th, 2025 AT 7:16 PM
Tiny
BRUDNY
  • MEMBER
  • 3 POSTS
Oh, sorry, you certainly did say that. I don't think this generation of Mustangs had ever in mind rear fog light. We chop up the rear lights, add a led inside for rear fog and most of the guys use just a switch for DOT review.
I went with the option of using oe switch, because it also has auto front lights, and that was main reason I got it :)
Was this
answer
helpful?
Yes
No
Friday, September 19th, 2025 AT 3:47 PM
Tiny
STEVE W.
  • MECHANIC
  • 15,700 POSTS
I guess it will work either way. They did build the Mustang for the UK but not until 2015.
Was this
answer
helpful?
Yes
No
Friday, September 19th, 2025 AT 8:05 PM

Please login or register to post a reply.