Saturday, August 5th, 2023 AT 3:43 PM
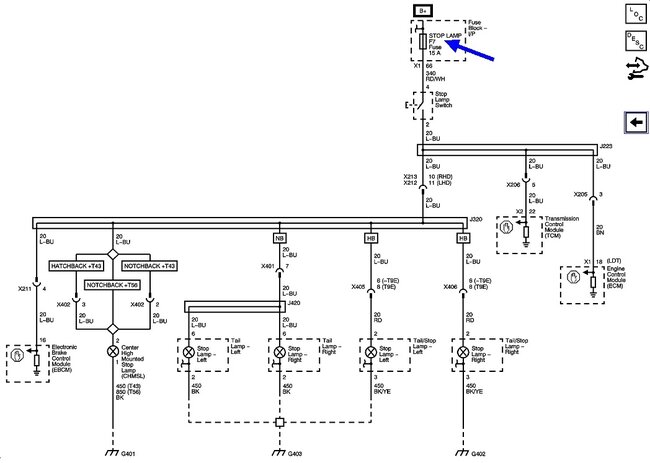
First I got in my car the other day and I couldn't get it out of park, I Google it and found out about the shift release button above shifter been using it since, then when I googled the possible solution it mentioned fuse (cabin fuse not blown) and brake lights being out (as well as cruise control which I never use) I then realized that my brake lights are out as well. I can't find any fuses or relays under the hood that might go along with the issues. I'm thinking maybe the brake switch behind the brake pedal? Any help would be greatly appreciated!



