HOME
ASK A QUESTION
REPAIR GUIDES
BECOME A MEMBER
LOG IN
Login with Facebook
OR
Remember me
NOT A MEMBER?
FORGOT PASSWORD?
CONTACT US
PRIVACY POLICY
TERMS AND CONDITIONS
☰
Home
Ford
Explorer
Body
Sunroof
Not Working
Moon roof not working properly
AINSLY
MEMBER
2013 FORD EXPLORER
0.9L
6 CYL
4WD
AUTOMATIC
160,000 MILES
Moonroof won’t tilt or open. Sunshade works fine.
Tuesday, June 2nd, 2020 AT 9:08 PM
1 Reply
ASEMASTER6371
MECHANIC
52,796 POSTS
Good morning,
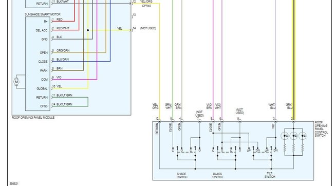
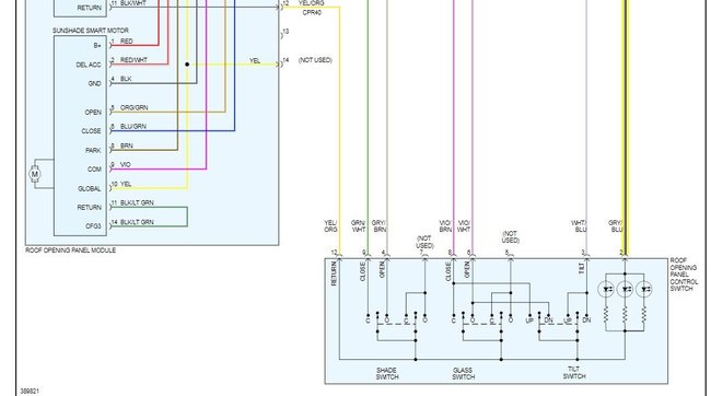
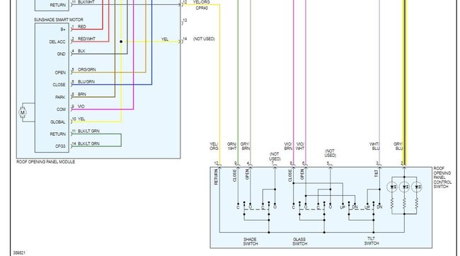
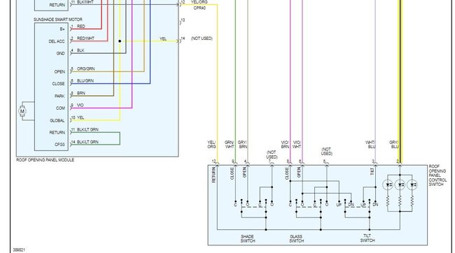
I attached a wiring diagram for you of the system. There are 2 fuses for the system. Check these fuses for power on both sides with the key in the on position.
https://www.2carpros.com/articles/how-to-check-a-car-fuse
https://www.2carpros.com/articles/how-to-check-wiring
This is a power test, not a visual test. You will need a test light or voltmeter to do this procedure.
https://www.2carpros.com/articles/how-to-use-a-test-light-circuit-tester
Let me know the results.
Roy
Images (Click to make bigger)
Was this
answer
helpful?
Yes
No
Wednesday, June 3rd, 2020 AT 4:31 AM
Please
login
or
register
to post a reply.
Related Sunroof Not Working Content
Power Windows Including Power Moonroof Will Not...
Have A 1996 Ford Explorer Limited. Fuel Pump Went Bad. When Towed To Garage Power Windows Stopped Working. They Claim They Went To Put...
Asked by
BOBS728
·
3 ANSWERS
1996
FORD EXPLORER
What To Do To Fix Power Windows And Sunroof That Just...
Windows And Sunroof Do Not Work. Been Checking And Changing Fuses And Keep Blowing Them All. What Could The Problem Be?
Asked by
jenniegurl1983
·
1 ANSWER
2001
FORD EXPLORER
Sunroof Stuck Open
My Sunroof Is Stuck In The Tilt Position. How Do I Drop The Overhead Console To Replace The Switch Or Check The Wires To The Motor?
Asked by
boomayeh
·
4 ANSWERS
12 IMAGES
2003
FORD EXPLORER
Moonroof
Moonroof Will Not Tilt Or Open But Sunshade Does! What Could Be Wrong?
Asked by
Sscusters
·
7 ANSWERS
24 IMAGES
2012
FORD EXPLORER
My Power Windows Or Moon Roof Wont Work
While Attempting To Change Bulbs In Map Lights That Hadn't Been Working I Shorted Out And Now Power Windows And Moonroof Won't Operate. I...
Asked by
kenteth
·
5 ANSWERS
1 IMAGE
2000
FORD EXPLORER
VIEW MORE
Ask a Car Question. It's Free!
How to Use a Test Light