Sunday, February 12th, 2023 AT 4:43 AM
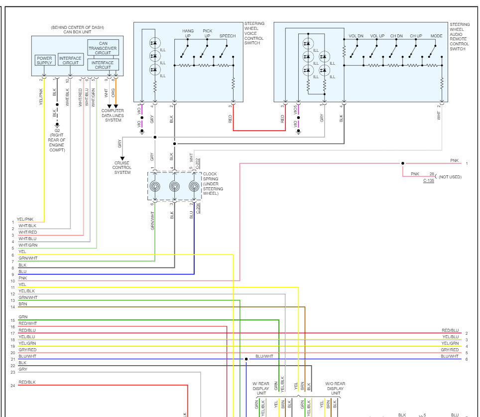
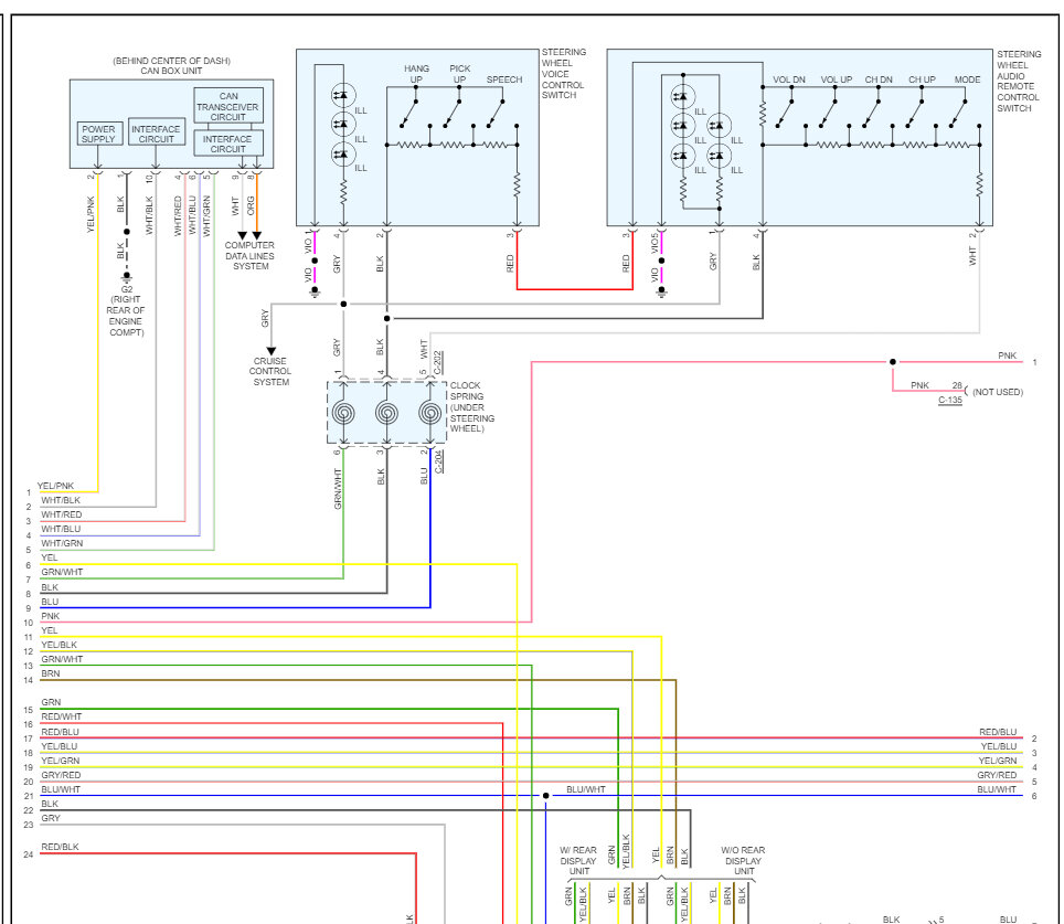
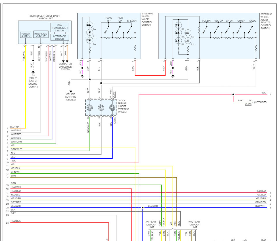
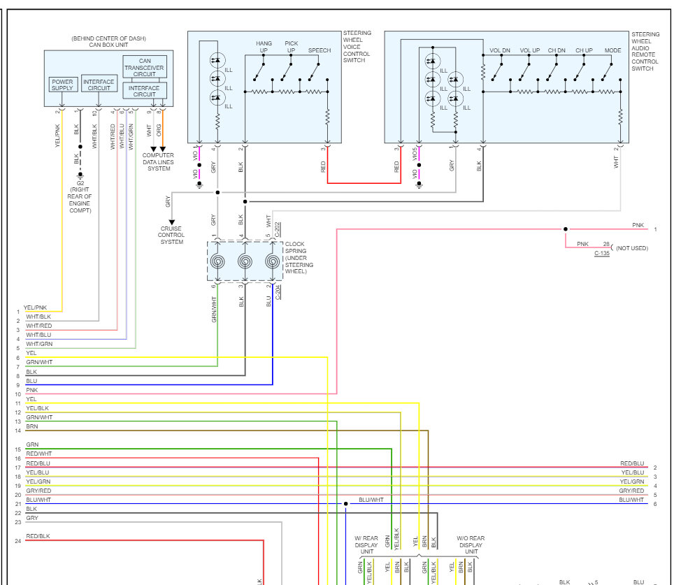
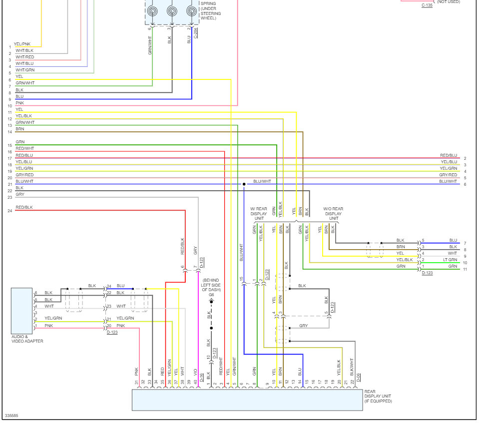
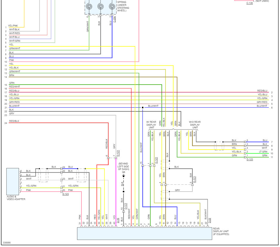
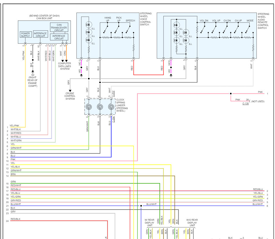
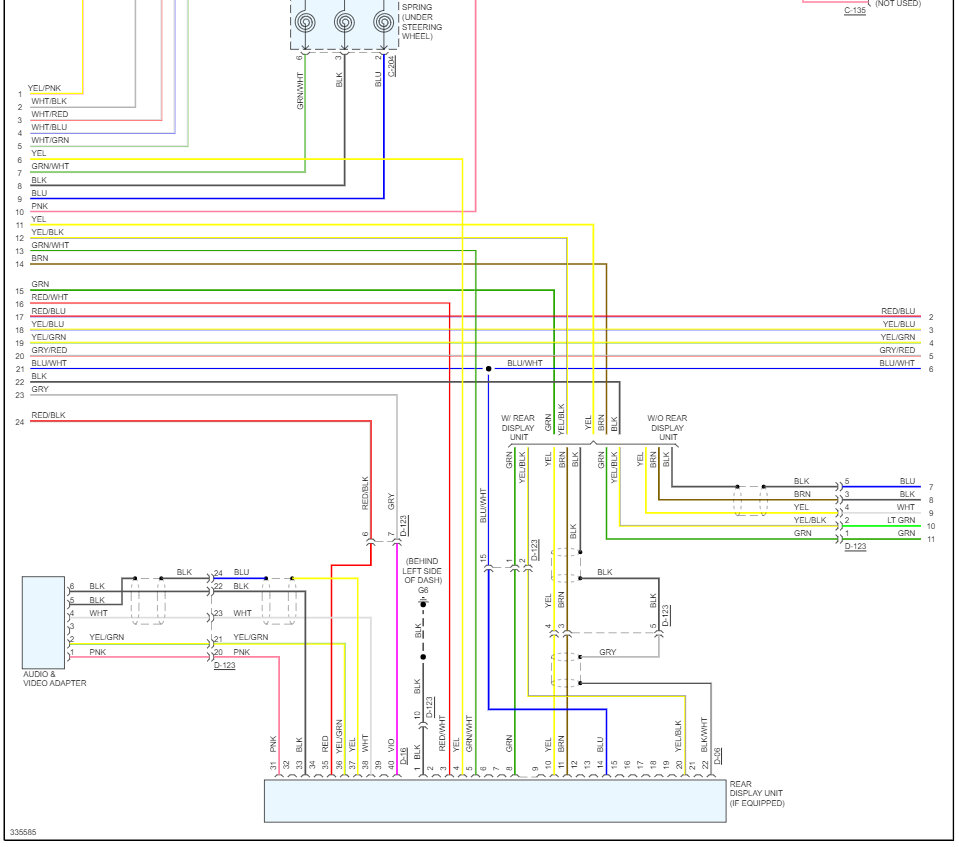
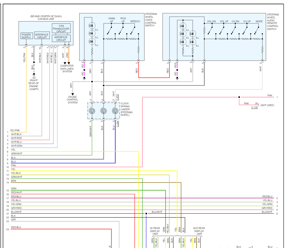
Hi. I was trying to replace the car stereo on one of my friend's' cars with a touch screen Android system. I made the mistake of taking out the wires from a connector and did not take a picture before. Now I don't have any clue in what order I should put back the wires. It is the black and white 32 pins connector, but it only uses 13 wires.







