No Pulse to fuel injectors

Tiny
CHEINLEIN
  • MEMBER
  • 2000 MITSUBISHI ECLIPSE
  • 4 CYL
  • FWD
  • MANUAL
  • 100,000 MILES
I have changed the camshaft position sensor, fuel pump and filter, relays and computer. The car will start if I spray fluid into the throttle body but will not run. There is a recall on the car. #99v333001 but my battery wires do not seam to have any damage. The only thing I can think of is the crank shaft position sensor but I have looked around on the net and there is multiple other people that didn't have any luck when they replaced theirs so I am kinda skeptical. Not to mention I hear the ignition wouldn't work anyway if it was the cps. So if you could lend some advice I sure would appreciate it thanks

chad
Saturday, March 29th, 2008 AT 1:52 PM

11 Replies

Tiny
BLACKOP555
  • MECHANIC
  • 10,386 POSTS
If you have spark at all cylinders then you dont have a bad crank shaft sensor.

First are you sure your getting fuel to the injectors and of enough quantity? Perform a fuel pressure test.

Next thing to check is if you have power at fuel injectors hook ups by throwing a noid light in there and cranking it if it flashes then you have injector pulse, if not check for voltage comign to it with the key on, one should be hot and the other no voltage at all.

Let me know what you find.
Was this
answer
helpful?
Yes
No
Saturday, March 29th, 2008 AT 7:57 PM
Tiny
CHEINLEIN
  • MEMBER
  • 4 POSTS
I have connected a noid light to one injector. The light did not respond when the ignition was cranked. I dont know if I need a certin light for the make of the vehicle, but I did buy a set and one out of the set fit and like I said did not blink, stay on, or anything so that would be how I came to the conclusion of not getting any pulse to my injectors.
I would check the relay. Problem is there is pictures on the fuse case and I cant seam to figure out wich one it would be. There is a few little pictures that look like a little engine.
I suppose it would be one of them but no parts house even with a cross reffrence can get one.
I do appriciate your advice. If you could get back to me I might find a way to send a money order or somthing so that I can contribute to your site. I know the world is tough out here and if you can make a buck make it but I see you all are trying to provide a lagitamite service and am willing to contribute.
Was this
answer
helpful?
Yes
No
+3
Saturday, March 29th, 2008 AT 10:55 PM
Tiny
KEN L
  • MASTER CERTIFIED MECHANIC
  • 55,260 POSTS
Hello,

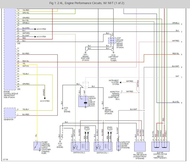
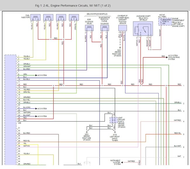
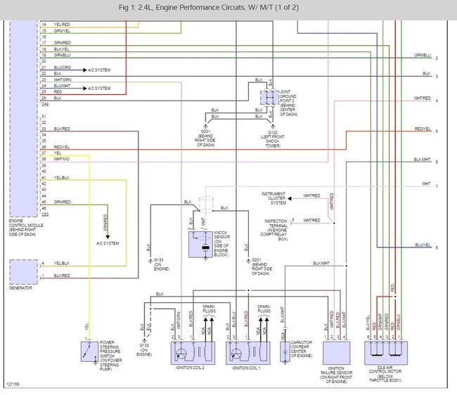
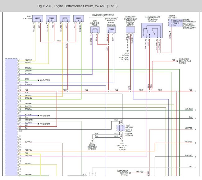
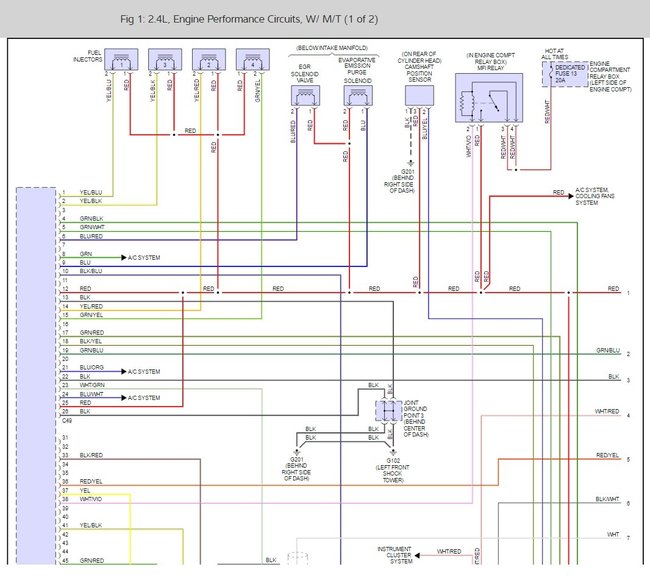
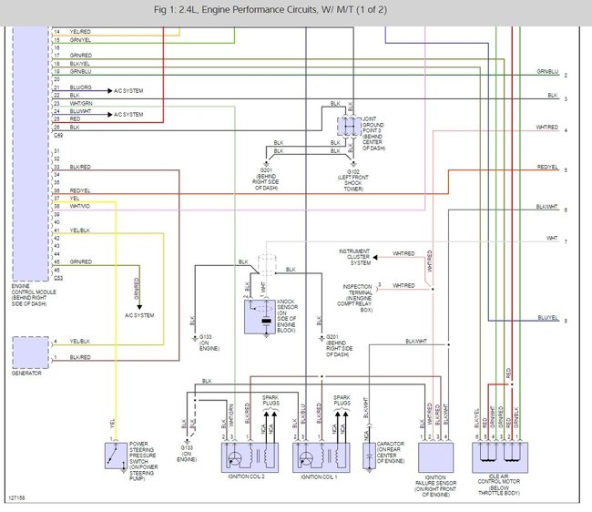
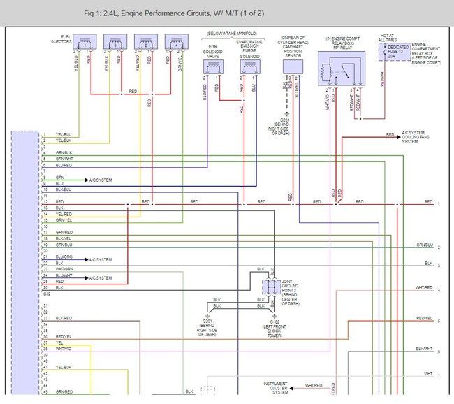
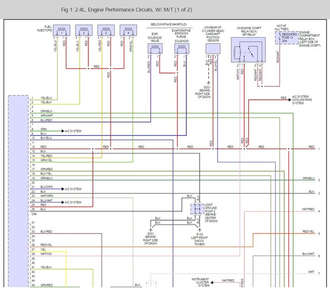
There is an ignition failure sensor that can go out causing the injectors to stop working as a safety feature. here is a wiring diagram that can help you test for the problem.

Check to see if everything is getting power and a good ground.

https://www.2carpros.com/articles/how-to-use-a-test-light-circuit-tester

Please run some tests and get back to us so we can continue helping you.

Best, Ken

Was this
answer
helpful?
Yes
No
+7
Wednesday, March 22nd, 2017 AT 5:16 PM
Tiny
JTMECH
  • MEMBER
  • 4 POSTS
  • 1996 MITSUBISHI ECLIPSE
  • 4 CYL
  • FWD
  • AUTOMATIC
  • 135,000 MILES
Electrical problem
1996 Mitsubishi Eclipse 4 cyl Front Wheel Drive Automatic 135000 miles

trying to find out why car is running on 2 cyl's, cyl's 1 and 2 are working fine but 3 and 4 injectors are pulsing only every now and then. Got a used ecm and it is still pulsing inj. 3 and 4 Intermittently. Any ideas on this problem
Was this
answer
helpful?
Yes
No
+1
Wednesday, March 22nd, 2017 AT 6:42 PM (Merged)
Tiny
WRENCHTECH
  • MECHANIC
  • 20,761 POSTS
What is the spark doing on those cylinders. Is it acting the same way?
Was this
answer
helpful?
Yes
No
-2
Wednesday, March 22nd, 2017 AT 6:42 PM (Merged)
Tiny
JTMECH
  • MEMBER
  • 4 POSTS
Yes we have good spark on all cyl's
Was this
answer
helpful?
Yes
No
+1
Wednesday, March 22nd, 2017 AT 6:42 PM (Merged)
Tiny
WRENCHTECH
  • MECHANIC
  • 20,761 POSTS
Although it would require some testing with a lab scope to find out, it sounds like the ignition module may be having a problem forwarding the tach signal to the PCM but that's just a wild guess.
Was this
answer
helpful?
Yes
No
Wednesday, March 22nd, 2017 AT 6:42 PM (Merged)
Tiny
JTMECH
  • MEMBER
  • 4 POSTS
Thanks wrenchtech, do you think the ignition module could only cause cyl's 3 and 4 to pulse every 3 to 4 seconds? Thanks
Was this
answer
helpful?
Yes
No
Wednesday, March 22nd, 2017 AT 6:43 PM (Merged)
Tiny
WRENCHTECH
  • MECHANIC
  • 20,761 POSTS
Yes, I just said it was POSSIBLE but I'm NOT saying to automatically replace it.
Was this
answer
helpful?
Yes
No
Wednesday, March 22nd, 2017 AT 6:43 PM (Merged)
Tiny
JTMECH
  • MEMBER
  • 4 POSTS
Is'nt the ignition module in the ecm?
Was this
answer
helpful?
Yes
No
Wednesday, March 22nd, 2017 AT 6:43 PM (Merged)
Tiny
WRENCHTECH
  • MECHANIC
  • 20,761 POSTS
Yes, after looking at the wiring diagram again, it appears you are correct. I thought that one had a separate igniter but it doesn't.
Was this
answer
helpful?
Yes
No
+2
Wednesday, March 22nd, 2017 AT 6:43 PM (Merged)

Please login or register to post a reply.