Friday, September 16th, 2022 AT 4:15 PM
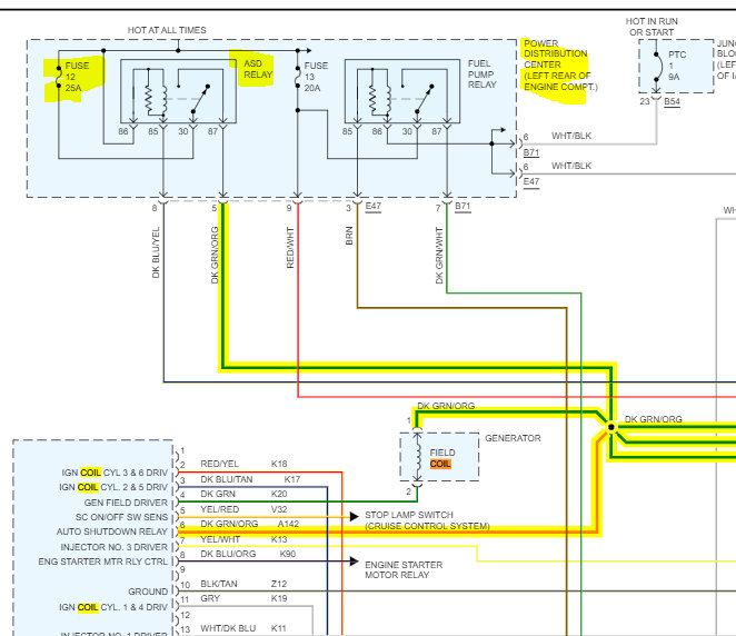
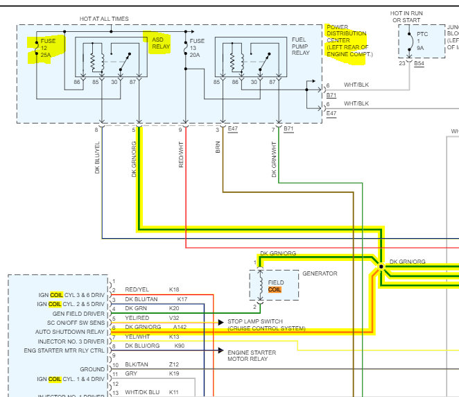
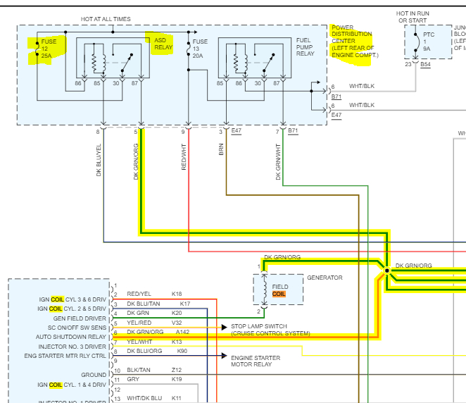
While driving the engine stopped and I towed it to my home. I had to change Camshaft and crank shaft sensor, but it still does not work. I test circuit 44, 43, 32, 33 they are okay but when jump start, voltage signal both camshaft and crank shaft at 5 volts do not change. Test power to ignition coil, no power when crank the engine. Please someone help, which part or circuit number came from coil to before came to ECM, provide the power when turn the key or crank the engine. I have change new ECM still same. I am retired and trying to save money and my wife is very sick. Thank you



















