Saturday, May 21st, 2022 AT 6:24 PM
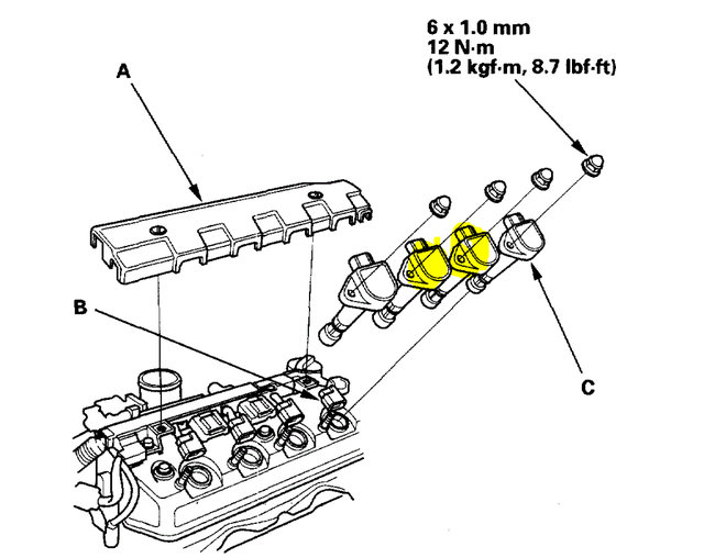
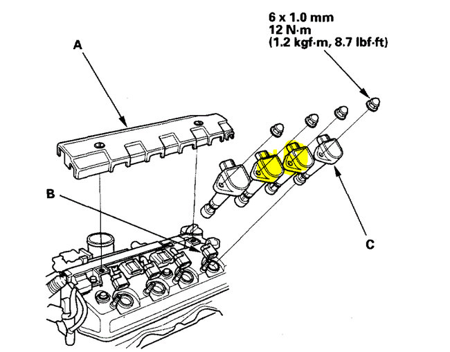
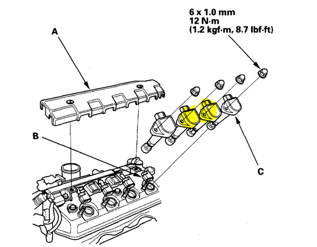
Back again. I have replaced the fuel injectors, spark plugs twice, and the ignition coils. Was starting fine for like 2 days after starting rough. It just magically started starting fine. I left work today and noticed it was back to starting rough. I drove it home and had no problems. When I parked it and let it idle, the whole engine was shaking. I have no check engine light but my obd2 says a cylinder two misfire. What could be causing that?



