Mirror glass switch and mirror harness, would like to upgrade to folding mirrors?

Tiny
BEBOBEBO
  • MEMBER
  • 2012 TOYOTA CAMRY HYBRID
  • 2.5L
  • 4 CYL
  • 2WD
  • AUTOMATIC
  • 150,000 MILES
Hi, in my car the harness that comes from the mirror contains 4 wires but the switch that is basic without mirror folding button contains 7 pins, my question is, the function of each of those 4 wires, and the function of each pin of 7 pins?
I am asking because I want to upgrade my mirror to folding mirror, so I want to match the new mirror wires to the old switch, and adding separate mirror switch for folding mirror.
Sunday, May 11th, 2025 AT 10:44 AM

11 Replies

Tiny
KEN L
  • MASTER CERTIFIED MECHANIC
  • 55,097 POSTS
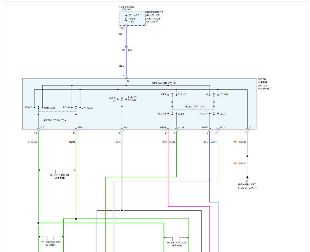
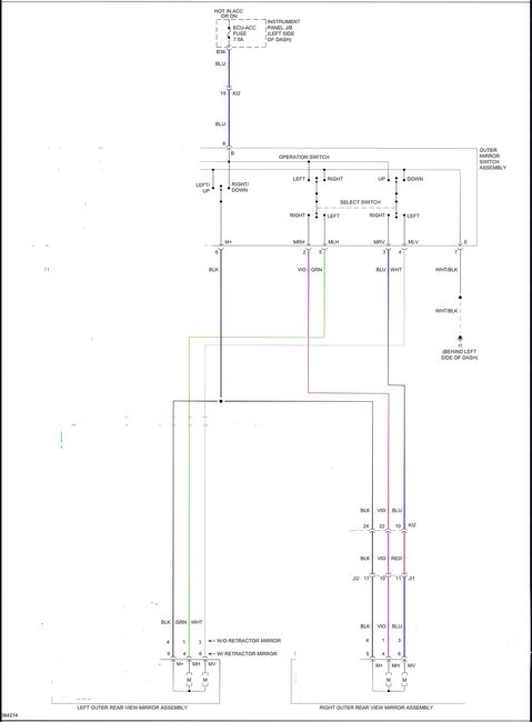
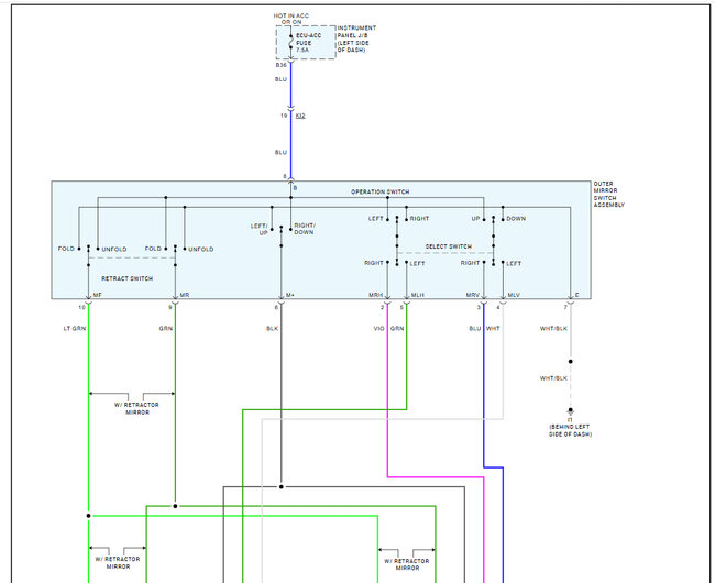
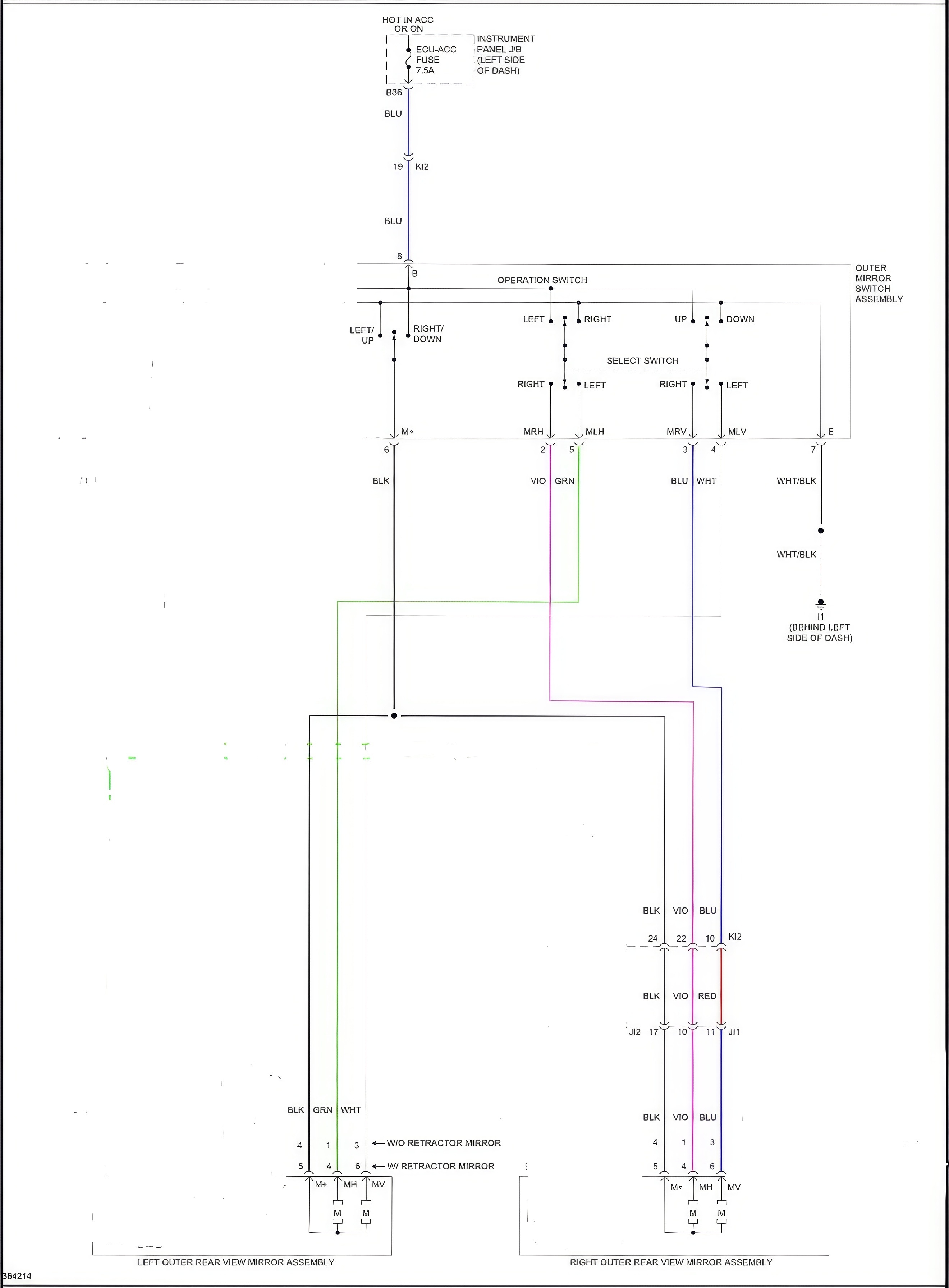
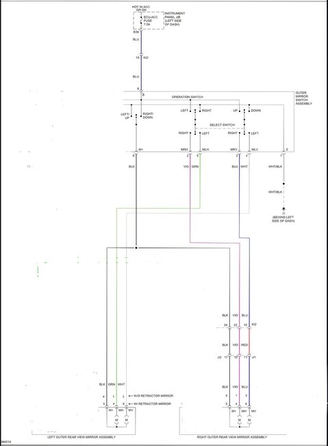
This will not be too bad, you will need to change the mirror and switch no doubt, the wiring modification should not be too bad, you will need the correct electrical connector at the switch and mirrors. Also, new wires will need to be run, or the correct wiring harness for the system. Here is the wiring diagrams for the the folding mirrors. Check out the images (below). Please let us know what happens.
Was this
answer
helpful?
Yes
No
Monday, May 12th, 2025 AT 11:00 AM
Tiny
BEBOBEBO
  • MEMBER
  • 129 POSTS
Thanks for reply, could please help me in these two issues: First: the function of each wires of 4 wires that come from my original mirror (only has glass movement function with button for right and left)
Second: could you please send pic of wiring diagram of switch and mirror in my car without folding function, as my switch has 7 pins?
Thanks again
Was this
answer
helpful?
Yes
No
Monday, May 12th, 2025 AT 12:26 PM
Tiny
BEBOBEBO
  • MEMBER
  • 129 POSTS
Hi again, I upload the diagram and omitted the heater and folding function as my car don't have then, I follow the 7 wires that come from switch and determine 6 functions (2 for right mirror movement, 2 for left mirror movement, one for switch ground, one for motors ground, and one for acc ) but where is the pin for mirror selection? Is there a pin for it or not?
Was this
answer
helpful?
Yes
No
Monday, May 12th, 2025 AT 4:30 PM
Tiny
BEBOBEBO
  • MEMBER
  • 129 POSTS
Hi again I upload the digram and omitted the heater and folding function as my car dont have then, I follow the 7 wires that come from switch and determine 6 functions (2 for right mirror movement, 2 for left mirror movent, one for switch ground, one for motors ground, and one for acc ) but where is the pin for mirror selection? Is there apin for it or not?
Was this
answer
helpful?
Yes
No
Monday, May 12th, 2025 AT 4:31 PM
Tiny
KEN L
  • MASTER CERTIFIED MECHANIC
  • 55,097 POSTS
Both options are on the wiring diagrams. The Folding/non folding options which vary the number of wires, also the wiring diagrams show the function of each wire, please go over them again to confirm.
Was this
answer
helpful?
Yes
No
Wednesday, May 14th, 2025 AT 10:22 AM
Tiny
BEBOBEBO
  • MEMBER
  • 129 POSTS
  • 2012 TOYOTA CAMRY HYBRID
  • 2.5L
  • 4 CYL
  • 2WD
  • AUTOMATIC
  • 150,000 MILES
Hi, I have side mirror that is basic with only glass movement with button to determine direction( not folding, not heated)
The side mirror has 4 wires and when I look to diagram if ( I omitted the mirror folding and heater wires ) I noticed only 3 wires come from each mirror to switch pins, I understand that 3 wires for (2 for motor direction and one common ground) but my question why in diagram nothing about the 4th wire that come from mirror? What is its function? Where it goes?
The 4 wires are ((red, black, white, orange ))
Thanx
Was this
answer
helpful?
Yes
No
Friday, May 16th, 2025 AT 10:20 AM (Merged)
Tiny
STEVE W.
  • MECHANIC
  • 15,614 POSTS
Is this a factory mirror? None of the diagrams for that car show those colors for the mirrors. The OE are Black, Green and White. Is it a salvage mirror? Off of what year?
Was this
answer
helpful?
Yes
No
Friday, May 16th, 2025 AT 10:20 AM (Merged)
Tiny
BEBOBEBO
  • MEMBER
  • 129 POSTS
  • 2012 TOYOTA CAMRY HYBRID
  • 2.5L
  • 4 CYL
  • 2WD
  • AUTOMATIC
  • 150,000 MILES
Hi, iam trying to install aftermarket mirror with folding function, there are 2 wires in each mirror for folding mirror in addition to 3 wires in each for glass movement, also I have switch with 4 wires for folding, also I got module with 9 wires to complete the installation process, my question regrading wires (yellow and blue )from module to new switch, how to wire them to switch? And if there is a need for relay? Diode? And how to wire the 4 switch wires, the target point of each eire
Thanx
Was this
answer
helpful?
Yes
No
Friday, May 16th, 2025 AT 10:20 AM (Merged)
Tiny
KEN L
  • MASTER CERTIFIED MECHANIC
  • 55,097 POSTS
This kit looks like it is for a car that has the mirror switch already? Does you car have the switch? Check out the images (below).
Was this
answer
helpful?
Yes
No
Friday, May 16th, 2025 AT 10:23 AM
Tiny
BEBOBEBO
  • MEMBER
  • 129 POSTS
I got external latching switch with light display, and want make connection using relay and TDR relay, I draw Skitch for wiring, is it correct regarding the blue and yellow from folding module.
Was this
answer
helpful?
Yes
No
Friday, May 16th, 2025 AT 12:30 PM
Tiny
KEN L
  • MASTER CERTIFIED MECHANIC
  • 55,097 POSTS
Yep, that looks correct, did you try it and it not work?
Was this
answer
helpful?
Yes
No
Sunday, May 18th, 2025 AT 5:27 PM

Please login or register to post a reply.