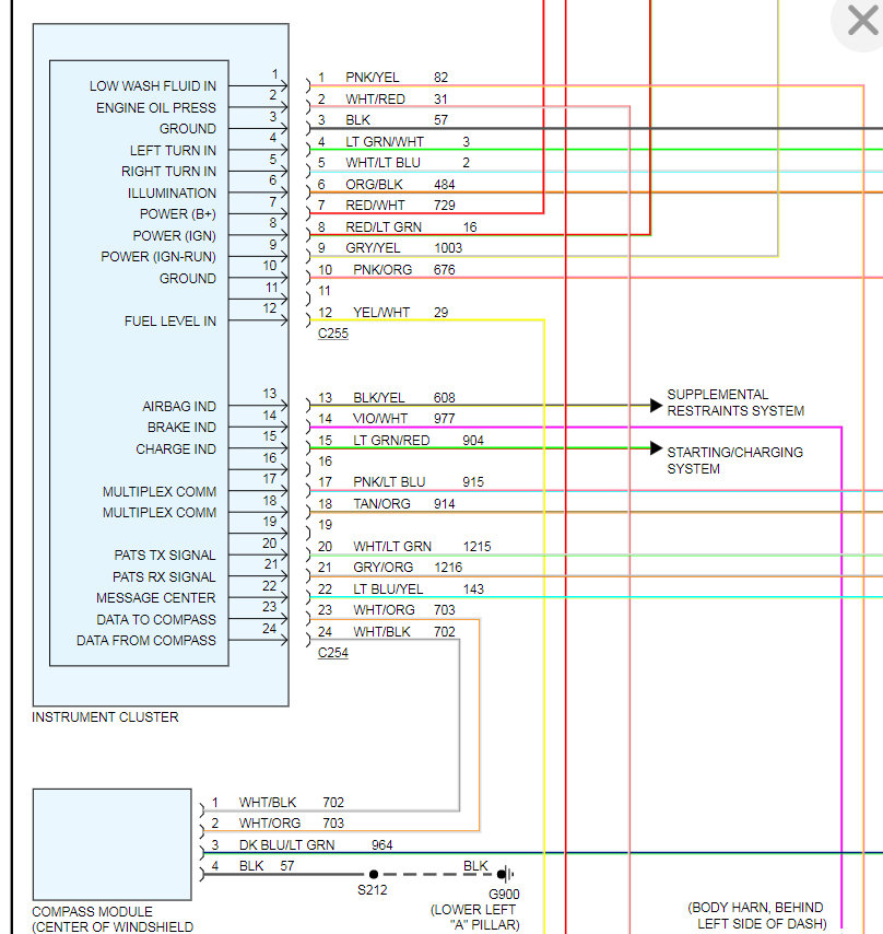
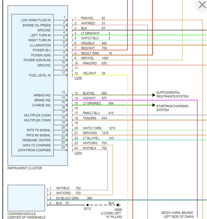
Thursday, November 28th, 2019 AT 11:09 AM
Message center was working fine, and one day while I was driving the display stopped working. I’ve checked the fuses and couldn’t find any blown. Any ideas?



