1990 Mercury Sable blown head gasket

Tiny
TMAJ9447
  • MEMBER
  • 1990 MERCURY SABLE
  • 6 CYL
  • FWD
  • AUTOMATIC
  • 127,000 MILES
I recently treated my engine for a blown head gasket. The result as follows.
had the heads tested and serviced, new top end gasket set installed, new thermostat. Set #1 TDC on compression, set rotor to #1, set FO. Now the problem is the motor either rotates and will not start unless I use ether, but fails to run on its own or when gas petal is press it shuts off. I replaced the fuel pump, now I have 39-40 psi at the rail. Got it to start but will not idle or run on its own. Replaced battery but now it is acting like it is having a hard time turning over, almost like it has too much compression. Took all the plugs out and it turns over freely. I am at my whitsend please help!
Friday, November 21st, 2008 AT 9:47 AM

19 Replies

Tiny
IMPALASS
  • MECHANIC
  • 3,112 POSTS
Hello -

Do you have a 3.0L or a 3.8L engine?

I need to ask a few questions so you and I are saying the same thing and on the same path.

Did you do all the work yourself or did someone else?

When you treated it for a blown head gasket - you removed both heads, took them to a machine shop - they resurfaced the heads, worked the valves, new valve seals etc?

You put the heads back on - rods - lifters etc..... What did you torque or how much did you tighten the rocker nut?

When the engine rotates - does it sound like it is spinning nice a easy.....

Check the compression on each cylinder and let me know what that is.

Explain to me how you tightened the rockers.........

When you say it starts with either..... It trys for a second then just turns over but no spark?

Did you bleed the fuel rail to ensure all air was out?

So when you say fails to run on its own... It will idle or it won't.....

If it does idle..... Then the second you hit the gas it dies?

If I understand what you are saying..... You either have air in the fuel system or you may not have any compression - that is why I want to know how you adjusted the rockers...
Was this
answer
helpful?
Yes
No
Friday, November 21st, 2008 AT 10:16 AM
Tiny
TMAJ9447
  • MEMBER
  • 78 POSTS
I have a 3.0L

i did all the work myself

Yes, a shop reworked the valves, resurfaced and checked the heads for leaks.

I used the torque specifications in my hanes manual to set the torque for all head, intake and rocker arms.
(i can have the specs for you later if need exect #s)

yes, the rotates nice and smooth with out spark plugs in. With plugs in it starts out smooth and then get to a point that acts like the battery is dead, but it isnt 12.3V

i can not get the compression of the cylinders until a later time, the car is 20 miles away.

I tightend the rocker arms with a torque wrench set per the hanes manual. They were a bolt not a nut, and did not appear to have any type of adjustment possible.

Okay let me start here; after the inital completion of assembling the motor top end. The motor would start easily 1-2 cranks and it would run rough with slight messaging of the throttle. Slow increase in throttle and the engine would excellerate, quick throttle adjustment the engine would bog and stall.
At this point I was trying to get the engine warmed up to set the timing. Sounds rigth? I noticed on the rotor that the more I turned it clockwise from #1 toward #6 the easier it would start and the lower it would idle (stay running). At this point I figured the timing is way out, so I took out all the spark plug except #1 and hand turned the engine until I felt compression on #1 then I slowly turned it to 0-TDC. I pulled the rotor cap and the rotor was 180 from where the manual said #1 is. So I pulled the distribtor and rotated the rotor 180 to point to #1 and put it all back together. Since this it has been difficult to turn over and will not start except with ether, but will not idel or run as before.

I felt good compression when turning it by hand - although I know that is not a reliable answer. I can get the compression but I willl be a couple of days. Also, I do I bleed the air from the rail, I assumed with the amount of turning over and tring to start the car that any air would have passed by now. Please advise
Was this
answer
helpful?
Yes
No
Friday, November 21st, 2008 AT 12:55 PM
Tiny
IMPALASS
  • MECHANIC
  • 3,112 POSTS
Hello -

If it was running before even though the quick throttle would kill, I think you have the distributor 180 out or really off anyway. Let's put it back the way it was - at least it was running. I had a truck off like this and it would try to start with the starting fluid. . .. . ..and. . .to add to this. . ...it didn't run on fuel, it ran on propane. . ..did I say what a fire looks like with starting fluid and propane mixed???????? Okay, I got the fire out but this isn't about me.

I would start at the beginning. First. . ...great job on performing a head job. . ...not an easy task to accomplish by anyone. . ...great job and you should be proud of your accomplishment.

This is what I do just as a note for the next time. Everyone has their own way so here is another. Before I tear anything apart, I remove the plugs and put the rotor on number one plug. Now I know the distributor and other things are sitting where they should be. Once the head are off I verify #1 piston is at the top of the stroke. Remember it will be there twice, compression and exhaust. With the heads on you can make sure your valves are correct. . ...closed. Below is the valve order. If you are 180 out then on the right side, the 2nd valve is going to be pushed up.

FRONT TO REAR

Right Side I-E-I-E-I-E

Left Side E-I-E-I-E-I

If it were me, I would remove the right valve cover - pull all the plugs - put a long thin piece of something sturdy so it doesn't brake off inside, into #1 plug hole and let it sit on top of the piston. Someone should kind of hold it steady so it doesn't rub the side of the piston wall. Then slowly rotate the engine to where it shows TDC.


https://www.2carpros.com/forum/automotive_pictures/248015_Timing_3_2.jpg



Then make sure your distributor is on #1. I have had to cut the side of mine before just to see if it is lined up correctly. Of course that means a new cap but that is okay. If rotor is not lined up exactly to number one, keep pulling it out and moving to the next tooth. One tooth off is not good enough.


https://www.2carpros.com/forum/automotive_pictures/248015_Timeing_1_2.gif



Then do your timing light and I show 10 degrees timing. . ...is that what you show?

Let's get it running then figure out why it dies with a quick throttle input. Sound okay to you?
Was this
answer
helpful?
Yes
No
Saturday, November 22nd, 2008 AT 1:25 AM
Tiny
TMAJ9447
  • MEMBER
  • 78 POSTS
Okay I am going to try your suggestions, although it might take me some time, sorry about that.
Also whay in the world are oyu useing propane. Lol

Anyway here are the torque specs I used;
cylinder head bolts 70ftlbs (63 to 80) per manual
exhaust manifold 20ftlbs (15 to 20) per manual
intake manifold to cylindr head bolts 21 ftlbs (21) per manual
rocker arms 25ftlbs (20 to 28) per manual

let me know your thought's
thanks
Was this
answer
helpful?
Yes
No
Saturday, November 22nd, 2008 AT 7:31 PM
Tiny
IMPALASS
  • MECHANIC
  • 3,112 POSTS
Hello -

The only reason I suggest that is it was running until you went 180 (or what you thought was 180) to see how that did. You could have been a tooth or two off. Setting the distributor is to me, very pain staking and takes a little time. But it was running so I am trying to get back to that point.

Time... Take what time you need... Some things you can't rush. Better to do it now than be stranded later.

Propane - Well, it was on a farmer's wheat truck and this model runs on propane only. No liquid fuel. Wild huh..... Did you know the main reason you wear a thick pull over in the winter is to be able to pull in off over your head like a hockey player fighting someone and put over the top of the carb to put a fire out..... Plus, that warms it up for when you put it back on
Was this
answer
helpful?
Yes
No
Sunday, November 23rd, 2008 AT 12:31 AM
Tiny
TMAJ9447
  • MEMBER
  • 78 POSTS
I followed your recommendations and set TDC both Intake and exhaust valves are closed, set distrubtor and rotor to #1. Assembled everything, and got somewhat back to where it was running. Here is the scoop now.

I could only get the motor to barely stay running with rapid jerks of the throttle. Nothinng near what I would consider idling or running on its own. Next I checked the the psi in the fuel rail got 39-40 psi. I also checked the spark of each plug wire and found that #5, #2 and #3 are not getting spark. So I am going to get a new rotor cap. The rotor is new and the wires I just replaced so I supect the rotor cap. Sound right? I also have a new ICM that mounts on the distributor. What do you think, aslo how do I bleed the air from the fuel rail?
Thanks again.
Was this
answer
helpful?
Yes
No
Sunday, November 23rd, 2008 AT 4:07 PM
Tiny
IMPALASS
  • MECHANIC
  • 3,112 POSTS
Hello -

Great... At least it's starting...I agree... Do the cap first and see what happens... Then if still nothing on those plugs, do the ICM. If you replace both you won't know what fixed it.

Since you have it, if the cap does fix it, then I would still replace the ICM since you can't take it back.

I went back over the installation of the fuel rail and it doesn't speak of bleed the air... So probably good there. The spark may be the problem.

Let's get that fixed and see what it does from there.

You are doing a great job by the way. Providing excellent info back to review. Many times we get "car doesn't work." That is a little..... Vague...

Why is the car so far away? Just being nosey
Was this
answer
helpful?
Yes
No
Wednesday, November 26th, 2008 AT 7:26 PM
Tiny
TMAJ9447
  • MEMBER
  • 78 POSTS
Hello,

thank you for the support, I must say that I was feeling pretty good about the job until I ran into all these "little" things. Thanks for your vote of confidence, I surely need it.

The car belongs to my soon to be father-in-law so it is at his house, this situation challenges me because I can only see it once or twice a week otherwise I would have in done by now. Lol

i have no new news yet as I am waiting until thanksgiving dinner "at his house" so I can get the rotor cap installed and see where we are at that point. I will keep you posted on any progress.

Thanks agian for all you support!
Was this
answer
helpful?
Yes
No
Wednesday, November 26th, 2008 AT 9:24 PM
Tiny
IMPALASS
  • MECHANIC
  • 3,112 POSTS
Hello -

It is normal to feel a little down - okay - at times just down right bad... But do your best to always see the positive. Keeping positive keeps your mind open to more thoughts and ways to fix instead of giving up.

There have been times I have worked on something all day... After the shower - in bed... Then it has come to me. People will seek you out if you are positive in negative situations.

The fall isn't the problem... It's the recovery... There will always be bumps in the road... The good Lord allows those to make us stronger..... And wiser.....

Believe me, your father-in-law I am sure is watching. If you are steady... Calm as possible and do your best, which gives him a peace you will do the same with his daughter. You and her will have problems too... Are you to give up? Of course not..... You buckle down harder!

Every watched Apollo 13 with Tom Hanks? If not watch it... If so - remember in the one scene where they were going to die due to the lack of breathable air... Meanwhile at Houston the engineers kind of gave up..... The main controller told them they had no option period. They gathered all of the things they would have in the space craft and guess what... Came up with a way! Will it always be that way... No, but give it your best... That is the only thing anyone can ask of you.

Now I take it that is where your soon to be bride is too? When is the big day? How long have you been dating? Is he helping you?

Yes - please keep me posted...

Last thought

"A long while ago, a great warrior faced a situation which made it necessary for him to make a decision which insured his success on the battlefield. He was about to send his armies against a powerful foe, whose men outnumbered his own. He loaded his soldiers into boats, sailed to the enemy's country, unloaded soldiers and equipment, and then gave the order to burn the ships that had carried them. Addressing his men before the first battle, he said, "You see the boats going up in smoke. That means that we cannot leave these shores alive unless we win! We now have no choice"”we win, or we perish! They won. Every person who wins in any undertaking must be willing to burn his ships and cut all sources of retreat. Only by so doing can one be sure of maintaining that state of mind known as a BURNING DESIRE TO WIN, essential to success"

No problem for the support...I'll say a big prayer for ya also.....I didn't realize you had the pressure of it being at the future father -in -laws house!

I hope you and your family have a nice Thanksgiving.
Was this
answer
helpful?
Yes
No
Wednesday, November 26th, 2008 AT 9:56 PM
Tiny
TMAJ9447
  • MEMBER
  • 78 POSTS
First thank you for the encouraging words. It is always good to revieve words of the soul from a brother in christ, greatly appreciated and accepted.

We are getting marride febuaury 21st 2009, not that far away!

Forgive me if missed replying to your response, I am at the Father-in-laws house for Thanksgiving at 5 today so of course I had some time with the car. Here is how it went.

Checked the spark for each cylinder. #1, #2, & #5 no spark. Replaced the spark plug wires, still no spark at #1, #2, #5. Replaced the rotor cap & Rotor still no spark at #1, #2, & #5. Next I installed new ICM, still not spark at #1, #2, & #5. Okay at this point I marked and pulled the distributor and looked at the insides, looked like the little blak thingy had some buildup so I lightly scraped the gunk off. Well that seemed to really do it, now I have no spark on any of the cylinders.
I checked the coil for spark and good news is it seems to snap a spark quite religously. I was thinking of pulling a distributor from the local junk yard, and seeing if we get spark with it. What are your recommendations?
Thank you very much
Was this
answer
helpful?
Yes
No
Friday, November 28th, 2008 AT 2:01 PM
Tiny
IMPALASS
  • MECHANIC
  • 3,112 POSTS
Hello -

You are welcome on the encouraging words. I accepted in Nov 1978. Well you are right, not that far away. What does she do. . ..what do you do. . ...why the 21st of Feb??

Father-in-law. . .is there a mother-in-law too? Hope you all had a great Thanksgiving.

Well okay. . ...more progress. . ...may not be the exact direction we were expecting. . ..but we have progress.

I didn't see any relation to 1,2, or 5. . ...so now who knows, with none of them firing that may be easier.

This black thingy. . ...is this what it looked like?


https://www.2carpros.com/forum/automotive_pictures/248015_2_51.gif



I wouldn't go for the distributor out of the junk yard yet. . ...

Again, is the pic what you scraped off of?
Was this
answer
helpful?
Yes
No
Friday, November 28th, 2008 AT 10:07 PM
Tiny
TMAJ9447
  • MEMBER
  • 78 POSTS
That is great, i accepted in 1997.

She is a manager for a non-profit org for sea turtles, i am an applications engineer (software for civil engineers and surveyors). we picked the 21st because of the weather and a week before we have missionary banquet at the church and a week before that valentines day.

Oh! i did forget to reply from the previous email we have been courting for about 6 years.

Yes there is a mother-in-law as well.

i agree, it is weird about the spark. father in law is discoraged about it. i told him it is an early day today so there is not much we can do until i consult with you about it.

i attached a modification to your picture, the one we have looks more like the one i crosly drew. it parts are all black composite and the grey on the left is a magnet. On the right it is shaped more like a rectangle made of composite material, with the not grey little area at the top appearing to be metal or a magnet. i noticed the general "idea" of the picture you posted and the one i modifiied the concept is the same. the outer part on the left of the pict with the wires is on the outer edge of the distributor and the bigger one is toward the center of the distibutor.

What's your thought's?


https://www.2carpros.com/forum/automotive_pictures/274780_untitled_1.jpg

Was this
answer
helpful?
Yes
No
Friday, November 28th, 2008 AT 10:39 PM
Tiny
IMPALASS
  • MECHANIC
  • 3,112 POSTS
Hello -

Congrats on the acceptance... And your future bride? When did she?

Okay on the 21st.....I was just wondering the significance of the date.

Six years..... Wow..... Why so long? Did you ask her fathers permission to marry her?

How are you and the mother-in-law... Close also?

Father-in-law discouraged... Is this because he wants it out of his garage?(LOL) or because he has been working on this with you?

The positive..... Gives you and him more time together to grow closer working on this. In His time it will start.

My thoughts... You cleaned off the Hall Effect Pick up. The Profile Ignition Pickup (PIP) signal is created in the Hall Effect and Stator assembly and indicates crankshaft position and engine rpm. The PIP signal is fed to both the Thick Film Integrated (TFI-IV) module and the Electronic Control Assembly (ECA).

Now - see what you think... It some were working before and now nothing and the only thing you did was on this... My thought; replace the pick up coil.....

Well, do you feel up to taking the distributor apart? Verify, but from what I see Auto Zone has the Hall Effect Pick Up for about $20 beans.....

I have attached info on replacing it.......

I don't like, this is me, others have their own thoughts.....I don't like getting electrical parts from the junk yards... You don't know the history...A non electrical part... Say.....A seat... You can look at it, touch it see if it works....... Not an electrical part.

What to you think....... Maybe the Hall Effect?

For me..... After working on something - right prior to turning the key...A prayer is said...

Thanks for the donation

Please let us know if what the final fix was for your car so we can better assist others. Thanks!

Find a car repair manual for your car repair questions.

REMOVAL

NOTE: Do not replace stator without an arbor press.

Use a screwdriver to remove distributor cap. Position cap and wires to prevent interference with work area. Remove distributor harness connector.
Remove distributor from block, then remove rotor. Next, hold gear to loosen armature screws (Do not hold armature). Finally, remove armature.
Mark armature and gear to note orientation with felt tip pen. Remove and discard pin in gear.
Invert distributor and place in Axle Bearing/Seal Plate T75L-1165-B or equivalent, and press off gear using Bearing removal tool D84L-950-A or equivalent.
Deburr and polish shaft with emery paper and clean cloth so shaft slides out freely from distributor base.
Remove shaft assembly, stator assembly screws, and stator assembly.
Inspect base bushing for wear or signs of excess heat. Replace distributor assembly if damaged.
Inspect base and O-ring for cuts, cracks, wear or damage. Replace if necessary.

INSTALLATION

Place stator assembly over bushing and press down to seat.
Place stator connector in position. Fit tab in notch on base and align fastening eyelets with screw holes. NOTE: Prevent wires from interfering with moving parts.
Install and tighten stator screws 15-35 lb-in.
Apply a light coat of engine oil to distributor shaft below armature and insert shaft through base bushing. Place a 1/2 inch deep well socket over shaft, invert and place on arbor plate.
Place distributor gear on shaft end. Line up the mark on armature and gear. To ensure ease of roll pin insertion, the hole in the shaft and gear must be lined up as accurately as possible.
Place a 5/8 inch deep well socket over the shaft and gear and press gear to align with original drill hole. If the gear holes do not align, the gear must be removed and repressed. A drift punch will not align the holes.
Insert new roll pin through gear and shaft (Ensure pin has proper extrusion). Replace armature and tighten screws to 25-35 lb-in.
Check distributor for free movement over full rotation of shaft. If armature contacts the stator, replace the entire distributor.
Install distributor into block and connect module to wiring harness. Replace rotor, cap and screws, and set engine timing.
Was this
answer
helpful?
Yes
No
Friday, November 28th, 2008 AT 11:41 PM
Tiny
TMAJ9447
  • MEMBER
  • 78 POSTS
Hello,

my bride to be accepted as a child. There is really no significance to the date just picked one. :)

Yes it is a long time, although it is mostly my doing since I was married before to a woman that took me for everything, so it has taken me about 10 yrs to get my affairs in order. I wanted to get any previous debt taken care of before we marry.

Yes, the mother-in-law an I are close as well. They both love me very much and have been blessed in many ways from the Lord through my hands.

Father-in-law feels really bad about all the days and time that I have spent working on his car. He knows that I work hard long hours for a living.

The Results of Today;
i replaced the Pick up coil per your recommendation and instructions. Gave thanks to God for the car repair, started car and brought car up to temp, checked timing, was about 12 degrees, set it to 10, tightend distributor nut, shut car off. Pluged back in the little grey connector (not sure what it is called) but I know you have to unplug it to set the timing. Toped off radiator fluid, changed oil and filter, then took father-in-law for a ride 2 mile ride.
I noticed there being what sounds like octane griggle when excellerating rapidly, which seemed to get less toward our return home. Engine felt soild and idles like a kitten.

What do you think, maybe some oct booster or fresh gas?
Was this
answer
helpful?
Yes
No
Saturday, November 29th, 2008 AT 9:33 PM
Tiny
IMPALASS
  • MECHANIC
  • 3,112 POSTS
Hello -

That's great she accepted as a child. . ...

Great idea to get the past in order before starting new. . ...I did the same. You carry emotional baggage anyway. . ..the less external, debts etc, the better.

My thoughts, he may feel bad. . ..but you both have gained so much. . .wow. . ...you will never imagine. . .the time together. . ..the mutual respect. . ..the kindness and respect you have shown him in this will build his confidence that you will do the same with his daughter. Also, with your future bride. . ..I am sure it makes her feel closer to you that you respect and do this for her parents when you don't need to.

Well praise the Lord! In His time.

Well, let's review just a couple of things so we are still on the same page.

Once you plugged the shorting plug or the single wire in-line Spark Output (SPOUT) connecter near the distributor, when you would increase the RPM, the timing did advance a little didn't it?

Okay - help me out with the term "octane griggle." Is this like a ping, knock, hesitation on acceleration?

Good heat from the heater inside the car? Kind of matches the temp on the car gauge? What I am looking for here is there seems to be a lot of posts/questions about no heat after maintenance. 99% have been due to air in the system.

You did use the green Prestone - not the Dex-Cool. . ...If you have anything with Dex-cool in it flush it and go with the green Prestone. The Dex-Cool seems to cause gasket deterioration and builds thick debris that plugs radiators, heater cores etc.

For me - I would give it a once over. . ..checking for any leaks, loose connections, wire or cable routing. . ..just a general gee-wiz look over for the obvious.

Run a couple of tanks through with BG-44K. One can per tank of gas. A little pricey but well worth a good fuel system cleaner. Any time I am planning on going on a trip where I am going to run the vehicle about 70mph for a long period of time, I will grab a couple of cans and put one in at the beginning of the trip and one for on the way home. Then for general maintenance, about once a quarter I run a can through.

Might be a good idea like you said, to run a tank of high octane through. . ...

I know you changed the fuel pump - but my scan through the info I didn't see a fuel filter changed. I definitely would that.

Also - does the AC work on this car?
Does the radiator cooling fan work properly. . .. . .when you turn the AC on the radiator cooling fan comes on instantly?

What caused you to have to change the head gaskets to start with?? Did it get to hot or what originally caused this problem in the first place? We want to make sure we take care of that to prevent this in the future.

Runs like a kitten. . ..that's what you want to hear! You did a fantastic job. . ..time to praise the Lord for the talent He provided you.

Okay - one other thing to check on. Looks like you may have some recalls on your vehicle. The dealer may fix these for free. Please contact the dealer service department, give them the VIN number of your car and have them check on these to see if they apply to you. I put those at the bottom for you to refer to.

Well, let me know any updates on the above - and this will be closed.

Again, great job - you should feel proud of your accomplishment.


https://www.2carpros.com/forum/automotive_pictures/248015_Picture13_5.jpg




https://www.2carpros.com/forum/automotive_pictures/248015_Picture14_5.jpg




https://www.2carpros.com/forum/automotive_pictures/248015_Picture15_5.jpg

Was this
answer
helpful?
Yes
No
Saturday, November 29th, 2008 AT 10:52 PM
Tiny
TMAJ9447
  • MEMBER
  • 78 POSTS
Hello,

First I give thanks to the Lord! (Phil 4:13) and thanky uo so much for all your support and patience.

I am not sure if the timming advanced some after I plugged in the spout connector. I just followed the timing steps per the hanes manual. Should I re-check the timing to see what is, what should it be after the spout connector is plugged in?

I would say the octane girggle, I would say it sounds more like diesling when heavy acceleration. If I stomp on it the sounds starts and then slowly goes away, then once the car shifts, I hear it again then it slowly dissapears as the rpms top out before the car shifts into the next gear. Normal driving conditions it this sound is not present.

The heater works fine (previously replace with a copper one by me) the a/c is ice cold (previously redone by my brother and i). OH yes, prestone green antifreeze.

What is BG-44K, where can I get it?

Oh the fun with the fuel pump, I am wondering if our old one is still good. Lol now that we found the pickup coil to be the culprit. Yes the filter was also changed and a new strainer put on the pump.

Did not check the cooling fan, I did keep my eye on the temp which ran a little below half between hot and cold.

Yes I am so thankful, this is a conformation to what God is doing in my life, I need to learn that when a seed is planted, I have to work and wait for his time before I can reap the fruits. Recently my pastor told me that when you plant a seed of corn, you can not go out the next day and pick corn you have to wait for it to grow. This car repair is a perfect example of that, I got to meet you and that I am thankful for as well.

He said that the he saw a puff of smoke and the car stopped running. During this repair I found that the intake manifold had "self repiaired" so I asked aboit it and it seems that the local mechanic put some stop leak in the car :(. I also found that the thermostat was gummed up with RTV sealant. Water pump hose was swolen, and the housing for the termostat looked like it had discoloration.

Things I replaced not mentioned;
thermostat housing and thermostat
Intake manifold from junk yard
water pump hose
flushed the radiator

Sorry I did not mention yeasterday, once we were able to drive it up on the ramps to change the oil. Father-in-Law changed the oild and filter while I fixed one little coolant leak at the intake manifold and routed all the spark plug wires and put them in the little brackets that keep them tidy.

Last note, I really had to read the parts closely to find the failure in the gasket, it was barely noticeable I found it by the block having a clean spot between cylinder 1 & 2, then really closely looking at the gasket. This made it challenging because I have done this repair before on a 4 cylinder which when the head came off, it was very obvious - man I need a new gasket. Lol.

Any other things I should recheck?
I can never thank you enough for the blessing you have been!
Was this
answer
helpful?
Yes
No
Sunday, November 30th, 2008 AT 6:38 PM
Tiny
IMPALASS
  • MECHANIC
  • 3,112 POSTS
Hello -

As for the timing advance. . ..you can look at it with the light. It should be 10 degrees like you set it. . ..then with a little throttle it should move up a little showing the advance is working.

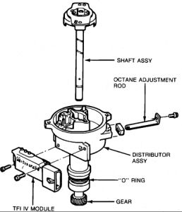
My only thought there is the "dieseling" as you describe. . .that is timing. . .so there the advance and on the side of the distributor is the octane adjustment rod. So just things going through my head.


https://www.2carpros.com/forum/automotive_pictures/248015_42298837_1.jpg



So again. . .it isn't a ping, or knock. . ..is it a hesitation. . .or like a lack of fuel. . .. . .I am sorry. . ..can you describe it any other way?

Normal conditions the car is fine. . ..so that is good. . .. . ...

Okay on the heater. . ..Prestone. . .

The BG-44K - fuel injector cleaner. . ..I have attached the web site for your review http://www.bgprod.com/products/fuelair.html and at the bottom of it you will see BG Find A Shop click on that and enter your zip and you should be able to see the nearest distributor of it.

It seems like the cooling fan is okay. . ..if you want. . ..do a quick spot check. . .AC all off. . .start car. . ...when fan is not on. . ..turn AC on and fan should automatically come on.

I would hang on to the old one. I use one to test fuel pumps. Not to long ago I had a Chevy Tahoe stop about 75 yards away. I grabbed a gas container, my fuel pump and of course a fire extinguisher and went to the truck. I removed the valve stem from the fuel rail and jammed the out end of the pump to that. I put the inlet side into the gas container and put that on the fender. . ...braced of course. . ...( I wouldn't want it to fall off as the fire department was hosing down the Tahoe ) Put the negative end of the fuel pump on the battery, gave the fire extinguisher to the young college guy and said, okay, when I get in your truck, you connect the positive lead. If you see a fire. . ...use it. . ..otherwise. . ...stay clear so I can pull this into the garage. Got in. . .turned the key on. . ...gave him the okay, my spare pump started pumping. . ...I turned the key. . ..it started right up. . ...drove it right into the garage like nothing was even wrong with it. So. . ...I would hang on to it. . ...and. . ...with 127K on it. . .you performed what I call, preventative maintenance. He would have had a fuel pump problem sometime. . .and who knows. . ...it may have had some to do with the problem. . .. . .. . .so good on ya.

Good on you for replacing all the other things. . .. . .thermostat housing etc. . ...

Well you are certainly a detail person and seem meticulous. . ...finding the fail in the gasket. . ..etc.

Yes. . ..all this did not happen for no reason. If you would like - I have attached a pic. . ..under my name is PM. . ..this is Private Message which only comes to me. . .not open to all on the post. If you would like go there and send me your email address. . ..I would like to see how you and the new wife are doing. Also, please give my best to your future in-laws and your future bride.


https://www.2carpros.com/forum/automotive_pictures/248015_Picture11_6.jpg



Also in that same are feel free to provide some feedback on your service if you would like.

It has been a great journey with you on this. Thank you for the opportunity and also your patience in doing all the checks and work and being so detailed back. That is a huge help. As you know, it is rather difficult to not be able to be there to touch, see, feel it do or not do, listen to it, smell what is going on. . ..all the senses used in working on something. You were those senses and that together. . ...and of course. . ..through Him got this running.

Your father-in-law and you will be closer I am sure. . ...

After the higher octane fuel and the BG and driving it for a little bit. . .if the problem is still going on then let me know and we will do some more checks.

Great job. . .. . ...thanks for the journey. . .. . .. . .. . ..my best wishes to you and your family.

Feel free to use us in the future
Was this
answer
helpful?
Yes
No
Sunday, November 30th, 2008 AT 11:04 PM
Tiny
TMAJ9447
  • MEMBER
  • 78 POSTS
Hello,

i did read about the octane rod in the hanes manual. Well so much for being detailed. Lol I have been so happy with the car running I overlooked what that thing does, is there an adjustment?

That is a great sotry about the fuel pump, I surely am hanging on to ours, plus those pumps come pretty pricy.

I agree, the sences play a big part in any diagnosis. I spent a lot of time listening, feeling and smelling. It is funny the father-in-law had mentioned to me, "you can tell there was a problem there because of the smell?". Lol

it is very hard for me to diagnose a software problem over the phone or via email. I at least have the benefit of of having the software at home to work with and test.

Thank you so much for everything you have been a great help and blessing, best wishes to you and yours.

See you in PM!
Was this
answer
helpful?
Yes
No
Monday, December 1st, 2008 AT 7:14 PM
Tiny
IMPALASS
  • MECHANIC
  • 3,112 POSTS
Hello - tmaj9447

I have attached info on the rod. . ...I wouldn't replace it right away. . ...nothing really changed with the car other than replacing the head gasket. So I would wait just a little bit. Run a couple of tanks of fuel through. . ...put some of that BG-44K in a couple and see how it does.

You are very welcome -

Tell your friends (and enemies - they need to drive too) about us - of course let them know about the donations are appreciated.

It's been fun. . ...glad the car is running. . ...best wishes to your future in-laws. . ..and of course to you and your bride to be!

God Bless


https://www.2carpros.com/forum/automotive_pictures/248015_42298837_2.jpg



The octane rod adds a provision for a fixed octane adjustment. The adjustment is done by replacing the standard zero-degree rod located in the distributor bowl with a three degree or six degree retard rod. This is done only if the engine is experiencing a pinging or engine knocking condition and can not be repaired with the conventional methods (timing adjusted, proper operating temperature, higher gasoline octane rating....etc).
Was this
answer
helpful?
Yes
No
Monday, December 1st, 2008 AT 8:00 PM

Please login or register to post a reply.