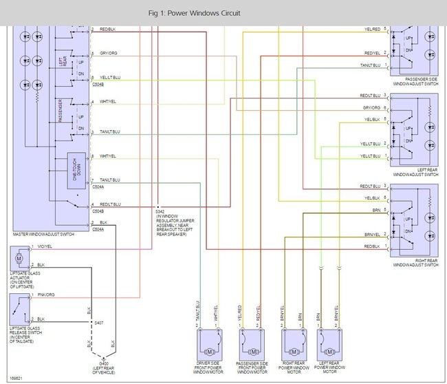
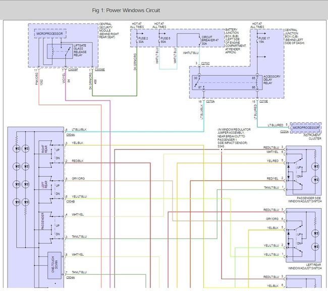
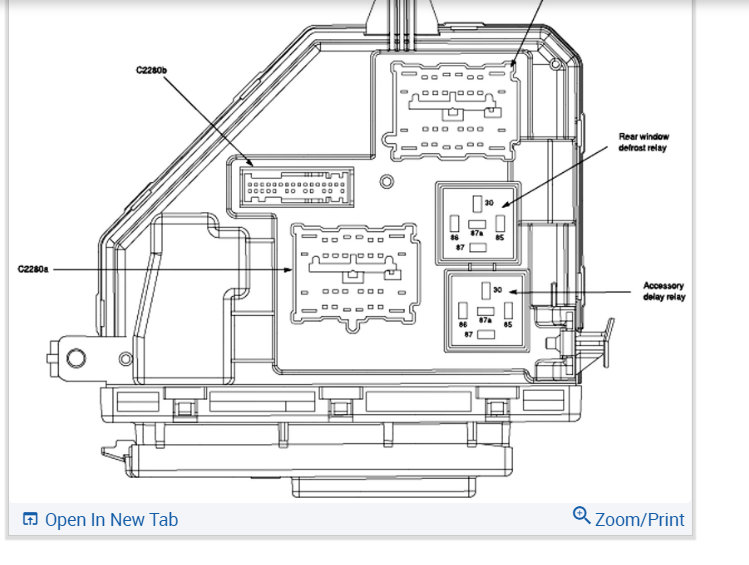
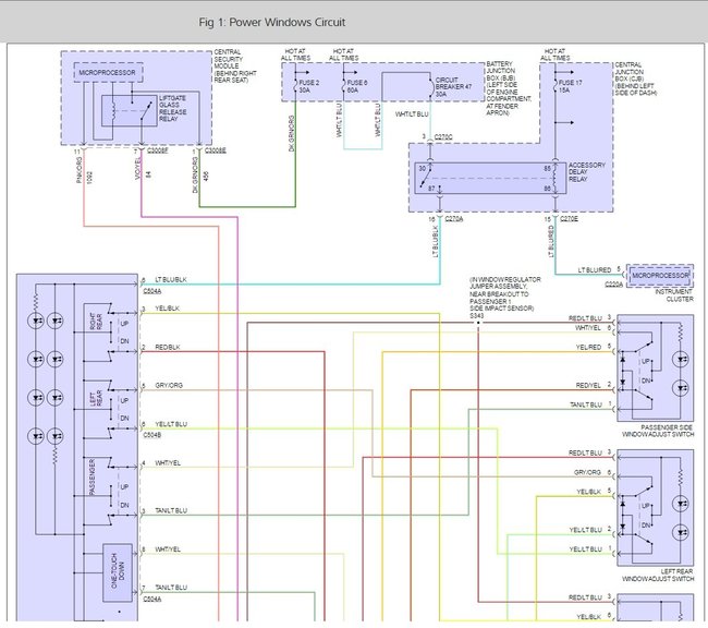
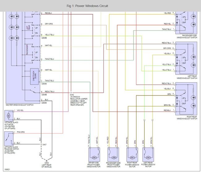
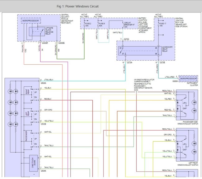
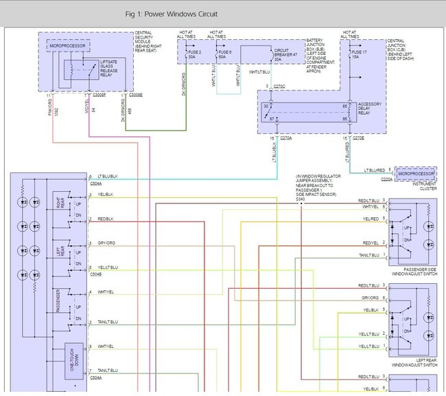
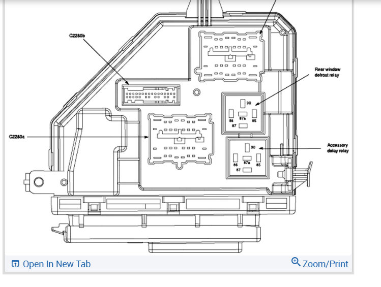
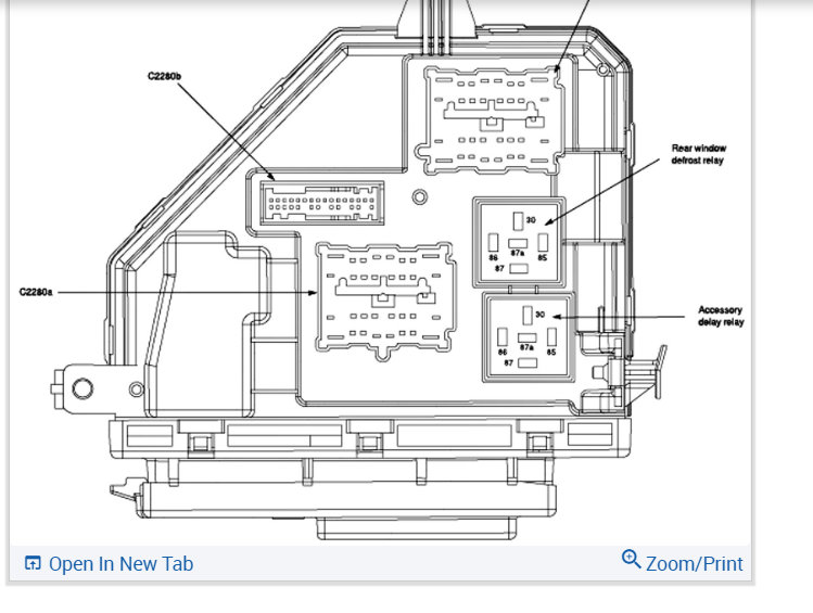
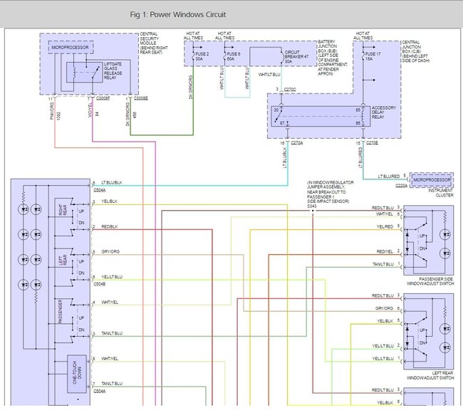
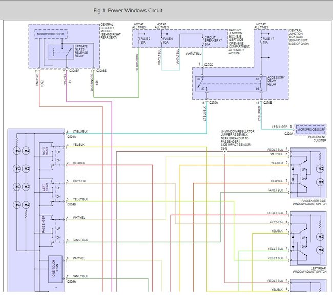
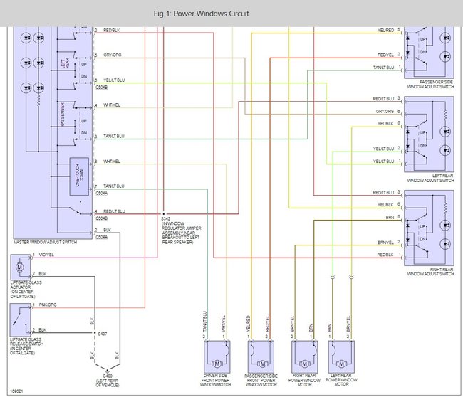
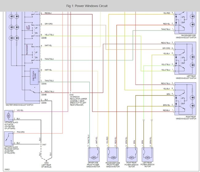
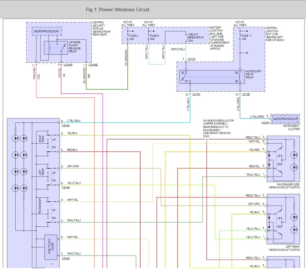
The back left side window will not go down... All other windows work using either the main window console on the driver door or the switch at the door itself. Only the back left window will not go down by using either switch..main console on driver's door or switch at the door. Could possible issue be fuse, relay, motor or electrical connection?
Jun 13, 2008 at 8:03 PM












