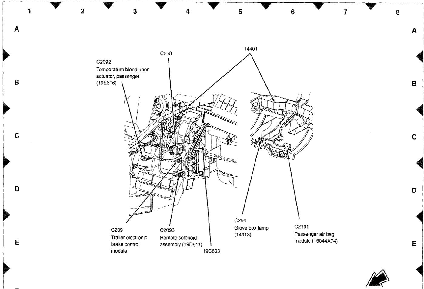
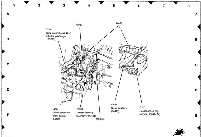
Blend door actuator location

Tiny
MJM66
  • MEMBER
  • 2004 MERCURY MOUNTAINEER
I bought in Oct '08. Heat worked perfect last winter. Had freon added late spring cause it was not blowing cold air. Now I set temperature to 90 and still blows cold. All vents seem to work, defrosters work, low to high speeds of blowers work, but just cold air.
Thursday, October 15th, 2009 AT 4:58 PM

5 Replies

Tiny
RICKMAR
  • MECHANIC
  • 170 POSTS
Hi MJM66;

Unfortunately you could possibly have a problem with your blend door actuator.
(The door is not moving in the direction to allow the air from the heater core to enter).
I has been a long time issue with both Explorers and Mountaineers. I do not know why Ford/Lincoln/Mercury has not resolved the issue over the years.
It is very expensive to repair, not for the needed replacement part but for the labor involved.
($1000 - $1200) - It is ridiculous but "absolutely" true. It is a "BIG" job.

There "is" a short cut which involves cutting a hole in your heater core box to gain access to the blend door actuator. If it was me I would do it without a doubt as long as I had a warm & dry place to do the work. As usual the cold weather is here and it is the time for all the B.S. To take place. If you are not subjected to the winter conditions or do not mind the harsh conditions and you are interested in the "quick fix" just let me know and I will get the information to you.
Sorry for the bad news.
Rick
Was this
answer
helpful?
Yes
No
-1
Sunday, November 15th, 2009 AT 11:09 AM
Tiny
BURDETTE0806
  • MEMBER
  • 1 POST
Need help with your cheap fix
Was this
answer
helpful?
Yes
No
+4
Wednesday, January 7th, 2015 AT 6:43 AM
Tiny
KEN L
  • MASTER CERTIFIED MECHANIC
  • 55,281 POSTS
There is no quick fix for this problem and you cannot cut a hole in the heater box to make the job easier. Here is how the job is done.

https://www.2carpros.com/articles/replace-blend-door-motor

Here is how it is done on your car

Check out the diagrams (Below)

Please let us know if you need anything else to get the problem fixed.

Cheers, Ken
Was this
answer
helpful?
Yes
No
Thursday, December 28th, 2017 AT 2:47 PM
Tiny
SCRAPMANSTER
  • MEMBER
  • 1 POST
  • 2003 MERCURY MOUNTAINEER
  • 6 CYL
  • 2WD
  • AUTOMATIC
Where is location of a/c heat actuator?
Was this
answer
helpful?
Yes
No
-2
Tuesday, September 24th, 2019 AT 8:28 PM (Merged)
Tiny
MERLIN2021
  • MECHANIC
  • 17,250 POSTS
Are you talking about the temperature blend door actuator? Is it dual zone? The LH actuator is as shown in the picture below and can be done like this:
Actuator can be removed without removal of instrument panel. Remove console and the lower
steering column cover. Then remove in sequence shown in picture. Upper bolt can be
accessed through a hole just below, and to the right of column
Was this
answer
helpful?
Yes
No
+5
Tuesday, September 24th, 2019 AT 8:28 PM (Merged)

Please login or register to post a reply.