4 cyl Two Wheel Drive Automatic 139400 miles
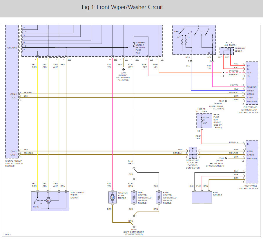
hi , my 99 c230 wiper goes halfway, stalls and then completed cycle at a very low speed how can i tell if it is the windshield wiper linkage (gearing) or the wiper motor that is causing the problem?
hi , my 99 c230 wiper goes halfway, stalls and then completed cycle at a very low speed how can i tell if it is the windshield wiper linkage (gearing) or the wiper motor that is causing the problem?
Feb 3, 2010 at 12:08 PM























