Friday, December 14th, 2007 AT 2:35 PM
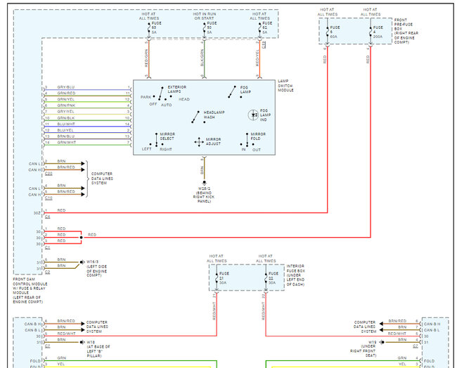
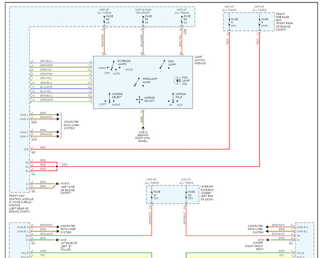
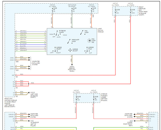
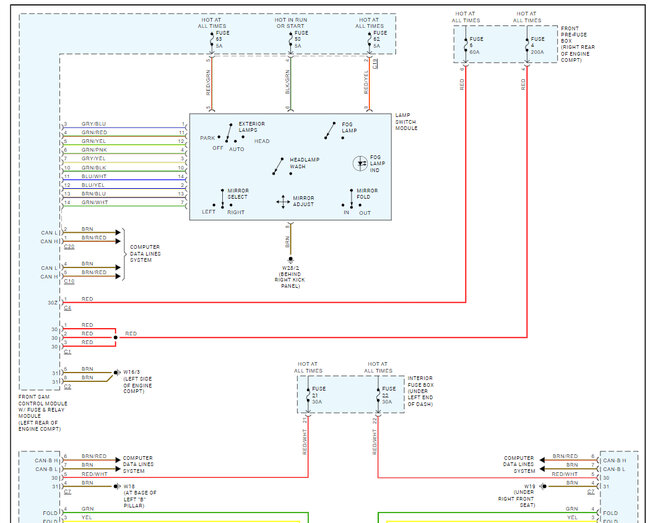
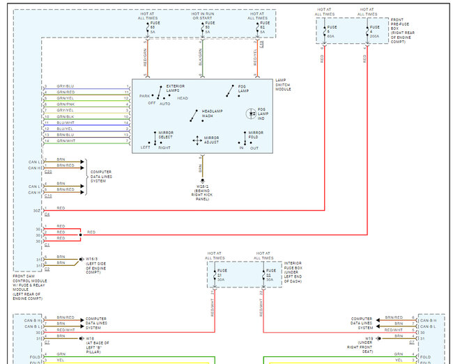
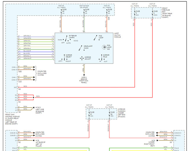
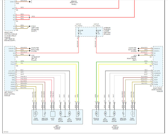
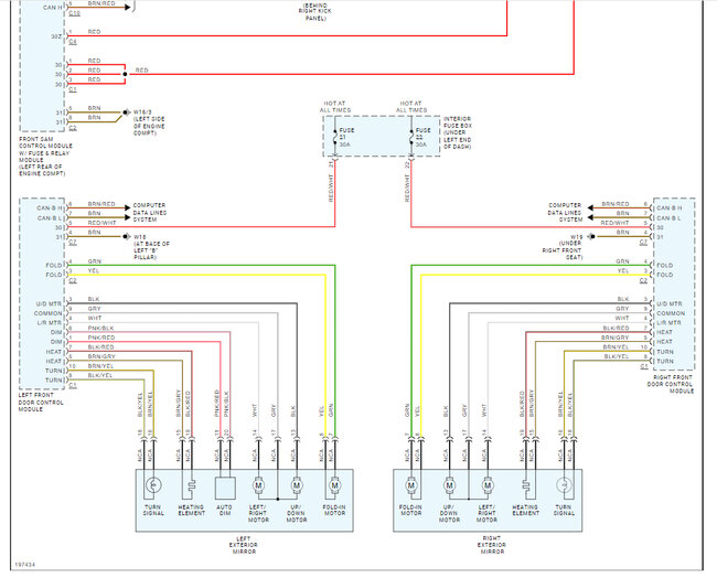
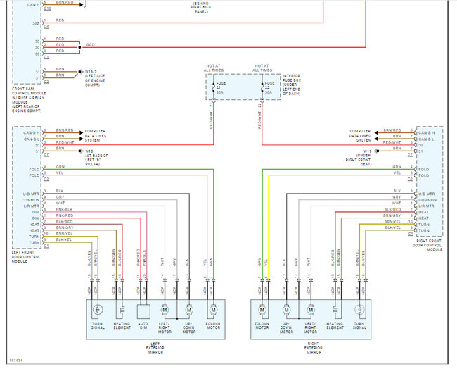
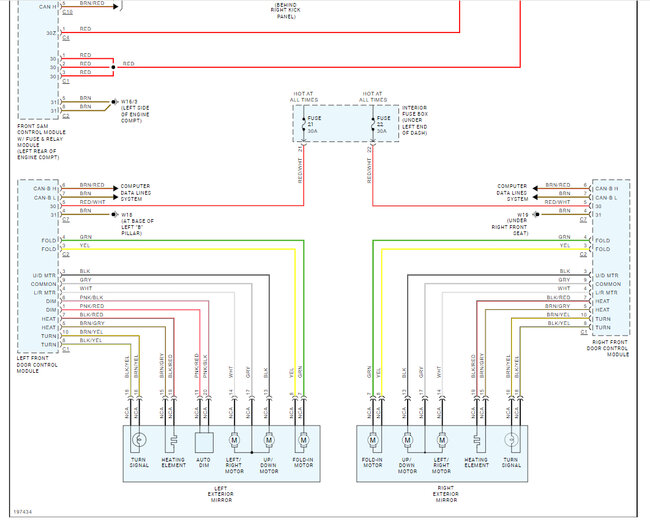
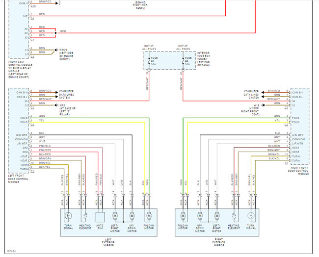
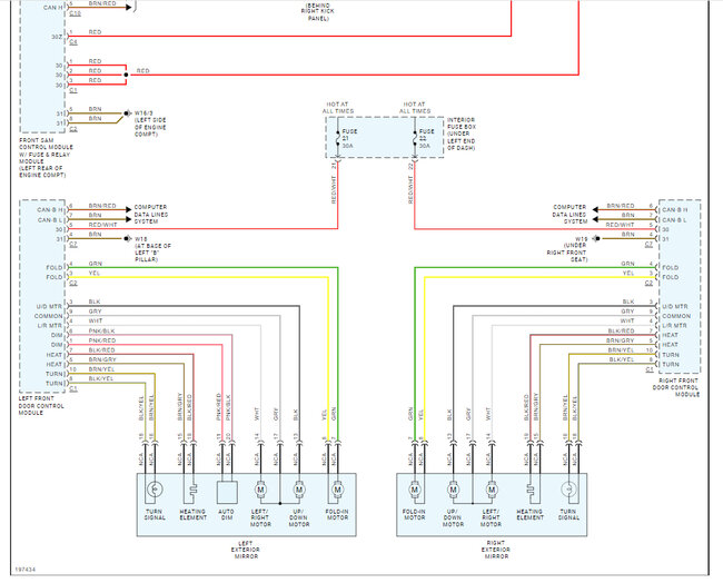
Passenger side mirror power remote works for up/down adjustment only - not left/right adjustment. Is it a electrical or mechanical problem? How to fix it?




