1995 Mercedes Benz C220 water pump replacement

Tiny
DOMCAVILHAS
  • MEMBER
  • 1995 MERCEDES BENZ C220
  • 4 CYL
  • 2WD
  • AUTOMATIC
  • 160,000 MILES
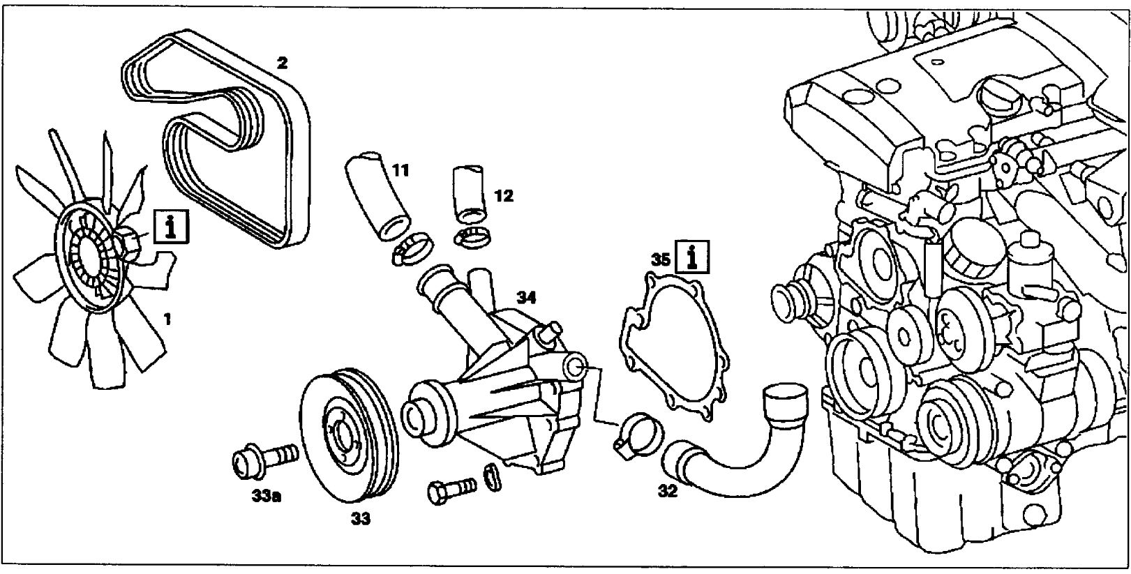
Water pump replacement diagram
Monday, May 24th, 2010 AT 6:19 AM

1 Reply

Tiny
BLUELIGHTNIN6
  • MECHANIC
  • 16,542 POSTS
Heres a guide on replacing a water pump, not vehicle specific but it will give you some guidance

https://www.2carpros.com/articles/water-pump-replacement

1 Remove viscous fan clutch (1)
- Engines with viscous fan clutch

NOTE: Left-handed thread

2 Drain coolant
- Radiator and crankcase.

3 Disconnect coolant hoses (11, 12 and 32)
- Check condition of engine coolant hoses and hose clamps and replace if necessary.

4 Loosen combined bolts and washers (33a) on belt pulley (33)
5 Remove poly V-belt (2)
6 Unscrew and remove engine coolant pump belt pulley (33)
7 Unscrew and remove engine coolant pump (34)

NOTE:
- The engine coolant pump of engines 111.943/944/973/975 with compressor is extended by 29.5 mm
- Installation: Clean sealing surfaces. Engine coolant pumps which were originally sealed with liquid sealant can be sealed with liquid sealant or a paper gasket (35) in the case of repair.

8 Install in reverse order
9 Check cooling system for leaks.

See the diagram below
Was this
answer
helpful?
Yes
No
Monday, May 24th, 2010 AT 4:35 PM

Please login or register to post a reply.

Related Water Pump Replace/Remove Content

Water Pump Replacement
VIDEO