The electric tilt wheel and pedal adjustment quit working

Tiny
BRADENRACING23
  • MEMBER
  • 2013 CADILLAC ESCALADE
  • 6.2L
  • V8
  • 2WD
  • AUTOMATIC
  • 75,000 MILES
Is this likely the power control module PN 20870473?
Sunday, November 24th, 2019 AT 5:41 PM

3 Replies

Tiny
KASEKENNY
  • MECHANIC
  • 18,907 POSTS
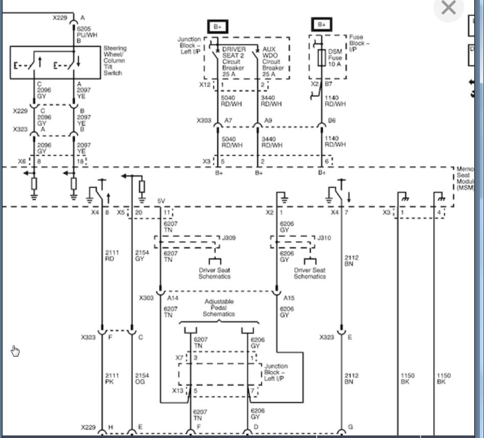
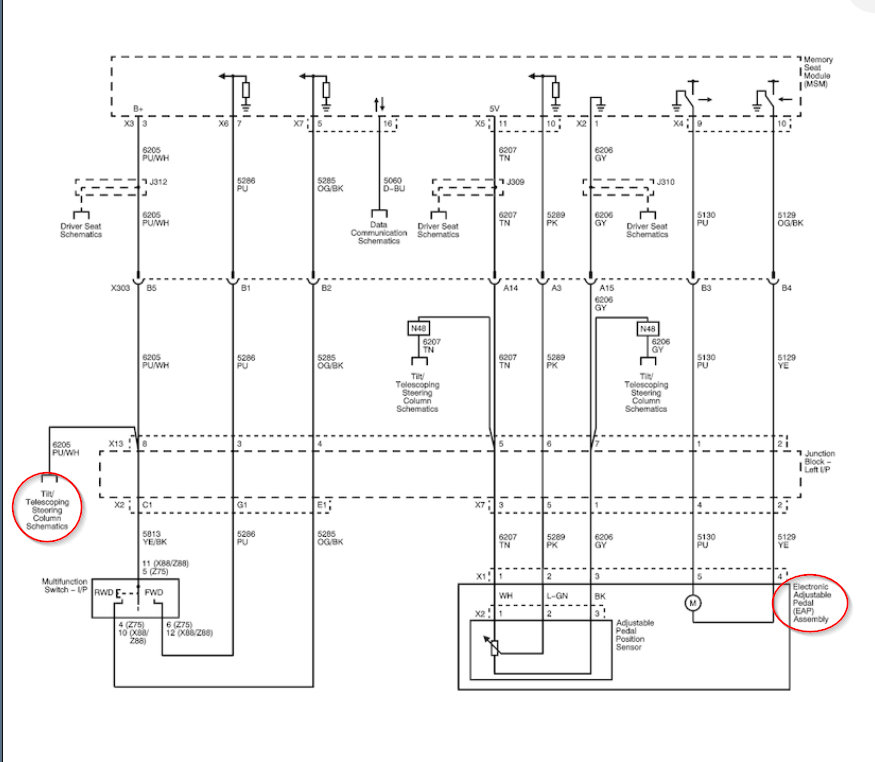
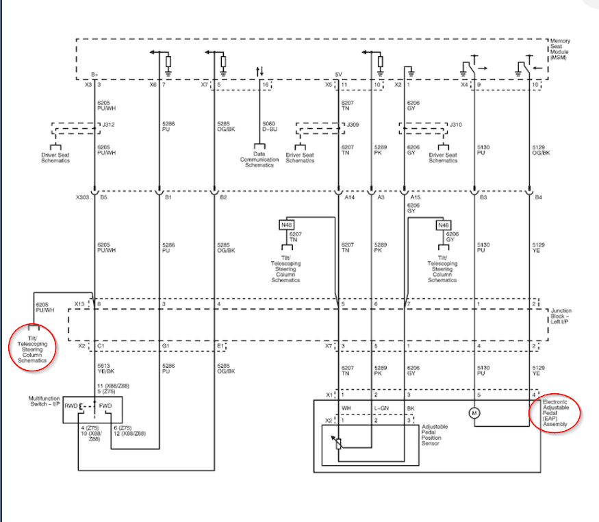
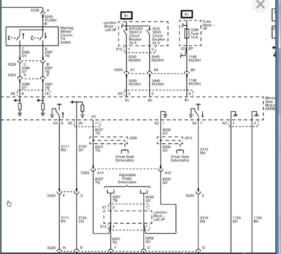
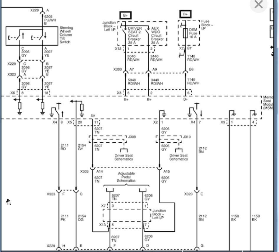
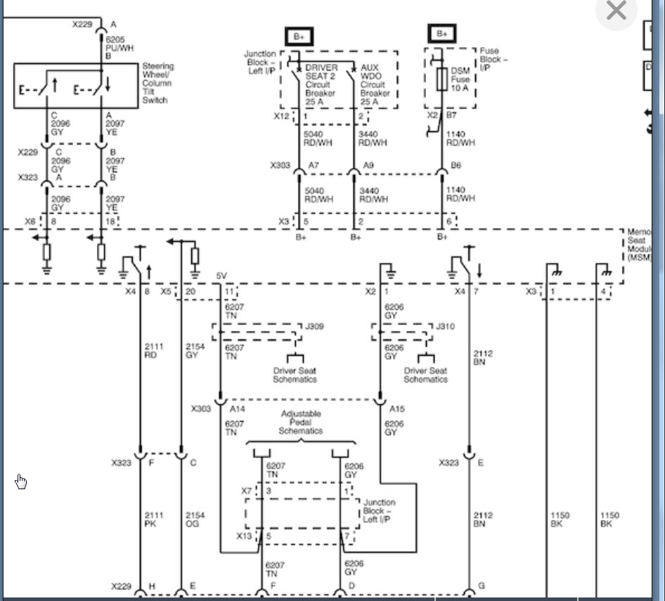
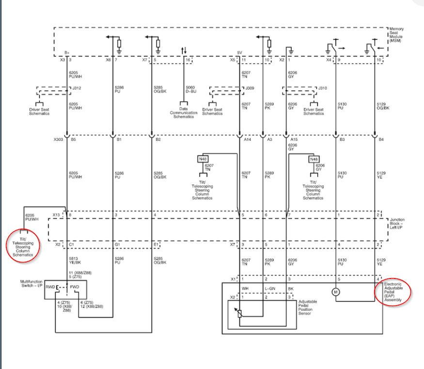
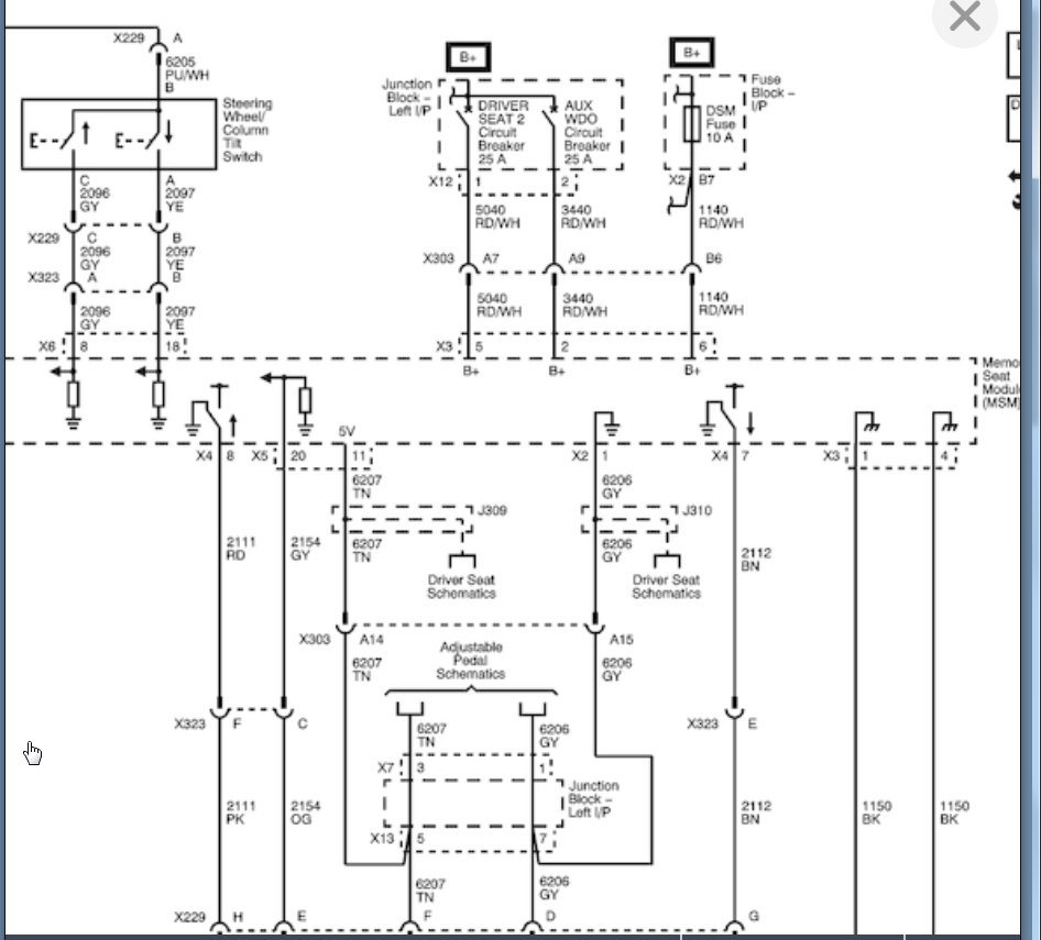
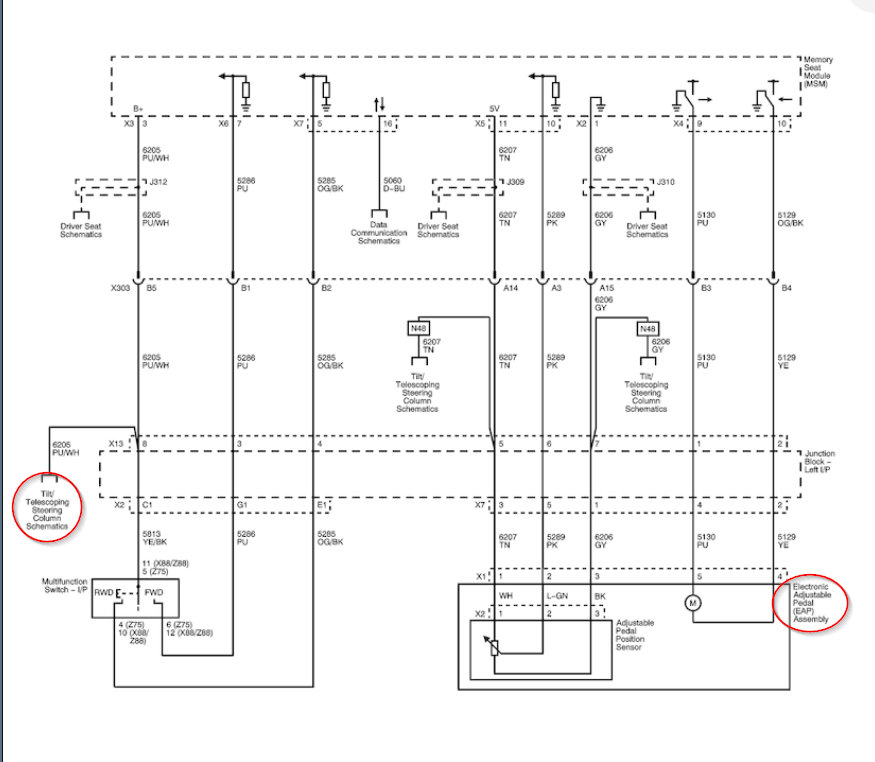
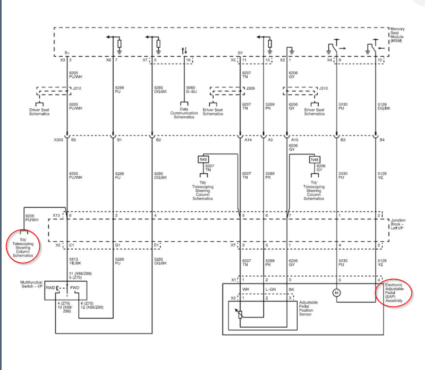
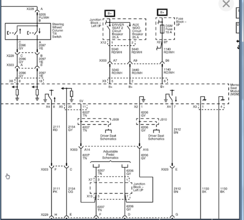
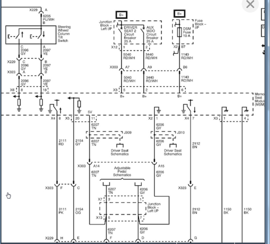
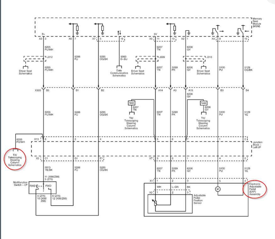
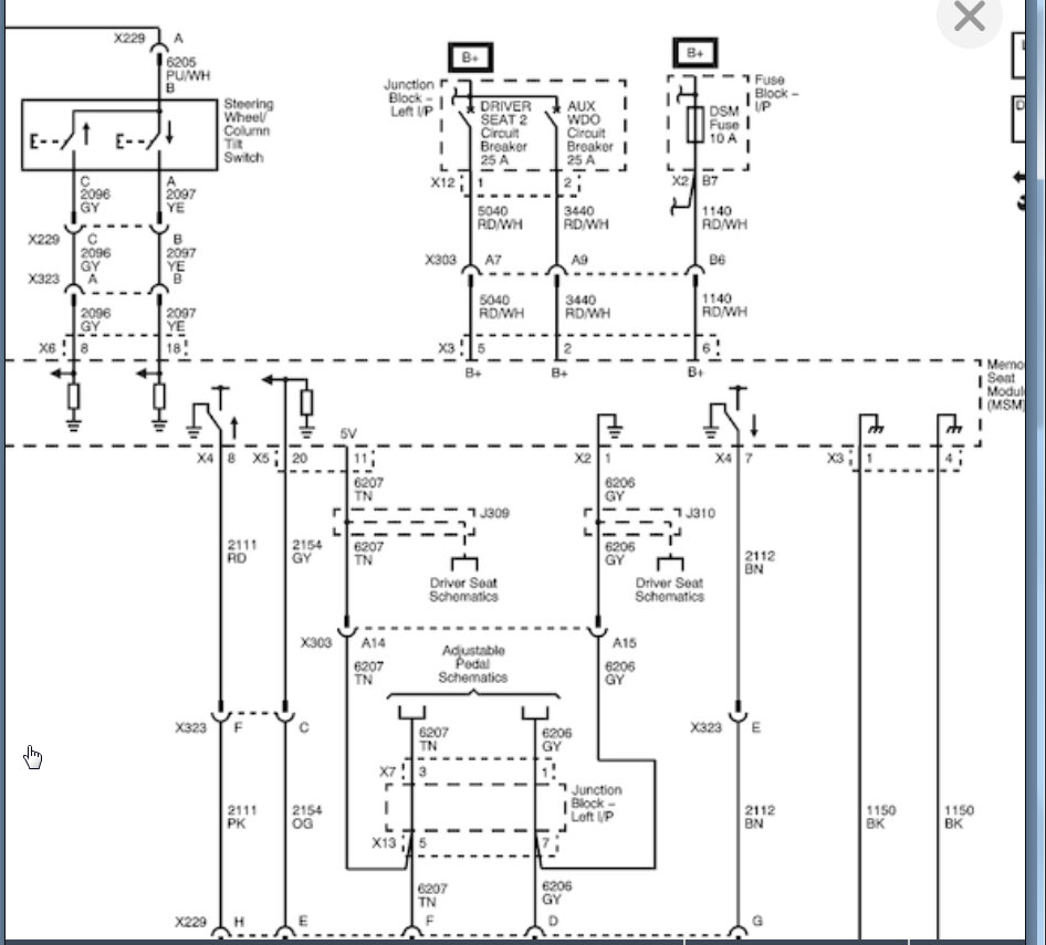
I would assume that the memory seat module is the issue. According both wiring diagrams the MSM controls both functions. So I would probably go ahead and replace this unless you want to check voltage coming out of the MSM to each function.

Let me know what happens but I would be surprised if this is not the issue.
Was this
answer
helpful?
Yes
No
Sunday, November 24th, 2019 AT 6:58 PM
Tiny
BRADENRACING23
  • MEMBER
  • 2 POSTS
Replacing the module fixed the issue. I did have to get it programmed after install.
Was this
answer
helpful?
Yes
No
Monday, January 27th, 2020 AT 7:43 AM
Tiny
KASEKENNY
  • MECHANIC
  • 18,907 POSTS
Great news. Thanks for the update. I am sure that info will help others. Also the fact that it requires programming. That is great information. Thanks and come back to 2CarPros in the future if you need assistance.
Was this
answer
helpful?
Yes
No
Monday, January 27th, 2020 AT 7:15 PM

Please login or register to post a reply.