Carburetor question, truck will not exceed 4,000 RPM in fifth gear

Tiny
R90BARON
  • MEMBER
  • 1987 MAZDA TRUCK
I have a 1986 Mazda B2000 and an 1987 B2200. Both trucks have been modified with Weber 2bbl carburetors and header exhaust. The 1986 had approximately 120,000 on the engine when mods made. Mileage went up to 27-30 mpg at 70 mph and top speed to 97 mph. 1987 truck had mods made when engine was rebuilt. With 20,000 on new engine, mileage remains around 23 mpg. Top end is about 83 mph, and truck will not surpass 4,000 rpm in fifth gear. Why such a difference? Annoying as the 1987 is the one I've sunk the restoration money into.
Also, any Mazda B-series clubs out there?
Thanks.
Sunday, February 18th, 2007 AT 7:36 PM

4 Replies

Tiny
R90BARON
  • MEMBER
  • 1 POST
Both the 1986 B2000 and the 1987 B2200 have the same gear ratios according to my repair manual and the owner's manual. The 1986 had the carburetor and header mods in early 2000, and showed a very noticeable improvement. Engine had 130.000 miles at the time. Now has 190,000 miles on engine, biggest problem is occasional carburetor icing.
1987 B2200 was intended to replace Ol' Reliable. Engine was professionally rebuilt 20,000 miles ago and carburetor and headers installed at that time. Emissions plumbing has been recently removed as an experiment, but mileage hasn't improved, nor has top speed. Town mpg is 19-20 and highway is 23 compared to 25 and 30 for the older truck. B2200 will not exceed 4,000 rpm in 5th gear. Thanks,
Will
Was this
answer
helpful?
Yes
No
Thursday, February 22nd, 2007 AT 8:11 AM
Tiny
HELLCAT18
  • MEMBER
  • 21 POSTS
First of all, are you looking at the gauges when you say that it won't go above 4000 in 5th gear? If you are, that's a mistake. You may not believe it, but the tachometer is somehow linked to your truck's vacuum system. Secondly, the Mazda b-series truck's numbers actually refer to the size of the engine up until the late 1990's(b2000 had the 2.0, b2200 had the 2.2 and so on) Have the vacuum and emissions controls re-installed, checking for gravel or dead bug parts in the vacuum pots and such. After they are replaced, watch the tachometer when you start the truck and rev it at idle
. You should see a difference.
Was this
answer
helpful?
Yes
No
+1
Friday, March 30th, 2007 AT 5:45 AM
Tiny
ASEMASTER6371
  • MECHANIC
  • 52,796 POSTS
Good morning,

My first thought is the carburetor itself. You may have different jets in the carburetor that allow less fuel than the other carburetor.

As far as the mileage goes, depends on the cam, timing and the rest of the truck such as transmission and differential ratios.

Roy
Was this
answer
helpful?
Yes
No
Thursday, March 26th, 2020 AT 8:06 AM
Tiny
KASEKENNY
  • MECHANIC
  • 18,907 POSTS
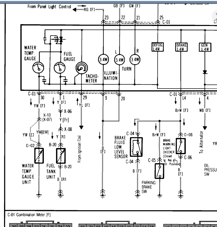
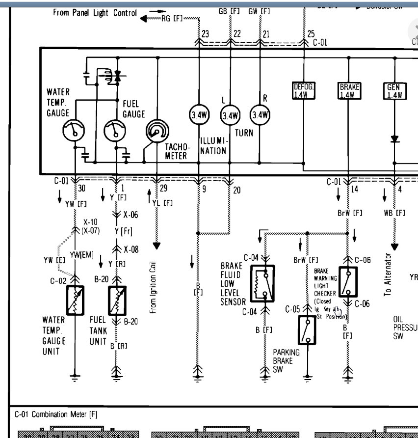
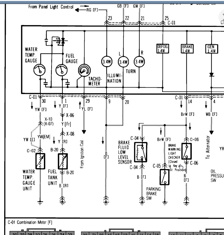
The tachometer is "related" to the engine vacuum system but it is not dependent on the engine vacuum to operate the gauge. The ignition system has what is called an engine speed switch. It takes inputs from the vacuum system and converts that to an electrical signal and sends that to the cluster. So if the gauge is not going over 4,000 RPM's then we need to look the engine vacuum itself and not the tachometer. This would mean we need to put a vacuum gauge on the engine and see what it is doing when the RPM's are high in other gears and then what it is doing in 5th gear. There should be not much difference because the engine doesn't know what gear it is in so the vacuum should be similar in each gear.

I am leaning towards a carburetor issue.

Please reach out with questions.
Was this
answer
helpful?
Yes
No
+1
Thursday, March 26th, 2020 AT 8:12 AM

Please login or register to post a reply.