Timing belt replacement problems?

Tiny
2CARPRO JACK
  • MECHANIC
  • 11,533 POSTS
Those are the cam followers, good find
Was this
answer
helpful?
Yes
No
Monday, August 3rd, 2020 AT 2:38 PM (Merged)
Tiny
DAVE HARDY
  • MEMBER
  • 1 POST
  • 1991 MAZDA PROTEGE
  • 4 CYL
  • FWD
  • AUTOMATIC
  • 87,000 MILES
I REALLY NEED TO REPLACE THE TIMING BELT IN MY PROTEGE, ANY INSTRUCTIONS WOULD BE VERY HELPFUL. :)
Was this
answer
helpful?
Yes
No
Monday, August 3rd, 2020 AT 2:38 PM (Merged)
Tiny
RASMATAZ
  • MECHANIC
  • 75,992 POSTS
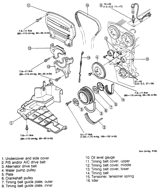
TIMING BELT

Disconnect the negative battery cable.
2. Lift up the vehicle and remove the right front wheel.

REMOVAL

Turn the crankshaft and align the marks.

NOTE:

Mark the timing belt rotation for proper reinstallation.

Loosen the tensioner lock bolt.
CAUTION:

To prevent damage to the tensioner, secure it with a rag.
Temporarily secure the tensioner with the spring fully extended.
Remove the timing belt.
Was this
answer
helpful?
Yes
No
Monday, August 3rd, 2020 AT 2:38 PM (Merged)
Tiny
CGRIM1350
  • MEMBER
  • 1 POST
  • 1991 MAZDA PROTEGE
Engine Performance problem
1991 Mazda Protege 4 cyl Front Wheel Drive Manual

My timing belt slipped and I need to resest the timing on the car before I put a new belt on. But I'm not sure which line to aline with what arrow. I have the drivshaft pully allinged correctly but don't know what to allign the camshaft with. How do I know the timing is alligned correctly?
Was this
answer
helpful?
Yes
No
Monday, August 3rd, 2020 AT 2:39 PM (Merged)
Tiny
RASMATAZ
  • MECHANIC
  • 75,992 POSTS
Put engine no.1 piston on its compression stroke/TDC then follow below


https://www.2carpros.com/forum/automotive_pictures/12900_timing_marks_5.jpg

Was this
answer
helpful?
Yes
No
+3
Monday, August 3rd, 2020 AT 2:39 PM (Merged)
Tiny
TRANS400
  • MEMBER
  • 1 POST
  • 1990 MAZDA PROTEGE
  • 4 CYL
  • FWD
  • MANUAL
  • 175,000 MILES
I have a 1990 mazda protege 1.8 liter Dual cam. I recently replaced the timing belt after it broke. I'm trying now to set the timing by locating top dead center on the piston and lining the cams up the way the instruction manual says. However i'm not sure which piston the book refers to when is says top dead center. Their use to be a bracket on the carnk that you could line up TDC but I was apparently removed before my purchase of the car. I was wondering if you could help with the location and piston number, as well as letting me know if it would have damaged the head, advance told me it was non interfirance but i'm not sure.
Thanks
Was this
answer
helpful?
Yes
No
Monday, August 3rd, 2020 AT 2:39 PM (Merged)
Tiny
MHPAUTOS
  • MECHANIC
  • 31,937 POSTS
Hi there, No 1 will be at the timing belt end of the engine, TDC is when the piston is at the upper most position of the stroke, best way to get this is to temperley re fit the lower timing case cover and pulley, and align the notch in the pulley with "0" on the ignition timing scale. As for it being an interference engine or not, I will have to check a manual and will re post ASAP for you.

Mark (mhpautos)
Was this
answer
helpful?
Yes
No
Monday, August 3rd, 2020 AT 2:39 PM (Merged)

Please login or register to post a reply.