Check engine light?

Tiny
MAYMAY
  • MEMBER
  • 1998 MAZDA PROTEGE
  • 4 CYL
  • FWD
  • AUTOMATIC
  • 129,000 MILES
The check engine light came on. What do I do?
Saturday, January 2nd, 2010 AT 12:08 PM

58 Replies

Tiny
DOCFIXIT
  • MECHANIC
  • 18,828 POSTS
This guide will help us get the codes so we can fix it

https://www.2carpros.com/articles/checking-a-service-engine-soon-or-check-engine-light-on-or-flashing

Please run down this guide and report back.
Was this
answer
helpful?
Yes
No
Saturday, January 2nd, 2010 AT 12:29 PM
Tiny
MAYMAY
  • MEMBER
  • 2 POSTS
Auto Zone result:
code P0421
Warm up catalyst system (RH) effeciency below threshold

Probable cause
1. Exhaust leak
2. Check other service codes first
3. Faulty catalytic converter
Was this
answer
helpful?
Yes
No
Saturday, January 2nd, 2010 AT 4:17 PM
Tiny
DOCFIXIT
  • MECHANIC
  • 18,828 POSTS
If no exhaust leak before CAT and no other codes then CAT is faulty. But have seen code 421 and no other CAT replaced code came back turned out to be O2 sensor. You could try clearing code and see if it resets.
Was this
answer
helpful?
Yes
No
-1
Sunday, January 3rd, 2010 AT 1:07 PM
Tiny
SIGIFREDO1986
  • MEMBER
  • 1 POST
  • 1998 MAZDA PROTEGE
  • 4 CYL
  • FWD
  • MANUAL
  • 228,000 MILES
I bought this car at auction and found when I got home the check engine light was not working. Someone had removed the check engine lamp and of course when I put it in it was on.I scanned and found a few issues. All the sensor pids are displaying full voltage(5 volts). And also the pcm is reading 18 volt charging voltage. With a voltmeter I only have 11 volts at the battery.I am assuming it is the computer itself.I would like some more info on this issue before I replace the pcm
Was this
answer
helpful?
Yes
No
Friday, July 24th, 2020 AT 6:33 PM (Merged)
Tiny
RASMATAZ
  • MECHANIC
  • 75,992 POSTS
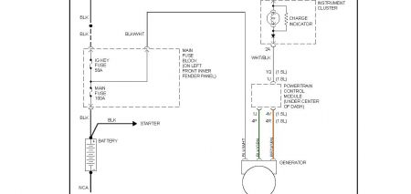
Could be the PCM controlled of the alternator field generation-See below


https://www.2carpros.com/forum/automotive_pictures/12900_a1_10.jpg




https://www.2carpros.com/forum/automotive_pictures/12900_a2_9.jpg

Was this
answer
helpful?
Yes
No
Friday, July 24th, 2020 AT 6:33 PM (Merged)
Tiny
JAYVV
  • MEMBER
  • 1 POST
  • 1997 MAZDA PROTEGE
  • 1.5L
  • 4 CYL
  • FWD
  • MANUAL
  • 193,000 MILES
My car has been acting up. The airbag light would be flashing and my radio would turn on and off when it shut off it would not start again. I took the radio out and everything was working fine for a few days until the check engine light started flashing. I plugged in a code reader and it gave me the codes U3510 and C3F13 it has not shut off while it was driving since I took the radio out, but the battery has been dying when it is least convenient. The alternator maybe?
Was this
answer
helpful?
Yes
No
Friday, July 24th, 2020 AT 6:33 PM (Merged)
Tiny
HMAC300
  • MECHANIC
  • 48,601 POSTS
You may other problems there may be a parasitic draw somewhere which is covered under battery on repair guides on site. The codes you have are false codes as there are none with that number so it may be just a bad battery check for condition including load test most places do for free.
Was this
answer
helpful?
Yes
No
Friday, July 24th, 2020 AT 6:33 PM (Merged)
Tiny
PARAINES
  • MEMBER
  • 4 POSTS
  • MAZDA PROTEGE
97 mazda protege. My check engine light came on again. I went to get and OBDII test and they gave me a code of P0420, saying it's either a O2 sensor or my catalytic converter. What is it more likely to be? If it's either one how much do they cost to get fix. Are the catalytic converters very expensive?
Was this
answer
helpful?
Yes
No
Friday, July 24th, 2020 AT 6:34 PM (Merged)
Tiny
CHEVY22
  • MECHANIC
  • 1,375 POSTS
Hi
i would have the dealer look at it and narrow it down, a good tech will be able to test the 02 and find out whether you need the 02 or the converter, the code set states test the 02 in question and if its faulty if it is good replace the 3 way cat converter

jim

if you are happy with the info please leave feedback we all here do this for free feedback is a way of saying thank you for the help
Was this
answer
helpful?
Yes
No
Friday, July 24th, 2020 AT 6:34 PM (Merged)
Tiny
PARAINES
  • MEMBER
  • 4 POSTS
  • MAZDA PROTEGE
Hello. I have a 97 Mazda Protege, 156,263 miles. This morning my check engine light came on. I took it to an auto shop to get a diagnostic test. They told me that there computer connected to the engine's but it would not allow them to see the codes. He believes there to be a problem since the engine seems to be running rough, yet he said that could be a sign of a tune up. Also he just cut the light off and told me to drive and too see if it would come back on. I was just wondering should I follow what he said or go somewhere else and see if they can check the codes? Also, if the engine is running rough could this be a sign of expensive repairs to come?
Was this
answer
helpful?
Yes
No
Friday, July 24th, 2020 AT 6:34 PM (Merged)
Tiny
SERVICE WRITER
  • MECHANIC
  • 9,123 POSTS
You need to find a different shop. What you described is a shop that is not up to snuff on the technology. You need to find a shop capable of troubleshooting a "communication failure to the pcm" for starters. Once that is solved and the codes cn be accessed, it can be troubleshot properly.

Maybe it will come back to tune up items, but I'm sure you keep that current. Right?
Was this
answer
helpful?
Yes
No
Friday, July 24th, 2020 AT 6:34 PM (Merged)
Tiny
COSMO
  • MECHANIC
  • 347 POSTS
Yes, it sounds like the shop you used does not have the proper equipment for diag this car. OBD II generic system diagnostic tools can get a bit tritchy with the older models ie: sometimes a Windows XP program doesn't run too good on a Windows 98 system.

Even at my MAZDA dealer we hve some trouble using the most 'up to date' equipment on the old vehicles. It usually means we have to go get someof the old stuff out of the tool room. I would go get it tested at your local Mazda dealer. If not, post what code you find before going ahead with work. There are alot of 'Phantom" codes from those years. Eg. Codes for fuel trim malfunctions. People will have there 02 sensor replaced, but its really some rust in the fuel pulse dampner. STUFF like that.

With the older cars it is sometimes better to go to the dealer

Cosmo. Mazda TEch
Was this
answer
helpful?
Yes
No
+1
Friday, July 24th, 2020 AT 6:34 PM (Merged)
Tiny
QUOTABLEX
  • MEMBER
  • 1 POST
  • 1997 MAZDA PROTEGE
  • 4 CYL
  • 4WD
  • AUTOMATIC
  • 113,000 MILES
Hello all.
I seem to be having problems with my little mazda protege.
For about a year now, the engine light will go on for a few days. Stay off for a few months, and then reappear suddenly. My dad had it checked out before, but was told it was just a faulty wire, because the car checked out fine, with no visible problems. Shortly after last summer, my overdrive will kick in all of a sudden (without me having to press a button) and the light will go on and off, all the while my car will kick in and out of overdrive at a rapid speed. We were told recently by a firestone tech that this could be a transmission problem. I am worried about how much this could cost, as this is an older car, and I don't plan to have it much longer. I have kept it in good condition, making sure it gets regular check ups, oil changes, ect. Within the past year it has gotten new belts, a transmission flush, and just within the past week a tune up that was badly needed.
I am a poor college kid, so I am not always able to cover the expenses as soon as I would like.
A newer problem as of late, is that when I try to start my car, the clutch appears "stuck". I have to let the car cool down first before I can shift the clutch into gear. At first I thought it was just the cold weather, but it has been warm these past couple of days, (70's) and my car still appears to have the same problem.
After I got my tuneup, it has slightly improved. The only time it appears to do this is early in the morning, and is fine through out the day, where as before the tuneup it would be anytime through out the day that I wanted to start my car.
If anyone could give me some insight into these problems, I would greatly appreciate it!
Was this
answer
helpful?
Yes
No
Friday, July 24th, 2020 AT 6:34 PM (Merged)
Tiny
2CARPRO JACK
  • MECHANIC
  • 11,533 POSTS
The clutch? Is this an automatic or manual trans? You talk about an OD light but then a clutch. The PCM needs to be scanned to get the trouble codes, just because it is physically in good condition doesnt mean the PCM cant see a problem
Was this
answer
helpful?
Yes
No
Friday, July 24th, 2020 AT 6:34 PM (Merged)
Tiny
JEFF12343
  • MEMBER
  • 1 POST
  • 1998 MAZDA PROTEGE
  • 4 CYL
  • FWD
  • AUTOMATIC
  • 142,000 MILES
I just took my car in to be repaired. It was running rough and the Check Engine light started blinking. Had a standard tune up, replaced spark plugs and wires. The car is still running rough. The repair shop says I need a Complete Head Set $232.99 and a Magnaflux/Valve Grind $465.00. Are these prices high? The total of all the repairs needed are $2387.96 parts and labor, this includes other repairs as well.
Was this
answer
helpful?
Yes
No
Friday, July 24th, 2020 AT 6:38 PM (Merged)
Tiny
BLACKOP555
  • MECHANIC
  • 10,386 POSTS
Id take it to another place and get a re-appraisal. This guide will help us get the codes so we can fix it

https://www.2carpros.com/articles/checking-a-service-engine-soon-or-check-engine-light-on-or-flashing

Please run down this guide and report back.
Was this
answer
helpful?
Yes
No
Friday, July 24th, 2020 AT 6:38 PM (Merged)
Tiny
URDEEPESTREALITY
  • MEMBER
  • 9 POSTS
  • 1996 MAZDA PROTEGE
  • 4 CYL
  • FWD
  • AUTOMATIC
  • 116 MILES
I need some help. My car overheated when a friend of mine failed to put my radiator cap on correctly. I ended up losing all the fluid in my cooling system and let it cool before refilling it. It started to overheat a few more times and I had to bleed the air out of the radiator. Then the engine started misfiring occasionally when starting up and the temp gauge sometimes creeps up at long idles. Thought maybe there was still air in there and just keep trying to bleed the system. So I replaced the radiator cap, and got a thermostat and spark plugs/wires put on my car. And the temp gauge seemed like it was going up less frequently. But then 2 days ago the check engine light came on. And the temp gauge still sometimes creeps up on long idles. Also I can smell burning coolant. I fill up my coolant regularly but when I check my coolant level after driving heavily there are bubbles in the coolant. But once it cools down its low again. Its really frustrating. So I got the codes read and they are PO115 and PO420 help please!
Was this
answer
helpful?
Yes
No
Friday, July 24th, 2020 AT 6:39 PM (Merged)
Tiny
RASMATAZ
  • MECHANIC
  • 75,992 POSTS
If I were you have it chemically and pressure tested-start here
Was this
answer
helpful?
Yes
No
Friday, July 24th, 2020 AT 6:39 PM (Merged)
Tiny
CARADIODOC
  • MECHANIC
  • 34,478 POSTS
Sounds like you have a leaking head gasket all along. You should not have to be adding coolant "regularly".

The chemical test rasmatz is talking about involves drawing air from the radiator through a glass cylinder with two chambers partially filled with a special dark blue liquid. If combustion gases are present, the liquid will turn bright yellow. A leaking head gasket will allow exhaust gas to be pushed into the cooling system and coolant to be burned in the engine and disappear out the tail pipe.

That air can also pool under the thermostat allowing it to close, and the engine to overheat. Thermostats open in response to hot liquid. They don't respond to hot air.
Was this
answer
helpful?
Yes
No
+1
Friday, July 24th, 2020 AT 6:39 PM (Merged)
Tiny
URDEEPESTREALITY
  • MEMBER
  • 9 POSTS
I was told by a couple people that if it were the head gasket there would be white smoke coming out the tail pipe, which there is none, or coolant in my oil or vice versa, which there is none. What do those codes mean?
Was this
answer
helpful?
Yes
No
Friday, July 24th, 2020 AT 6:39 PM (Merged)

Please login or register to post a reply.