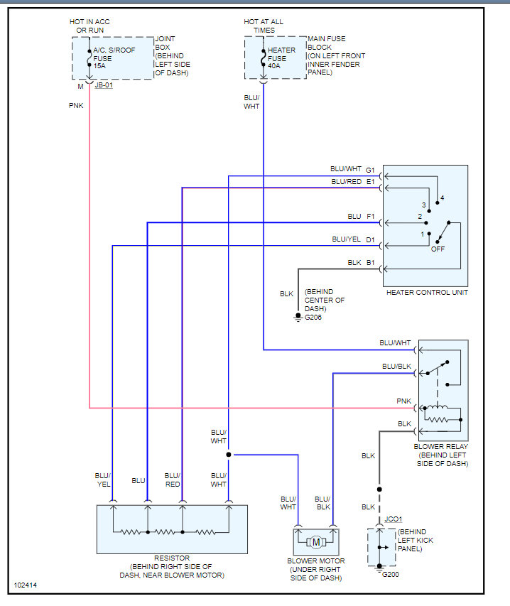
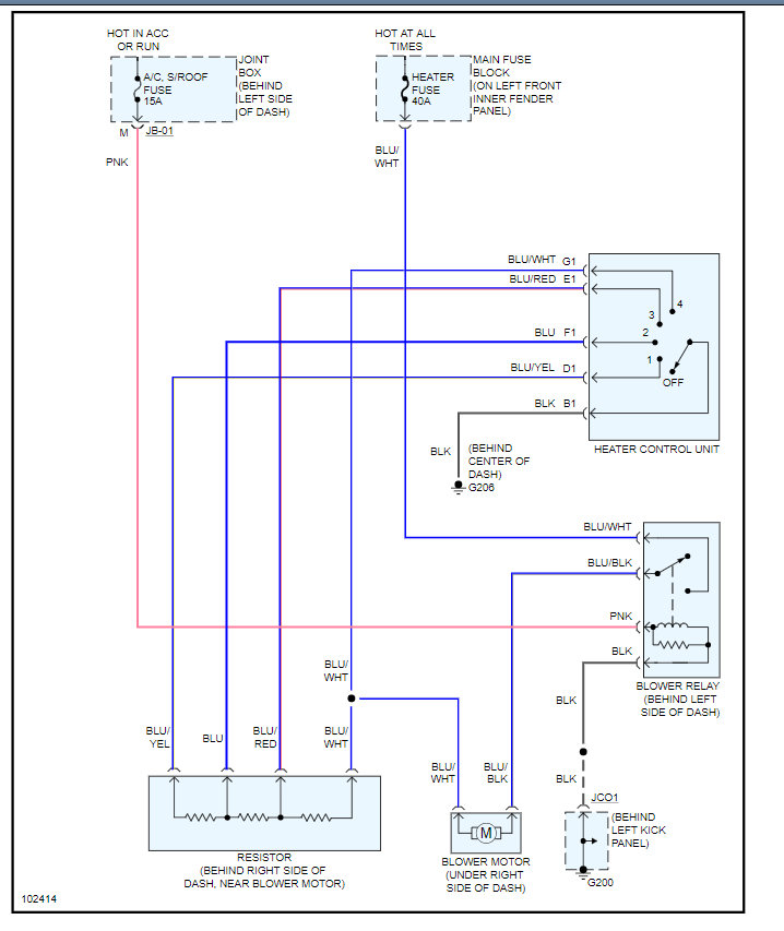
My switch which has 4 positions for fan control stopped working. The fan does not work no matter what I try. I took the blower fan out and plugged it to a 12V power supply and it works. I checked all the fuses and they are all fine. I checked the blower resistor but I am not 100% sure of the Ohms values, but I got readings between 2-6 ohms at different points. The last thing I want to check is the Blower Relay, but I can't find it, I have a Hanyes manual and checked all the wire color codes and I can't seem to find the relay. Do you have idea of where it might be, or do you think it is the blower resistor that is the problem?
Thank you for all your help.
Transmico.
Sunday, May 2nd, 2010 AT 5:14 PM




