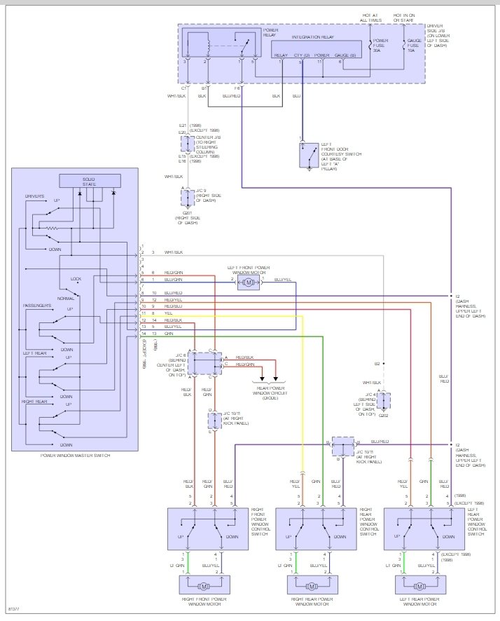
I noticed the 30A breaker for window controls was blown and replaced it. I also took apart the master switch and noticed the switch contacts were blackened, so I purchased a new master control switch. All to no avail. Please help.
Friday, June 24th, 2016 AT 7:16 PM

