Saturday, November 6th, 2021 AT 1:41 PM
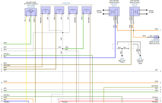
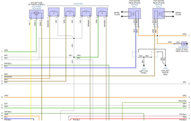
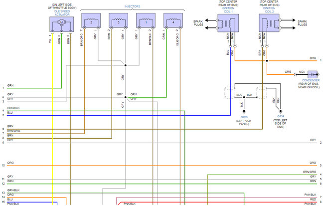
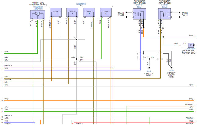
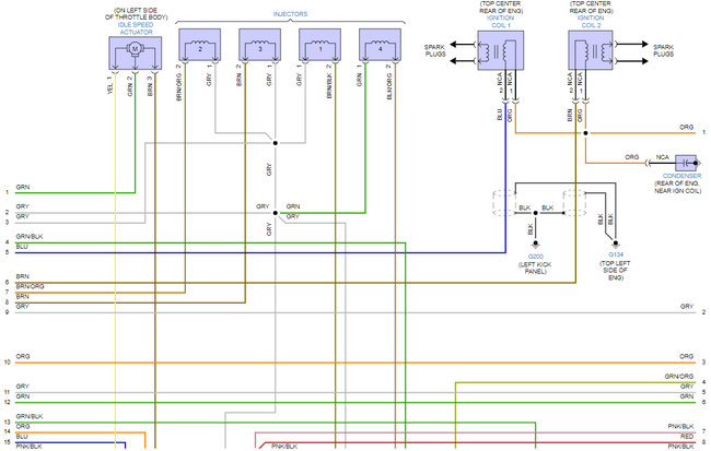
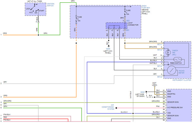
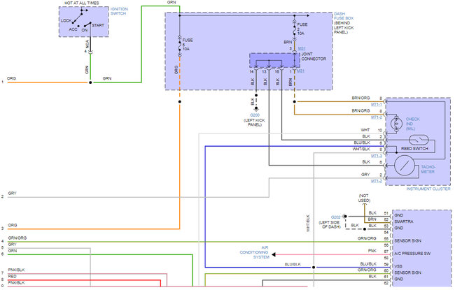
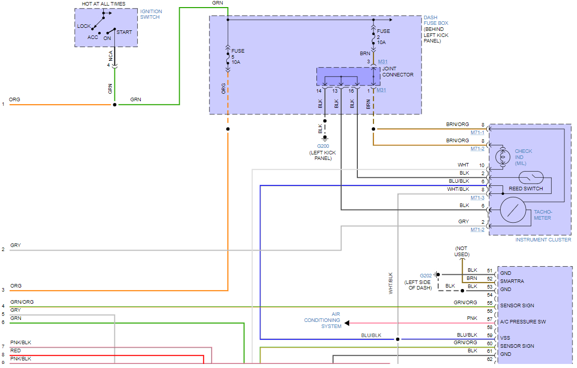
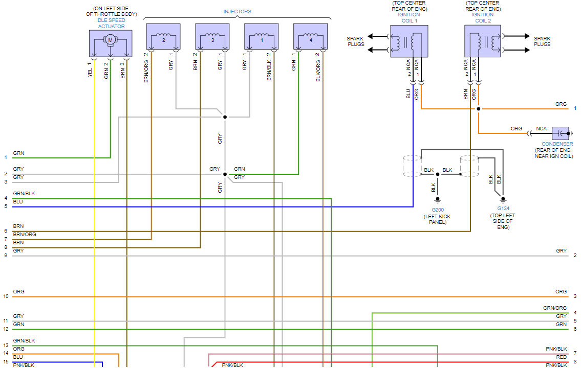
Hi, I have the car listed above with the 1.5 l single overhead cam. Cannot find the MAP sensor location on this car, nor can I find any diagrams or any other help on the internet to where the location of the MAP sensor is on this car. I can find everything on a 1.6 but not a 1.5. I know where the mass air flow is throttle position sensor air idle control, but I cannot find the MAP sensor. Please help I need a diagram, or something. Please help, thank you.












