Tuesday, May 17th, 2022 AT 9:42 PM
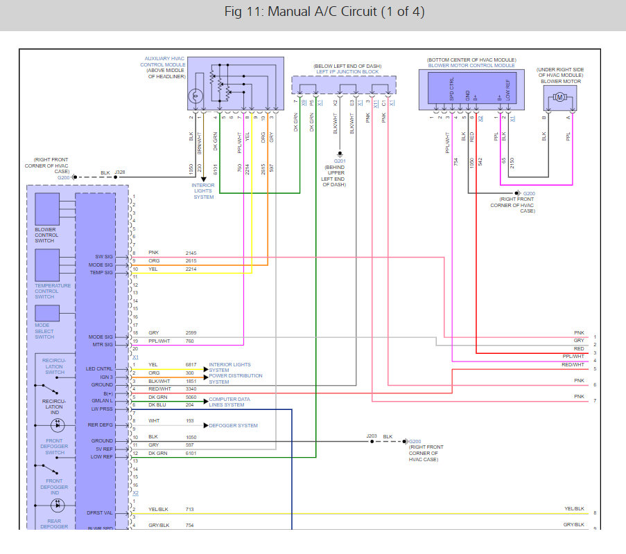
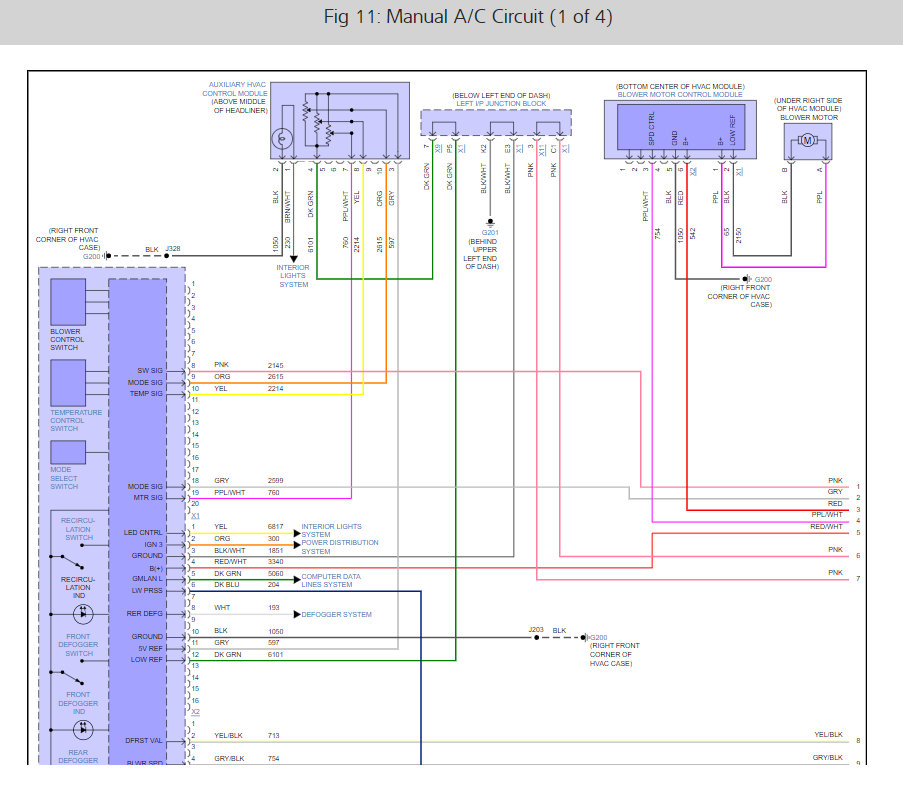
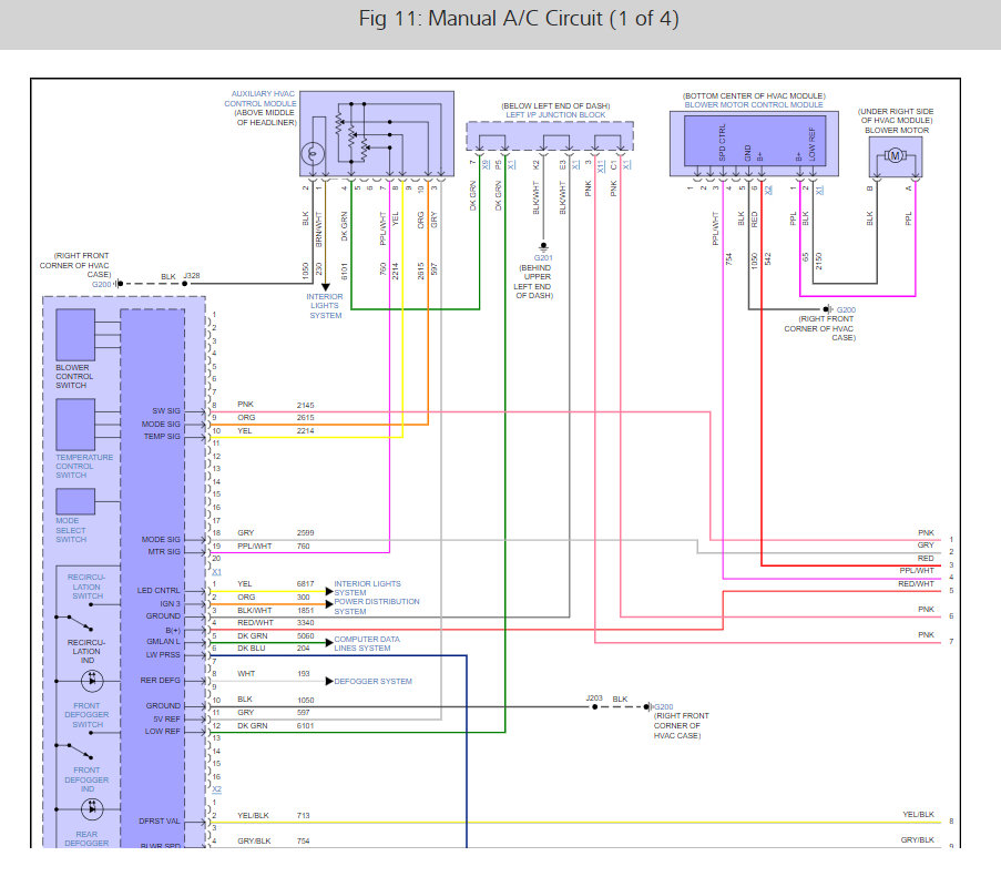
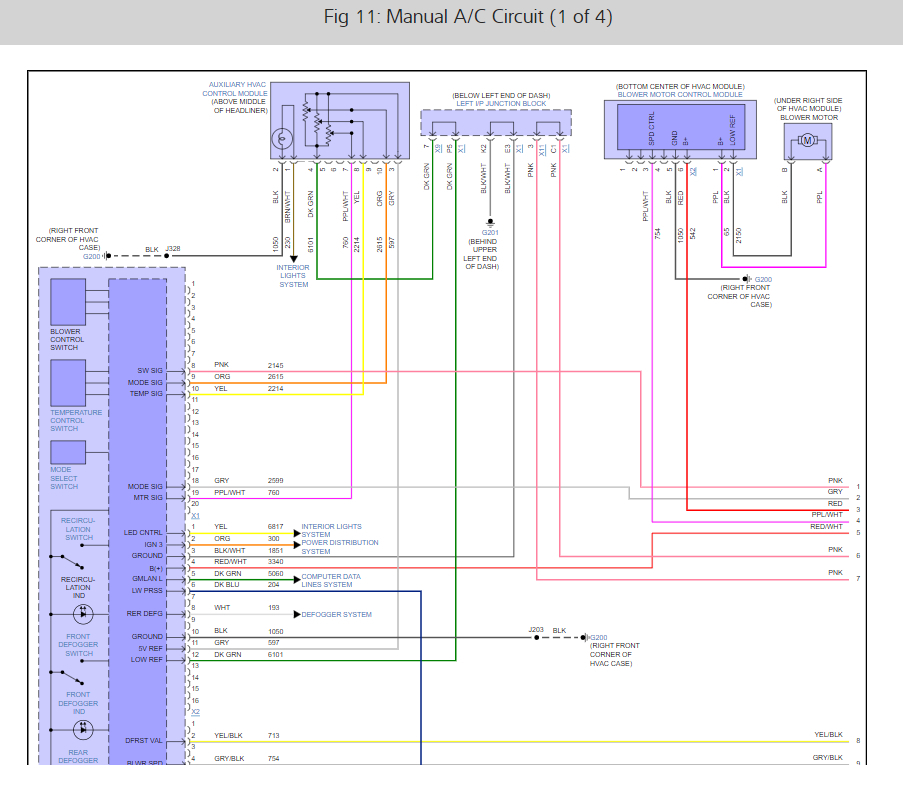
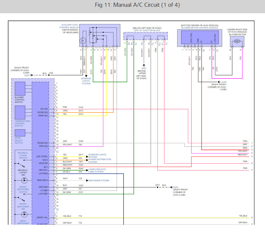
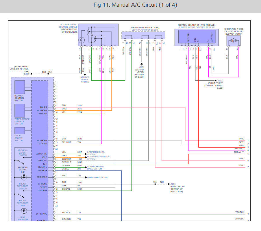
I need the wiring pin out for a climate control #25901393 brown J1, blue J2, grey J3 and green J4. Also, need the same pin out for an automatic climate control #25869946 J1 brown, J2 black, J3 grey, J4 green.








