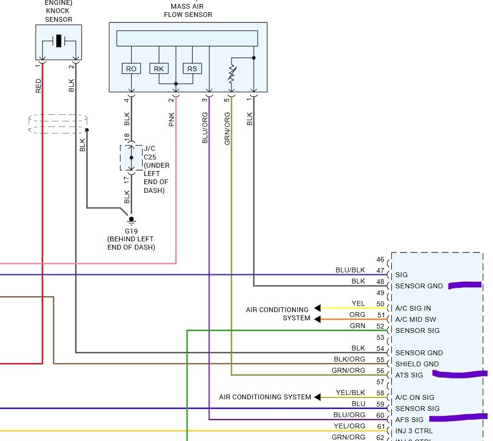
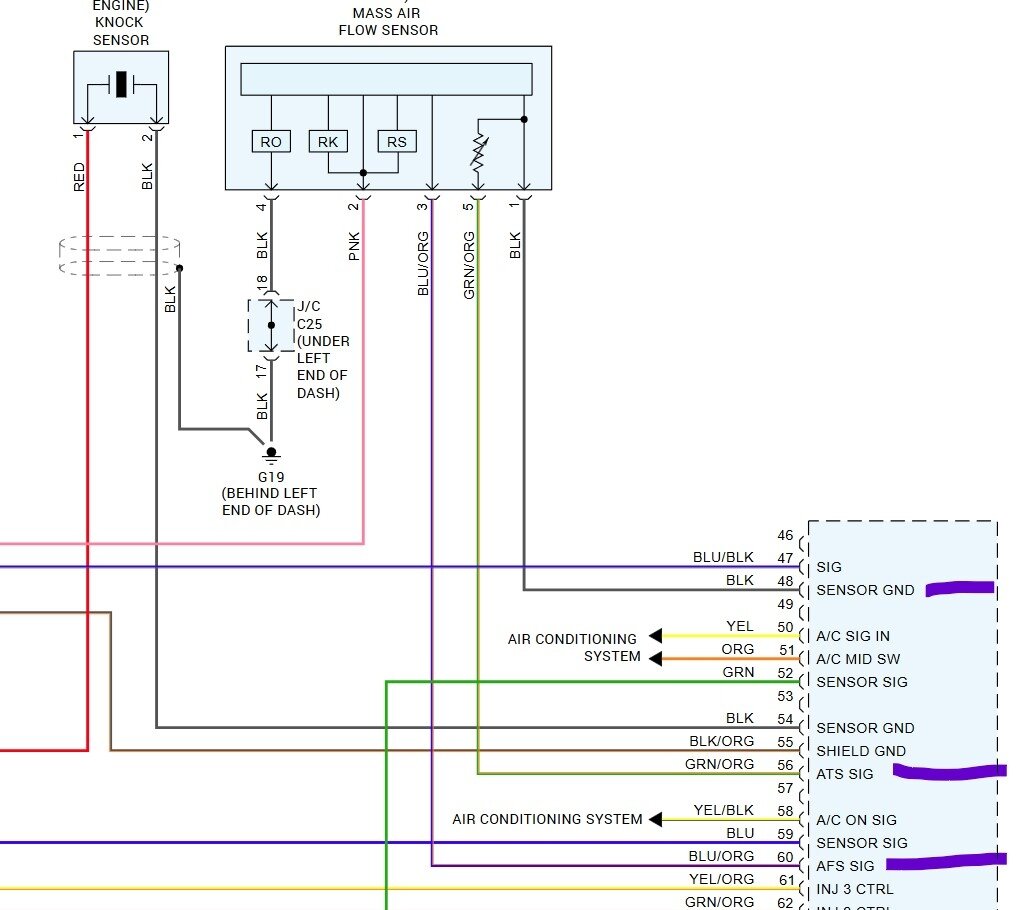
power to ground 14.3 ohm
ground to temp sensor 2.3 ohm
no reading on ground to input
The power to ground reading seems high to me, and I am unsure of the ground to temp reading, do any of these indicate that I have a failed or failing sensor?
Monday, April 7th, 2025 AT 8:06 AM




