MAF code

2011 BMW 335
119,000 MILES • 6 CYL • TURBO • 2WD • AUTOMATIC
Avatar
DIVIDES
  • MEMBER
  • 903 POSTS
I keep getting a maf code every 3-7 miles of driving, sometimes I make it home with twenty-five miles before it comes on, once engine light is on engine speed is reduced so I delete the code while driving and am back to normal.
This is the 335dn diesel motor. When I cleaned the ERG, I had to remove the maf boot and noticed that the map sensor harness was connected but had a piece of tape on it. Removed the tape as it is holding good...
May 9, 2022 at 11:29 AM
Repair Safety Notice: This information is for general instructional purposes only. Vehicle repair can be dangerous. Verify all information, follow manufacturer service procedures, use proper tools and safety equipment, and consult a qualified repair shop when needed.
Advertisement
Avatar
STRAILER
  • AUTOMOTIVE REPAIR CONTRIBUTOR
  • 54,176 POSTS
This sounds like you have a dirty throttle bore, here is a guide that will help you fix the problem. Also, can you remove the MAF connector to see if there is any corrosion or damage?

https://www.2carpros.com/articles/throttle-actuator-service

Check out the diagrams (below). Let us know what happens and please upload pictures or videos of the problem.
May 10, 2022 at 9:30 AM
Advertisement
Avatar
KASEKENNY
  • AUTOMOTIVE REPAIR CONTRIBUTOR
  • 18,907 POSTS
What is the actual code? There are a couple things about diesel engines that will cause this.

https://www.2carpros.com/articles/checking-a-service-engine-soon-or-check-engine-light-on-or-flashing

However, we need to know the code so that we can be sure this is the same thing that I am thinking it is.

Basically, what happens on these is the manifold gets soot in it and it is restricted so the PCM thinks there is a MAF sensor issue, but it just can't breathe.

So, cleaning the EGR is a good thing but more than likely there is already soot in the intake and that is going to have to be cleaned as well.
May 10, 2022 at 9:42 AM
Avatar
DIVIDES
  • MEMBER
  • 903 POSTS
What you mean soot as in carbon build up and gunk?
May 10, 2022 at 10:02 AM
Avatar
DIVIDES
  • MEMBER
  • 903 POSTS
I had code 4c04 for the EGR but it's not back anymore. The MAF code is 3FF1.
May 10, 2022 at 10:04 AM
Avatar
KASEKENNY
  • AUTOMOTIVE REPAIR CONTRIBUTOR
  • 18,907 POSTS
Perfect. Yes. These codes indicate restricted air flow. So, what I would do is remove the tube from the turbo to the intake and see if there is any build up.

Yes. Soot is the natural byproduct of diesel engine combustion. If you remember the black smoke that diesel trucks use to emit, this is soot. So now all that needs to be captured but it gets into the EGR system and eventually can get into the intake, and it will restrict the intake.

Take a look at the info below and let's start with the first code and check the things listed in the action in service section.
May 10, 2022 at 10:14 AM
Avatar
DIVIDES
  • MEMBER
  • 903 POSTS
I can't believe a hose would do that, i would be surprised if it had that much soot. What about the intake itself since it has many small pores for airflow? Or is the code indicating that the blockage kf air is even before it reaches the intake? I will check the hose for sure though.
May 10, 2022 at 11:32 AM
Avatar
KASEKENNY
  • AUTOMOTIVE REPAIR CONTRIBUTOR
  • 18,907 POSTS
Okay. I agree, however, seeing what is in that hose will be telling as to what the issue is. To answer your question, yes, it is rare that it is just the hose but that will be a sign as to what is going on.

If you find soot, there then you will have more in the intake and that is going to restrict the air flow and make the PCM think the MAF is just wrong.

Basically, the engine can't tell that there is soot build up causing a restriction, so it thinks that the MAF is wrong.

So that code does not tell you where the restriction is only that the MAF is showing low air flow. Just experience with diesel engines is what tells us that this is likely the cause.
May 10, 2022 at 12:47 PM
Avatar
DIVIDES
  • MEMBER
  • 903 POSTS
Thanks, very valuable info, I will check it and let you know.
May 10, 2022 at 12:49 PM
Avatar
DIVIDES
  • MEMBER
  • 903 POSTS
hopefully the hose is not pain to remove.
May 10, 2022 at 12:49 PM
Avatar
KASEKENNY
  • AUTOMOTIVE REPAIR CONTRIBUTOR
  • 18,907 POSTS
Haha. Yeah. I am not sure as I have not done that on these vehicles but it is a BMW so I would bet it is.

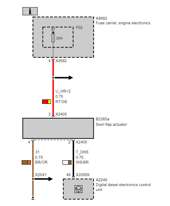
I am attaching the info on this but there is a good amount of detail on cleaning the intake system and plenum so clearly BMW is aware of the need to do this. I am thinking that the swirl valve are going to be the root cause of this. When they get covered in soot, they stick and will restrict the air flow as well. If this is the case, the entire intake needs to be cleaned.

BMW says to use a wand to reach down the intake and you basically media blast the engine clean.
May 10, 2022 at 1:13 PM
Avatar
DIVIDES
  • MEMBER
  • 903 POSTS
The tube looked clean. I also replaced the MAF with another diesel i have. I got code 4B81 for erg deviation and reduced speed, deleted it and came back.
May 12, 2022 at 8:37 AM
Avatar
DIVIDES
  • MEMBER
  • 903 POSTS
If i disconnect the harness on ERG to see if it will do it again, will that work?
May 12, 2022 at 8:45 AM
Avatar
DIVIDES
  • MEMBER
  • 903 POSTS
Or disconnect the mass and see? Here are some readings while running and everything connected.
May 12, 2022 at 8:47 AM
Avatar
STRAILER
  • AUTOMOTIVE REPAIR CONTRIBUTOR
  • 54,176 POSTS
When it is running does it seem to have full power? I am thinking the exhaust may be clogged.
May 12, 2022 at 9:36 AM
Avatar
DIVIDES
  • MEMBER
  • 903 POSTS
Yes, has full power, very powerful, only reduced power when the code comes on, driven it 100 miles, power on this turbo is amazing.
May 12, 2022 at 10:04 AM
Avatar
STRAILER
  • AUTOMOTIVE REPAIR CONTRIBUTOR
  • 54,176 POSTS
Is the boot between the MAF and the throttle bore in good shape? No leaks?
May 12, 2022 at 2:15 PM
Avatar
DIVIDES
  • MEMBER
  • 903 POSTS
I will double check again.
May 12, 2022 at 2:17 PM
Avatar
DIVIDES
  • MEMBER
  • 903 POSTS
There is a big turbocharger intercooler that was so dirty on the outside both sides, pressured washed it and put it back. There is only one boot from mad to cooler and its clean, same from cooler to the one going to throttle body. Now I am getting 4bc6 and 4bc2. Dang MAF won't stay in place keeps coming out of the rounded piece. I didn't mess with it, i only removed the whole thing when i tried to replace it. Also, the temperature sensor moves and I am not sure it is supposed to or not.
May 14, 2022 at 9:06 AM
Avatar
DIVIDES
  • MEMBER
  • 903 POSTS
I did not even touch the intake sensor for it to give me a code, what the heck.
May 14, 2022 at 9:07 AM
Avatar
DIVIDES
  • MEMBER
  • 903 POSTS
Solved, i think. The codes and check engine light were coming on immediately after starting cR, you delete then and come right back immediately. Followed the charge pipe and there was the air sensor which refs between it and MAF to get right readings. It had a lot of oil on it. Carb cleaner and its done. Started and drove it didn't come back so far.
May 14, 2022 at 3:43 PM
Avatar
KASEKENNY
  • AUTOMOTIVE REPAIR CONTRIBUTOR
  • 18,907 POSTS
Okay. That is great. Just put some miles on it and then recheck the sensor to see if there is more oil getting on it. There should not be oil in the charged air system so if there is then this normally means the turbo is leaking. There is oil supplied to the turbo to keep it cool and lubricated and it seals this from the charged air side of the intake. So, if you have oil in there then that normally means the turbo is leaking and allowing oil into the intake.

You would have to replace the turbo for this unless there is a rebuild kit.

However, that is definitely the issue so hopefully it doesn't return.
May 14, 2022 at 6:29 PM
Avatar
DIVIDES
  • MEMBER
  • 903 POSTS
Yes, sir, thanks.
May 14, 2022 at 6:50 PM
Avatar
DIVIDES
  • MEMBER
  • 903 POSTS
All is good still but i noticed there is a slip to hold the air charge temperature sensor that broke while i put it in. can you find for me if this is a piece that can be purchased? It basically just holds the sensor onto the pipe and keeps sensor in place
May 19, 2022 at 6:54 AM
Avatar
KASEKENNY
  • AUTOMOTIVE REPAIR CONTRIBUTOR
  • 18,907 POSTS
Can you get a picture of the piece that you are looking for? I am only showing that the sensor is held in by two screws. Must be the wrong one.
May 19, 2022 at 9:24 AM
Avatar
DIVIDES
  • MEMBER
  • 903 POSTS
No screws, the air charge sensor is in the aluminum pipe on the passenger side. The pipe starts at throttle body as a hose then connects to this pipe via a plastic connector. I think i found it online. Called BMW twist protection part # 11617807095.
May 19, 2022 at 9:49 AM
Avatar
KASEKENNY
  • AUTOMOTIVE REPAIR CONTRIBUTOR
  • 18,907 POSTS
Got it. Yep. That looks like it. Thanks for adding that detail.
May 19, 2022 at 5:55 PM