LS swap it will not stay running

Tiny
CHEVYTUNNER
  • MEMBER
  • 2007 CHEVROLET AVALANCHE
  • 196,000 MILES
Did an engine swap had to solder most of the wiring back together and it started for a few minutes. Now only some of my fuses have power and won't crank or start now. Any ideas?
Wednesday, October 14th, 2020 AT 5:42 AM

10 Replies

Tiny
KASEKENNY
  • MECHANIC
  • 18,907 POSTS
Just confirming but you put a 6.0L in the vehicle? What was the original engine?

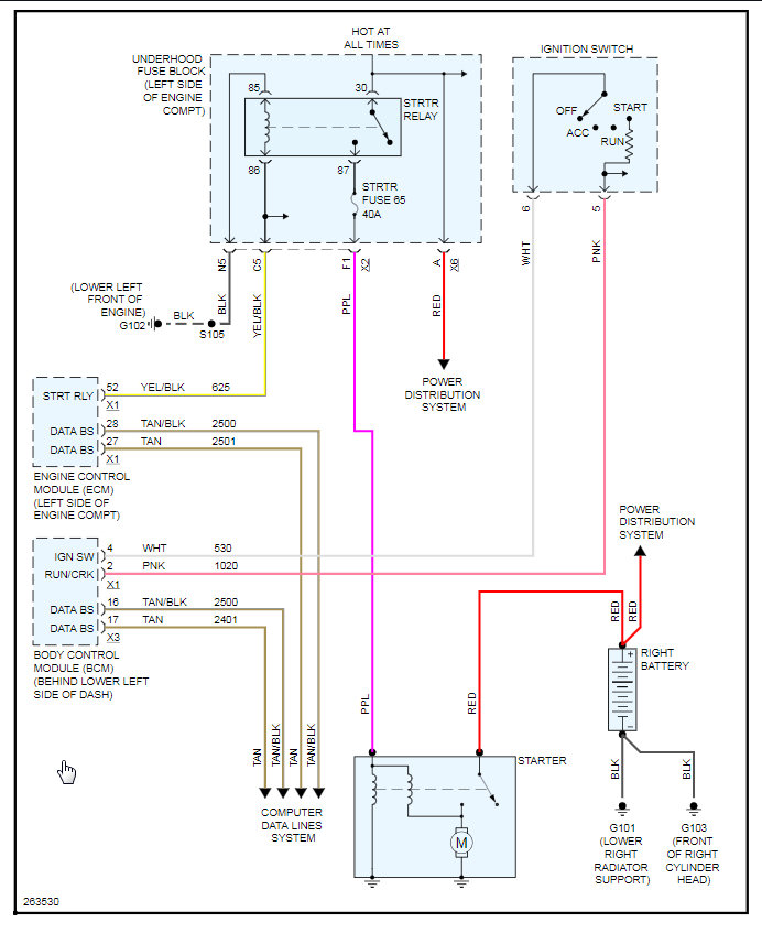
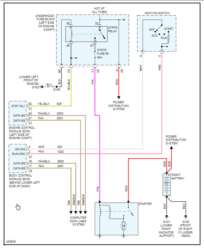
Then I need to you check a couple places for power. Let's start at the starter. You should have 12 volts on the red wire all the time. If you do then check the mega fuses and the fusible link that I circled.

After that, we need to know what fuses do not have power. Let me know this info and we can go from there. Thanks
Was this
answer
helpful?
Yes
No
Wednesday, October 14th, 2020 AT 5:58 AM
Tiny
CHEVYTUNNER
  • MEMBER
  • 6 POSTS
Starter does not have power, been using toggle switch and it's the same size engine 5.3l. All of the fuses that have anything to do with it starting is not working and most of the top part of the left side aren't working.
Was this
answer
helpful?
Yes
No
Wednesday, October 14th, 2020 AT 6:00 AM
Tiny
CHEVYTUNNER
  • MEMBER
  • 6 POSTS
The starter does have power going to it the fuses that don't have power to them. Are starter fuel pump power trn power crank and much more that's just the ones I've tested so far.
Was this
answer
helpful?
Yes
No
Wednesday, October 14th, 2020 AT 4:24 PM
Tiny
KASEKENNY
  • MECHANIC
  • 18,907 POSTS
Okay. We need to get a list of fuses however, I suspect you have a power wire from the battery to the fuse panel that is loose or not installed. Check stud 2 as some of those items are on the under hood fuse panel on stud two.
Was this
answer
helpful?
Yes
No
Wednesday, October 14th, 2020 AT 7:05 PM
Tiny
CHEVYTUNNER
  • MEMBER
  • 6 POSTS
Okay, the stud does have power to it both do actually. I think I may know what the problem is. The safety neutral switch (pressure switch) never got put on. Been trying to figure it out but not sure which colors go where into the plug. If you could let me know that I think I've got it.
Was this
answer
helpful?
Yes
No
Thursday, October 15th, 2020 AT 4:31 AM
Tiny
KASEKENNY
  • MECHANIC
  • 18,907 POSTS
Can you get a picture of this switch that you are calling the neutral safety switch? Your vehicle uses a range sensor which does the same thing but is on the side of the transmission and should not be any different between the two engines. I attached the info on this switch.

If you can get a picture of it that will help. However, I am not sure why this switch would cause you to not have power to the fuses. So I am thinking you have an issue on that fuse block. If you have power going into the box but no power coming out then the box would be the issue. However, I am starting to think I am not on the same page as you with what you mean you have no power on the fuses. Are you checking power at the two test pins on the top of the fuse?
Was this
answer
helpful?
Yes
No
+1
Thursday, October 15th, 2020 AT 7:20 PM
Tiny
CHEVYTUNNER
  • MEMBER
  • 6 POSTS
Yes, it's the one and all I have is the connector with no wires to it. Only the part on harness that is cut I've already made wires to go into connector and solder back on to harness but not sure what wires go where.
Was this
answer
helpful?
Yes
No
Thursday, October 15th, 2020 AT 8:11 PM
Tiny
4DRTOM
  • MECHANIC
  • 467 POSTS
Hello,

Seeing that you had it starting a few times after the installation says to me that one of your soldered connections has failed. I would go back and inspect all the wires you had to splice or create a non factory connection. Sounds like you did the job right but a main power wire opened especially because you have more than one circuit effected. Turn on something that should be on all the time with the key in the on position. Then get to the harness where you did your wiring connections and one wire at a time pull each side of the wire solder work and any crimping or splicing you needed to do.
Let us know,
Tom
Was this
answer
helpful?
Yes
No
Thursday, October 15th, 2020 AT 10:15 PM
Tiny
CHEVYTUNNER
  • MEMBER
  • 6 POSTS
Anyone that could help me with the wiring colors for this and which ones I need plugged in would be greatly appreciated. It's listed above and is the LTZ model. Replaced old motor with same motor just newer year same harness as the old one and same ECM. This part got cut off in the process it's for the transmission pressure switch.
Was this
answer
helpful?
Yes
No
Sunday, October 18th, 2020 AT 8:34 AM
Tiny
KASEKENNY
  • MECHANIC
  • 18,907 POSTS
I am attaching the wiring diagram for the complete transmission system.

This is for the 4L60E which is the most common. The 80 is the same but if you have a different unit, let us know. Thanks
Was this
answer
helpful?
Yes
No
Monday, October 19th, 2020 AT 4:12 PM

Please login or register to post a reply.