Thursday, September 7th, 2023 AT 3:07 PM
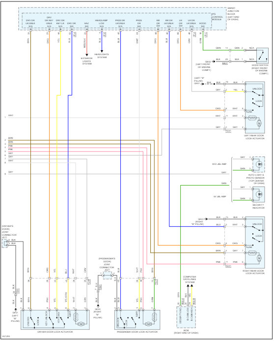
Hello, my car listed above was recently stolen and to stop the car alarm the thief ripped out the wire connectors to the wheel. The wires and adapter are still intact, but the wire heads are exposed. I’ve tried looking for a schematic for it but can’t seem to find one. The connection I am referring to is next to the yellow air bag connector. If anyone can help, I would really appreciate it. Thank you.




