Sunday, April 8th, 2018 AT 1:04 PM
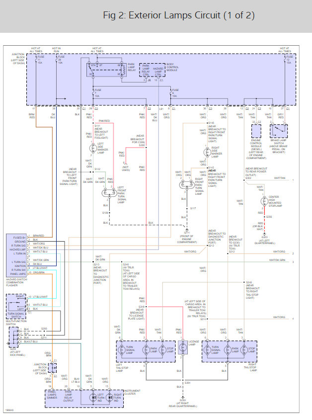
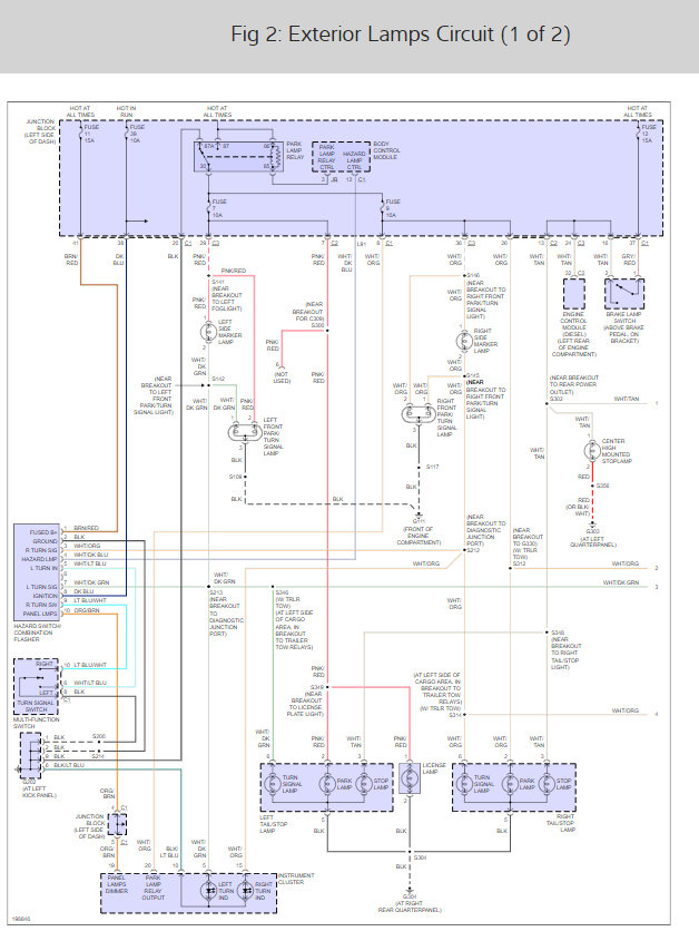
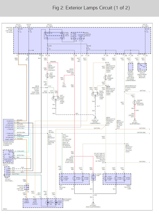
When headlights are on tail lights are on but brightness does no increase when brakes are hit. When head lights are off the lower brake lights do not come on at all just the upper brake light when you press on the brake.









