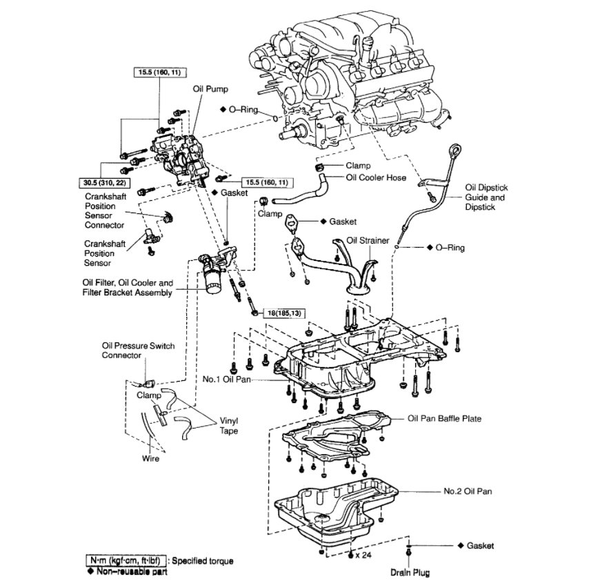
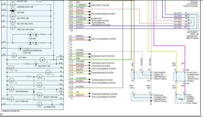
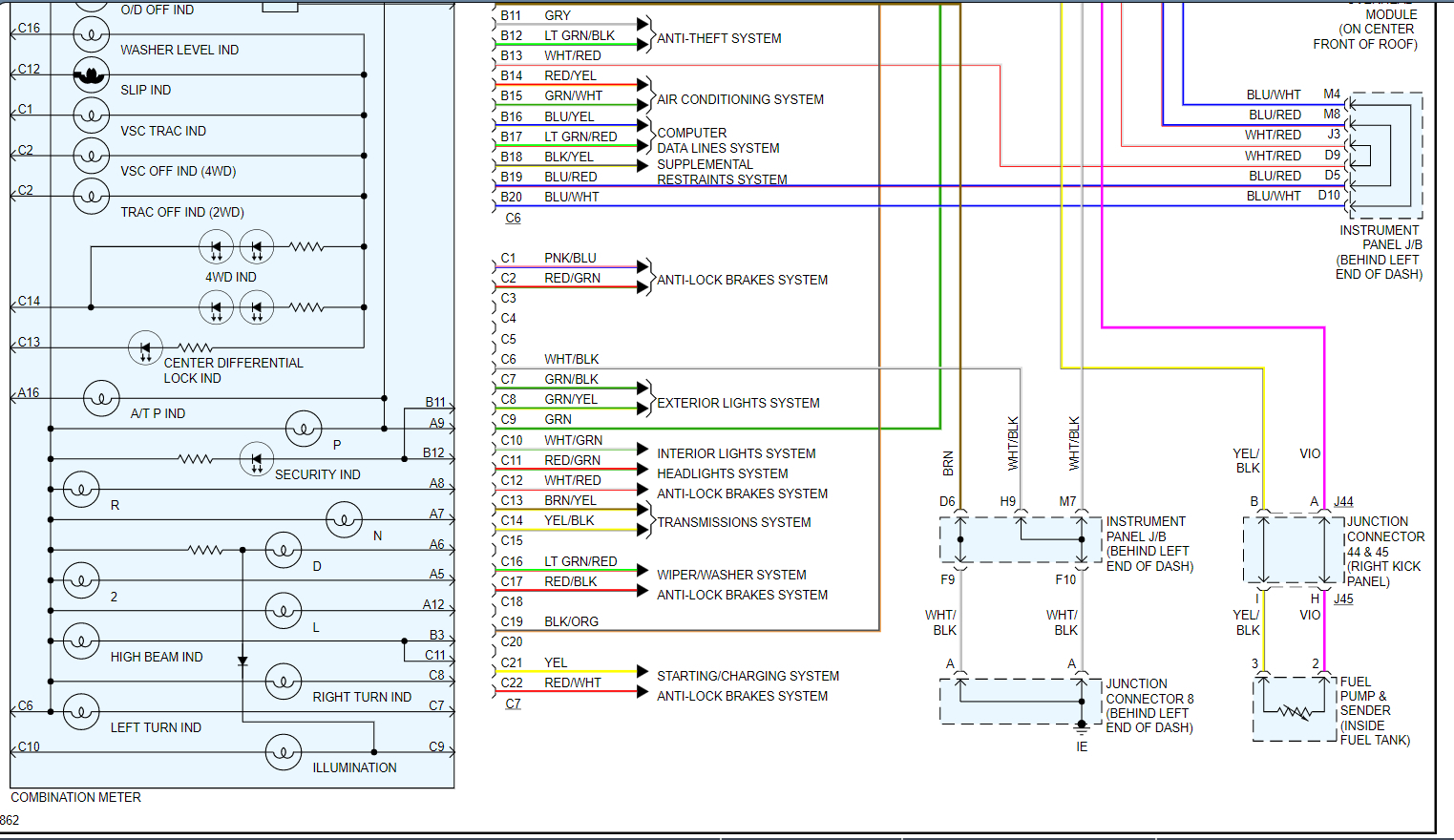
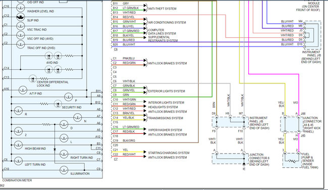
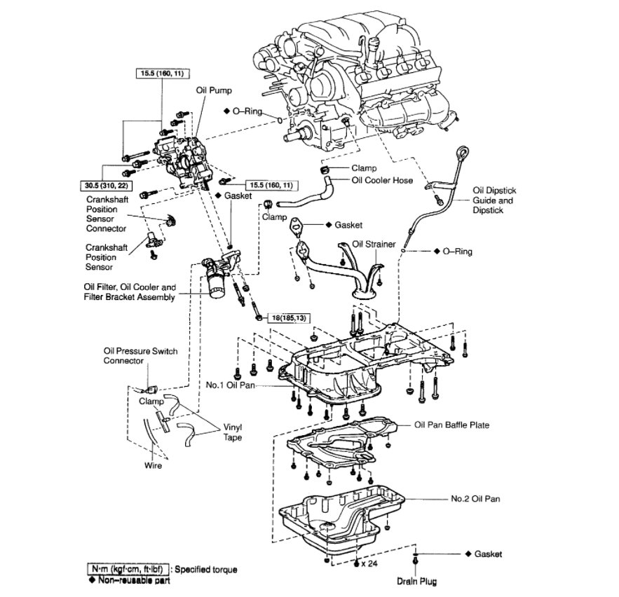
My Oil pressure gauge is always low (actually bottomed out), running and/or at idle.
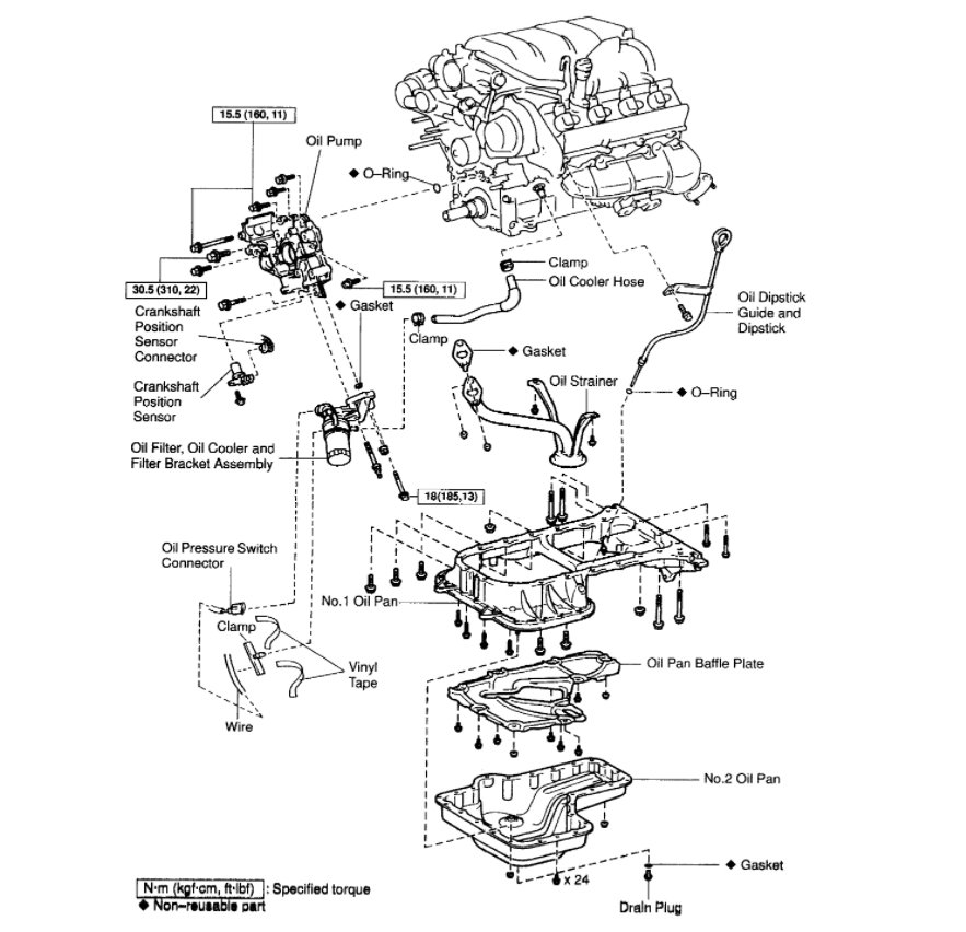
I just completed an oil change, changed the oil filter, and oil pressure sending unit. no improvement. The vehicle still runs and sounds great, but the gauge is still bottomed out.
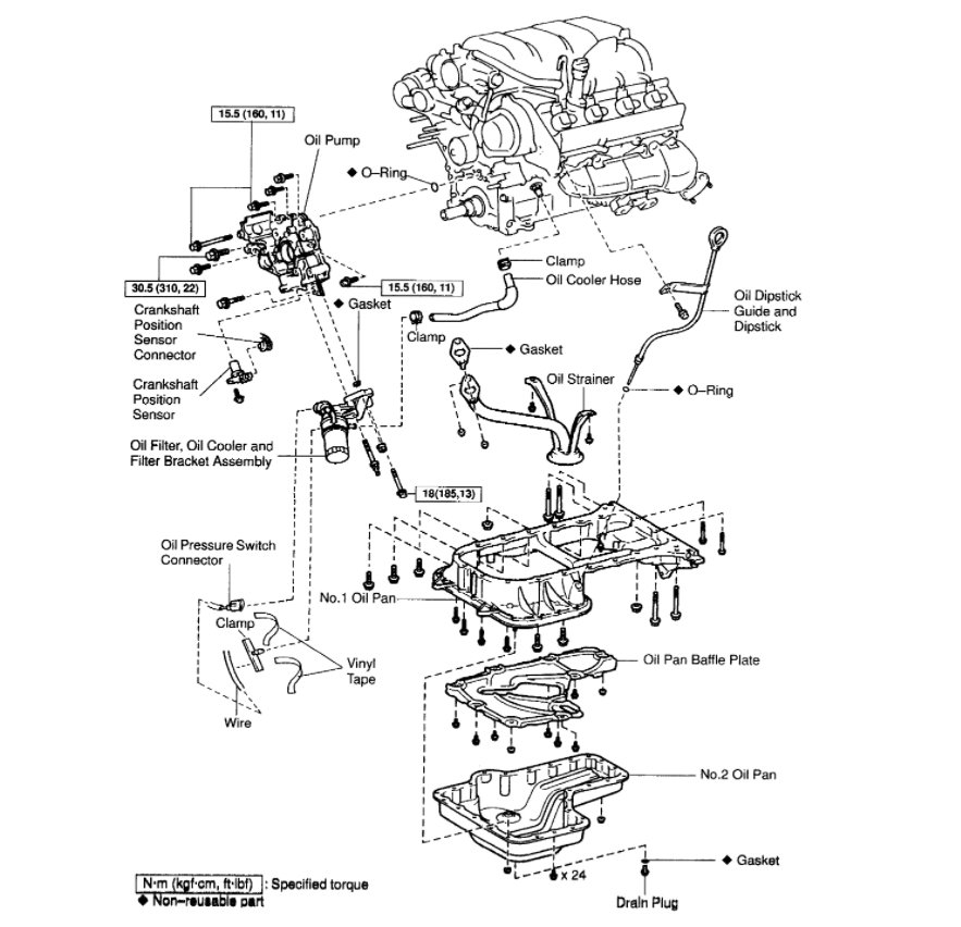
I just completed an oil change, changed the oil filter, and oil pressure sending unit. no improvement. The vehicle still runs and sounds great, but the gauge is still bottomed out.
Jul 19, 2021 at 7:02 AM

















