Monday, June 15th, 2020 AT 8:12 PM
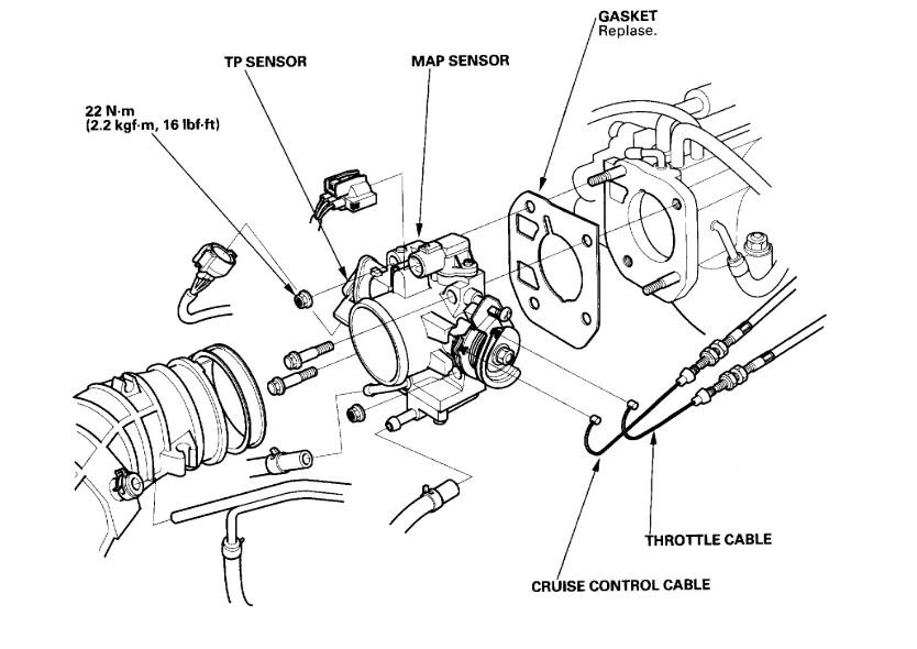
I bought this car about 2 years ago. I spent about six months replacing all kinds of things on it and for the last 18 months it's been driving perfect. I can go on long trips with the A/C blasting and it gets on the freeway very quickly. Nothing ever happens and it runs great all about a week ago; I started my car and let it warm up like I always do and the RPM's were where they always have been between 750 + 950 I got on the freeway Joe for about 5 minutes to the store and when I got out of the store when I turned it over in immediately clocked out and shut off. I restarted it four times and it did the same thing; it felt like a lawn mower that would kick over but then it puttered and I doubt in about 3 seconds. So I waited for about 10 minutes and I started it and it finally started I drove it back home and I haven't taken it anywhere since because now when I started in the driveway the idle after warming up seems to want to stay at 400 RPM. It hasn't shut off since the first time and I've never had a problem with it shaking or taking the gas. There's no gas smell there's no check engine lights, no codes everything seems to be perfectly fine except that I can't get it to go over the 400 RPM's. It almost sounds like it's not even running because it's so quiet I unplugged the IAC valve and the throttle went erratic up and down. So I know that was working. I have clean the throttle body two or three times over the past year. My air filter is not dirty and there are no vacuum or evap leaks. I have new spark plugs and starter and just about everything under the hood is new. Any thoughts? Thanks.





