Low Headlamp Voltage

Tiny
DMDONELON
  • MEMBER
  • 2004 CHEVROLET MONTE CARLO
  • 3.8L
  • 6 CYL
  • TURBO
  • 2WD
  • AUTOMATIC
  • 140,000 MILES
My passenger side low beam headlamp stopped working. I tried replacing it with new lamps and had no luck. I checked to see if I had voltage to the lamp and found that I had 7.6 volts. They are 12V lamps. I measured the driver side low beam and had 12 volts. I tried the driver side bulb in the passenger side with no luck. If it was a blown fuse, I would have no voltage at all on the passenger side. All of my bulbs are fine, they are 12V, 55W bulbs, and obviously want 12V, not 7.6V. Anybody have an idea as to what would cause a low voltage to the passenger side?
Saturday, August 21st, 2021 AT 10:55 AM

3 Replies

Tiny
JACOBANDNICKOLAS
  • MECHANIC
  • 110,194 POSTS
Hi,

If you have 12v on the right side high beam, that comes from the same power supply, so the problem is likely high resistance in the orange wire that powers the low beam. Both the high and low beams on the right side use the same fuse.

Here is what I suggest: First, inspect the light socket for corrosion or any damage to the connectors. If that is good, then you need to work backwards to where the high and low beam orange wires join together to see if there is a problem there.

The idea there is lower voltage to the low beam only on the same side simply means something is causing resistance. The wire could have an internal break, corroded, or anything that would make it harder for the power to make it through.

Check the connector and work backwards to see if you can locate where the power loss is located. You may even want to have someone wiggle the wire when you are testing voltage to see if it jumps around.

Here is a link that you may find helpful.

https://www.2carpros.com/articles/how-to-check-wiring

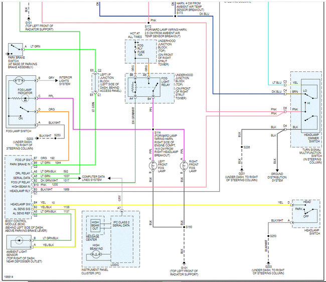
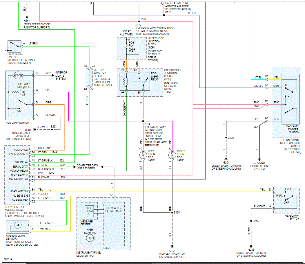
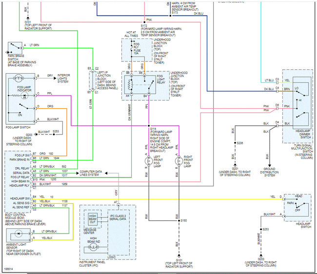
I attached the wiring schematic for the lighting system below. I highlighted the wiring from the fuse to the right side lights (high and low). I had to cut the pic in half to make it readable for you, but I did overlap them so you can follow from one to the next.

Let me know what you find or if you have other questions.

Take care,

Joe

See pics below.
Was this
answer
helpful?
Yes
No
Saturday, August 21st, 2021 AT 9:32 PM
Tiny
DMDONELON
  • MEMBER
  • 2 POSTS
Hi Joe,

I believe I have isolated it to the connection between the right hand low beam lamp and the multipin connector in the headlamp assembly. I have 11.9V at both the orange wires whether I take it to a good ground on the body of the car or the dark blue wire in this plug. That leads me to believe everything is good up to this point leaving me the headlamp assembly wiring. When I check the two pin bulb connection to ground I get 11.9V, but when I measure the voltage across the bulb plug in, I usually get nothing or an occasional spike in the voltage, but it never is a steady reading. My next question is, is this multipin connection removeable? It appears to have tangs that can be pushed in allowing it to be replaced without replacing the entire headlamp assembly, but I can't get a really good look at it on the inside even with a small mirror and flashlight, let alone get my fingers in there to remove something like a pin connection. I have added some pictures to help in explaining what I have found. Any advice as to what I can do next and how to do it?

Thanks,
Dave
Was this
answer
helpful?
Yes
No
Sunday, August 22nd, 2021 AT 9:56 AM
Tiny
JACOBANDNICKOLAS
  • MECHANIC
  • 110,194 POSTS
Hi,

Yep, you found the problem. As far as removal, I believe the wires on the inside are hard-wired. This simply means that is likely not meant to be removed.

At this point, try to see if you can wiggle that connector out. Regardless of removal, it needs to come out to inspect the wiring and repaired. If you can't, the assembly will need to be replaced.

Let me know what you find. Also, make sure the bulb connector isn't corroded, damaged, or have a pin pushed in.

Take care and I'll watch for your reply.

Joe
Was this
answer
helpful?
Yes
No
Sunday, August 22nd, 2021 AT 9:14 PM

Please login or register to post a reply.