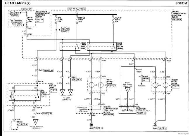
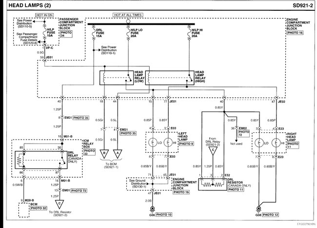
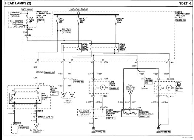
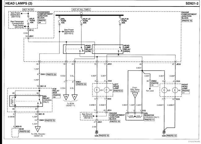
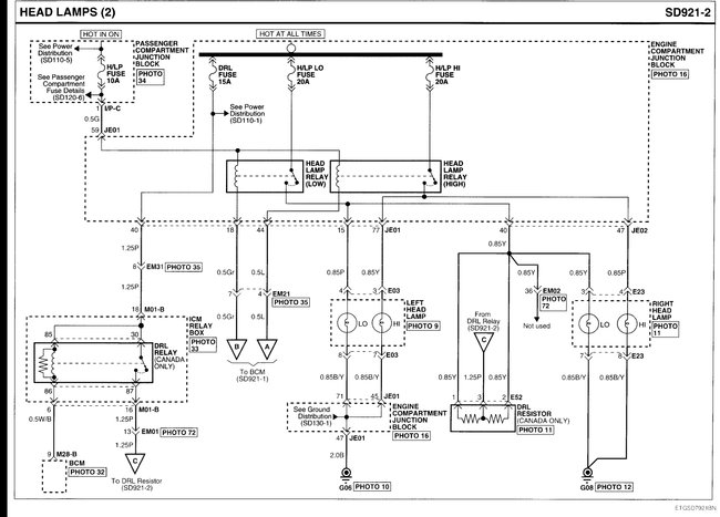
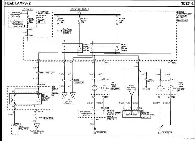
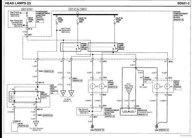
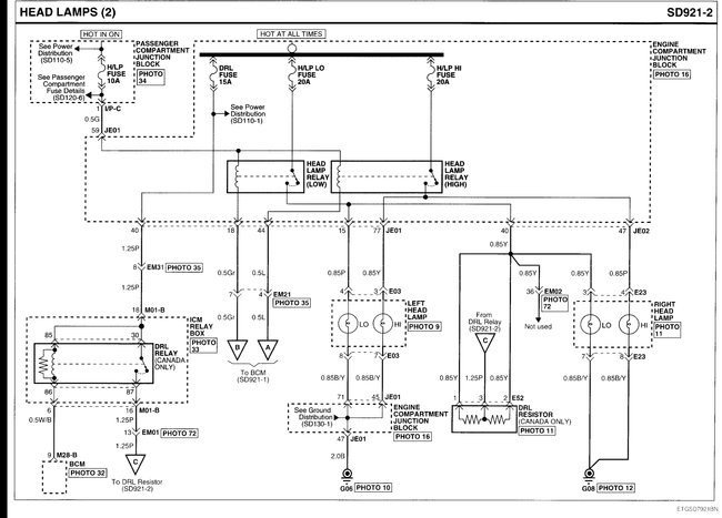
Tuesday, November 14th, 2017 AT 8:45 AM
I pulled into the garage one night and my low beam headlights went out. I would like to be able to diagnose before spending a couple hundred of dollars. How may I tell if it is a fuse (both headlamps went out at the same time), or the low beam fuse?



