Saturday, May 7th, 2016 AT 3:28 PM
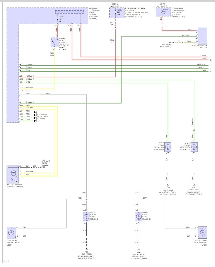
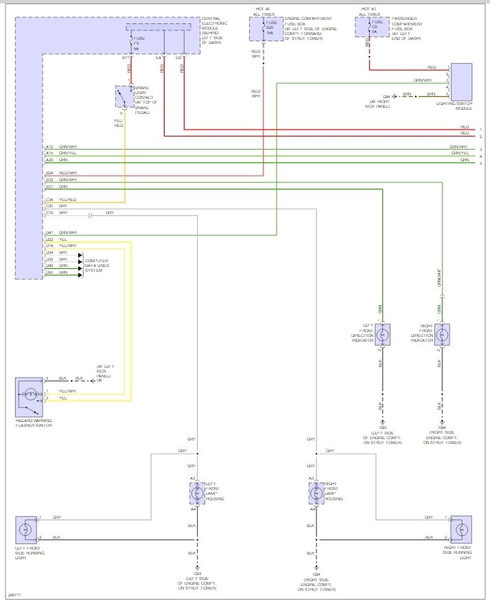
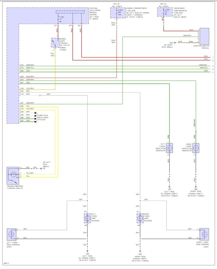
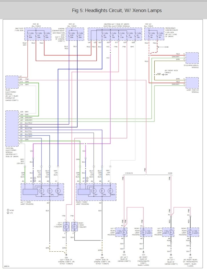
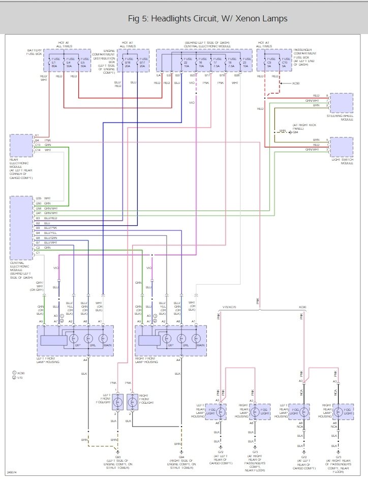
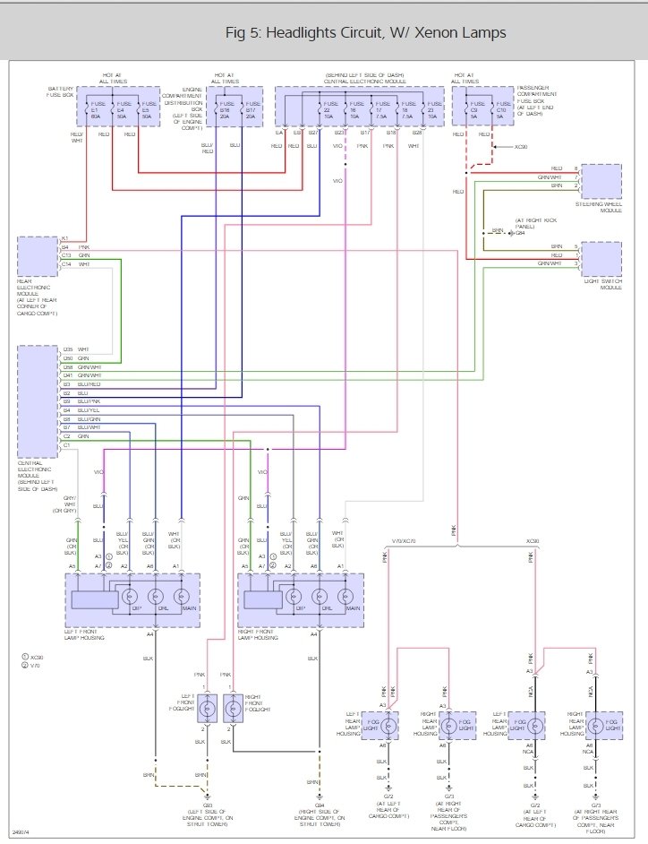
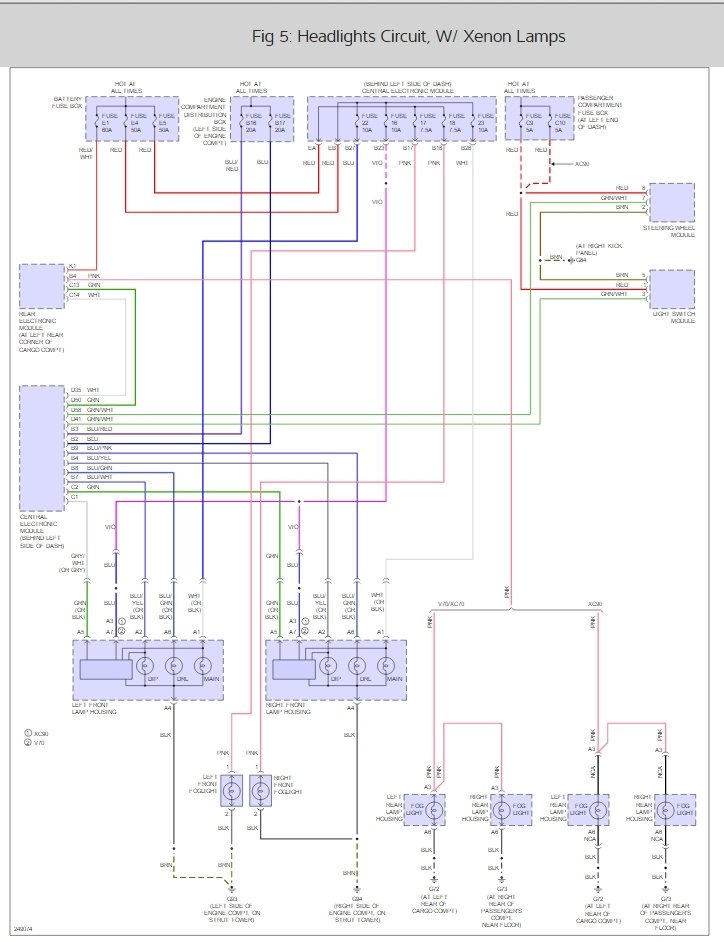
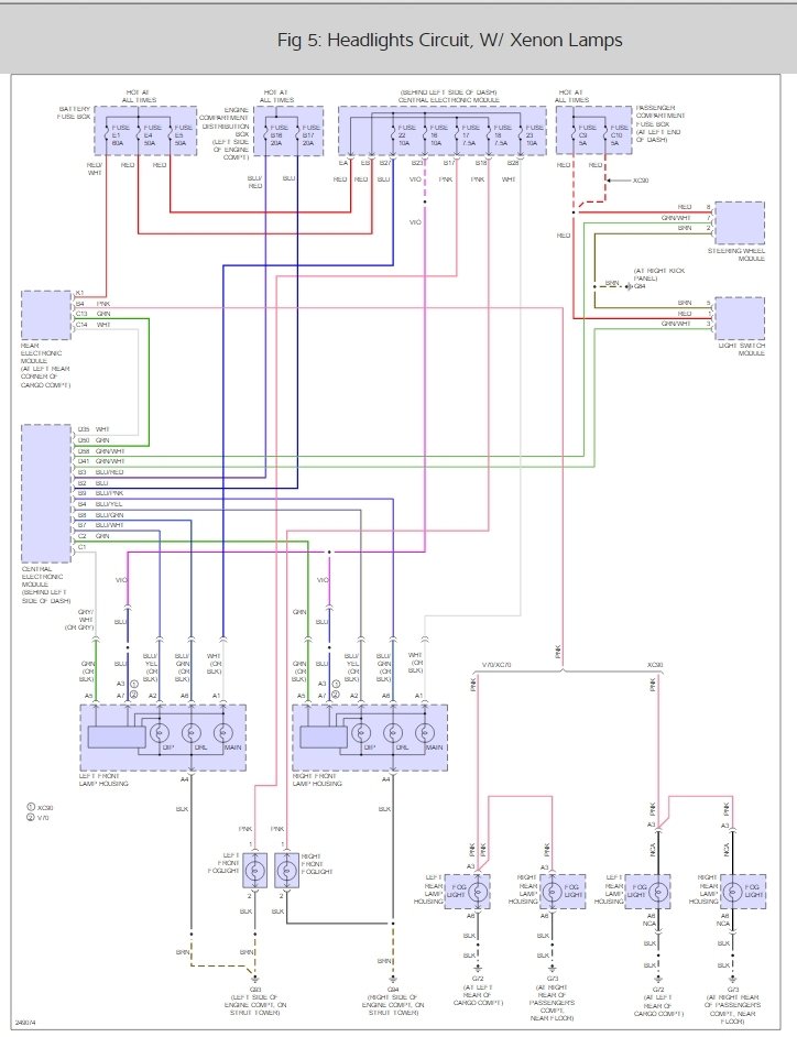
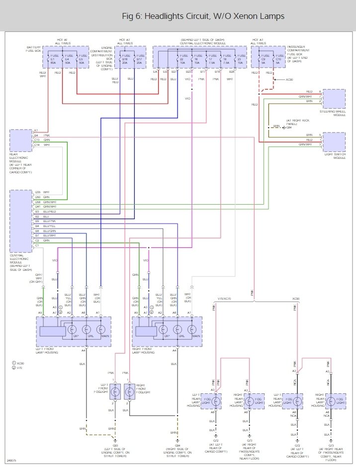
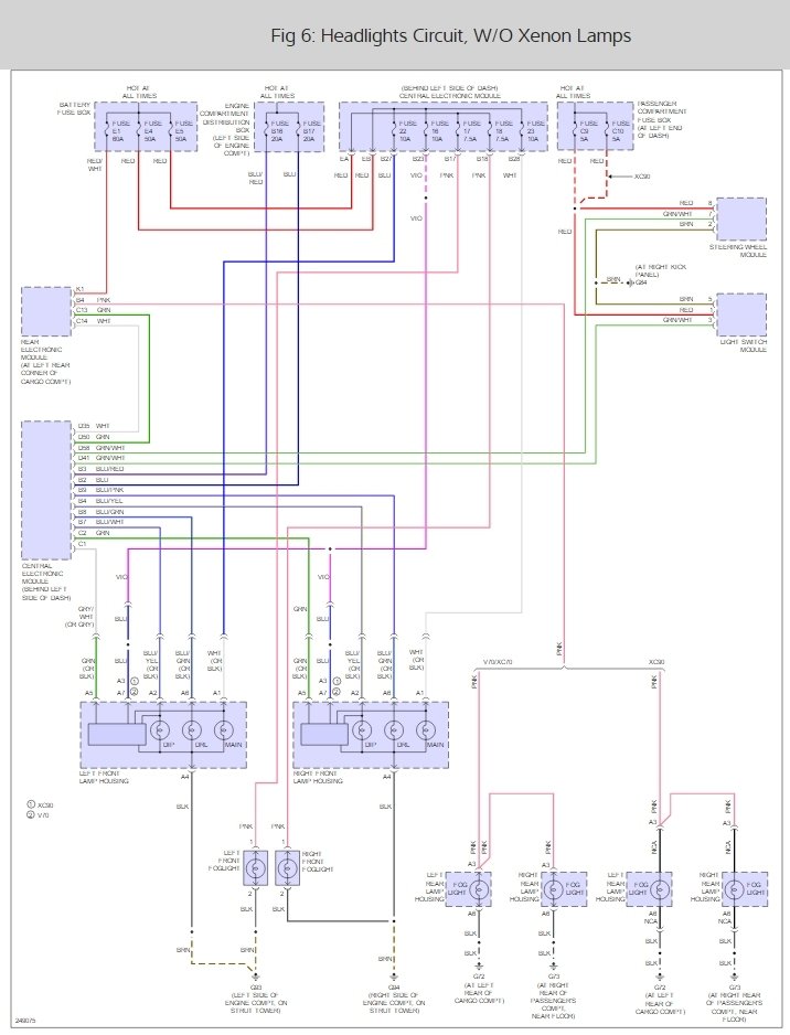
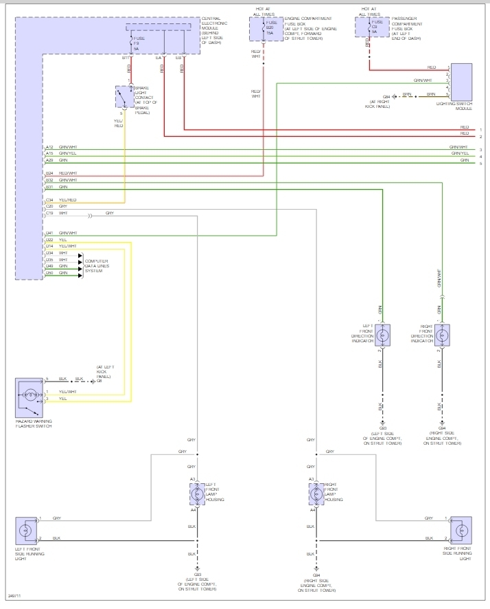
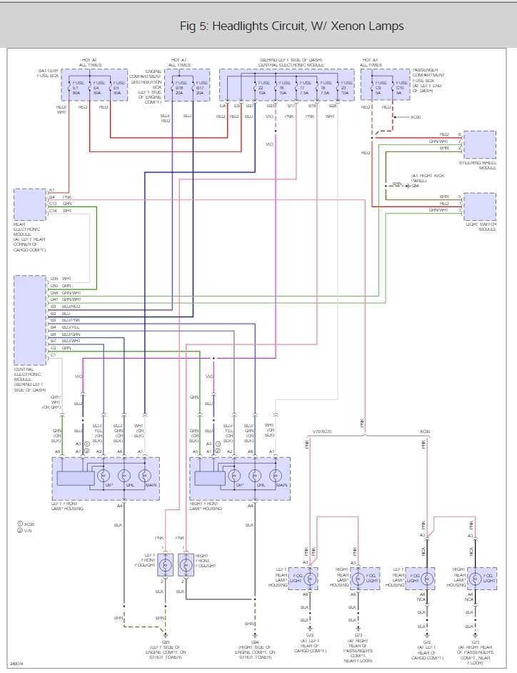
The low beams will not work. The daytime running lights work, as do the high beams. We have tested, via a voltmeter, and found that from the CEM the low beam pins B4 and B7 are not reading the 12 volts that the high beams do when turned on. Is this a relay problem? Any suggestions are greatly appreciated!




