Loud front noise

Tiny
JACOBANDNICKOLAS
  • MECHANIC
  • 110,192 POSTS
Are the belts new?
Was this
answer
helpful?
Yes
No
Saturday, April 4th, 2020 AT 8:48 PM
Tiny
LOU20
  • MEMBER
  • 83 POSTS
Yes A/C belt, timing belt, alternator belt.
Was this
answer
helpful?
Yes
No
Sunday, April 5th, 2020 AT 3:12 AM
Tiny
JACOBANDNICKOLAS
  • MECHANIC
  • 110,192 POSTS
Okay, then chances are it isn't a belt, unless they are loose. So, the next thing I suggest to confirm if it is a belt driven accessory is to remove the belts and start the engine for a couple seconds to see if the sound is gone.

Let me know if you need help.

Joe
Was this
answer
helpful?
Yes
No
Sunday, April 5th, 2020 AT 5:33 PM
Tiny
LOU20
  • MEMBER
  • 83 POSTS
A mechanic check my car and I was told it was the injector.
Was this
answer
helpful?
Yes
No
Tuesday, April 14th, 2020 AT 6:06 AM
Tiny
JACOBANDNICKOLAS
  • MECHANIC
  • 110,192 POSTS
Hi,

Was the part replaced and did it solve the issue? An injector can make a clicking or ticking, but I never heard one make a squealing noise.

If you can, let me know.

Joe
Was this
answer
helpful?
Yes
No
Tuesday, April 14th, 2020 AT 9:30 AM
Tiny
LOU20
  • MEMBER
  • 83 POSTS
It was not replaced yet but he did used a stethoscope. The noise was coming from the area where the injectors are.
Was this
answer
helpful?
Yes
No
Tuesday, April 14th, 2020 AT 11:29 AM
Tiny
JACOBANDNICKOLAS
  • MECHANIC
  • 110,192 POSTS
Okay. If you have the chance, could you let me know if that takes care of the problem. It will help others in the future that are experiencing the same issues. And honestly, I will be really interested in knowing if that takes care of the issue.

Thanks,
Joe
Was this
answer
helpful?
Yes
No
Tuesday, April 14th, 2020 AT 5:23 PM
Tiny
LOU20
  • MEMBER
  • 83 POSTS
Will let you know.
Was this
answer
helpful?
Yes
No
Tuesday, April 14th, 2020 AT 5:24 PM
Tiny
JACOBANDNICKOLAS
  • MECHANIC
  • 110,192 POSTS
Thank you. Interestingly, 35 years in the business and I have never heard such a sound from an injector, so I am really interested in knowing. Also, if your car does it, someone else is having the same problem, so your info will be helpful to others as well.

Thanks again,
Joe
Was this
answer
helpful?
Yes
No
Tuesday, April 14th, 2020 AT 5:57 PM
Tiny
LOU20
  • MEMBER
  • 83 POSTS
Hopefully the mechanic is correct, but the noise is coming from area by the injector because he gave it gas you hear the noise. I'm no expert but the sound is not coming from the belt area. So I have no clue what it can be if the noise stay after the injector is changed he also mentioned about spraying something.
Was this
answer
helpful?
Yes
No
Wednesday, April 15th, 2020 AT 2:57 PM
Tiny
JACOBANDNICKOLAS
  • MECHANIC
  • 110,192 POSTS
I hope he is as well. However, I never heard an injector make a squealing noise. As far as spraying something, he likely is referring to the belt with a belt dressing.

What you could do is take a small amount of water and pour it on the belt when the vehicle is running to see if the sound changes. Just make sure to protect your eyes and clothing because water will spray.

Let me know.
Was this
answer
helpful?
Yes
No
Wednesday, April 15th, 2020 AT 6:46 PM
Tiny
LOU20
  • MEMBER
  • 83 POSTS
I have to change the intake gasket and water pump.
Was this
answer
helpful?
Yes
No
Thursday, April 16th, 2020 AT 6:53 PM
Tiny
JACOBANDNICKOLAS
  • MECHANIC
  • 110,192 POSTS
Okay, the water pump makes sense because it can make a squealing noise or cause a drag on the belt. As far as the intake, I'm not sure that was the source of the noise. Regardless, here are the directions for replacing both. The attached pics correlate with the directions. I will start with the intake manifold.

_____________________________________________________

2008 Kia Rio L4-1.6L
Repair Procedures
Vehicle Engine, Cooling and Exhaust Engine Intake Manifold Service and Repair Removal and Replacement Repair Procedures
REPAIR PROCEDURES
REMOVAL

1. Remove the engine cover(A).

Pic 1

2. Remove the accelerator cable(A).
3. Disconnect the TPS (Throttle Position Sensor) connector (B).
4. Disconnect the ISA(Idle Speed Actuator) connector(B).
5. Disconnect the PCV(Positive Crankcase Ventilation) hose(D) and breather hose(E).

Pic 2

6. Disconnect the injector connector (No. 3, 4) (A).
7. Disconnect the injector connector (No. 1, 2) (B).

Pic 3

8. Remove the heater hose(A), PCSV(Purge Control Solenoid Valve)(B) and the brake vacuum hose(C) from throttle body and intake manifold.
9. Disconnect the PCSV(Purge Control Solenoid Valve) (D) and water temperature sensor connector(E).

Pic 4

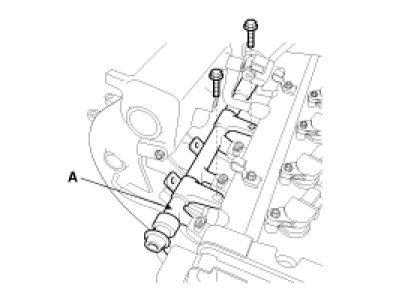
10. Remove the delivery pipe(A).

Tightening torque :
18.6 - 27.5N.M (1.9 - 2.8kgf.M, 13.7 - 20.3lb-ft)

pic 5

11. Remove the intake manifold stay(A).

Tightening torque :
17.7 - 24.5N.M (1.8 - 2.5kgf.M, 13.0 - 18.1lb-ft)

pic 6

12. Remove the intake manifold.

Tightening torque :
14.7 - 19.6N.M (1.5 - 2.0kgf.M, 10.8 - 14.5lb-ft)

pic 7
13. Installation is in the reverse order of removal with new gasket.

_________________________________________________

Here are the directions for the pump. This is a bigger job than normal because the pump is run by the timing belt. I will include directions for timing belt removal and replacement last.

_________________________________________________

2008 Kia Rio L4-1.6L
Repair Procedures
Vehicle Engine, Cooling and Exhaust Engine Water Pump Service and Repair Removal and Replacement Repair Procedures
REPAIR PROCEDURES
REMOVAL

WATER PUMP
1. Drain the engine coolant.

WARNING:
System is under high pressure when the engine is hot.
To avoid danger of releasing scalding engine coolant, remove the cap only when the engine is cool.

2. Loosen the water pump pulley bolts.
3. Remove the drive belts.

Pic 8

4. Remove the water pump pulley.
5. Remove the timing belt.
6. Remove the timing belt idler.
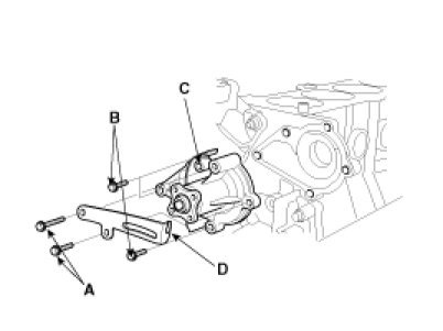
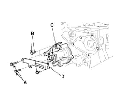
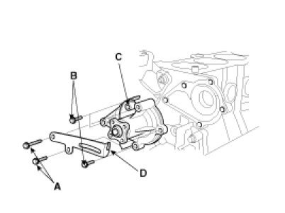
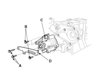
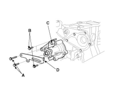
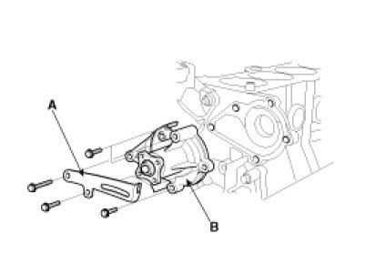
7. Remove the water pump.
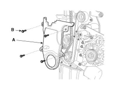
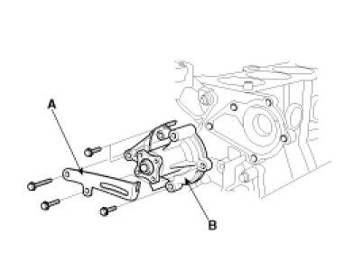
(1)Remove the 2 bolts and alternator brace(A).
(2)Remove the 3 bolts and remove the water pump(B) and gasket.

Pic 9

INSTALLATION

WATER PUMP
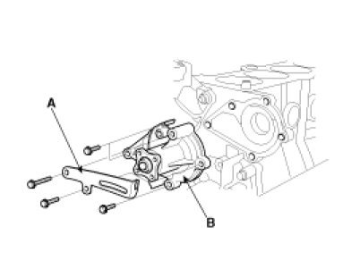
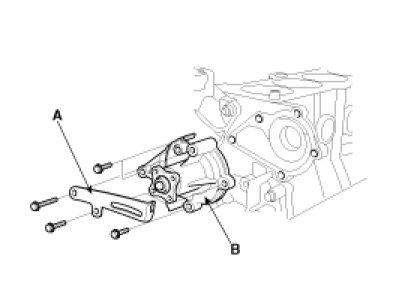
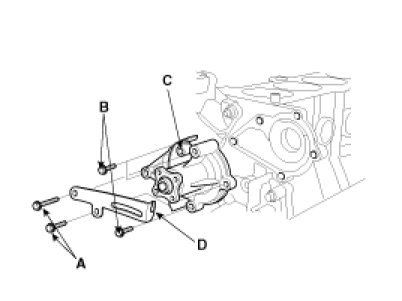
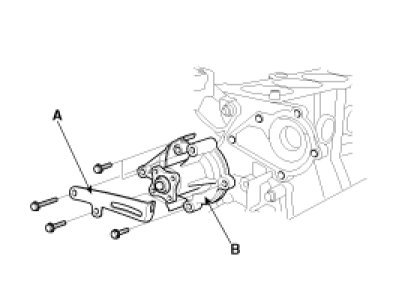
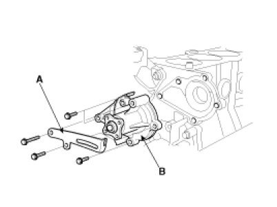
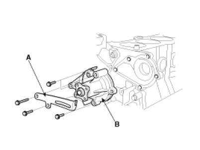
1. Install the water pump.
(1)Install the water pump(C) and a new gasket with the 3 bolts(B).

Tightening torque :
11.8 - 14.7 N.M (1.2 - 1.5 kgf.M, 8.7 - 10.8 lb-ft)

pic 10

(2)Install the alternator brace(D) with the 2 bolts(A).

Tightening torque :
19.6 - 26.5N.M (2.0 - 2.7kgf.M, 14.5 - 19.5lb-ft)

2. Install the timing belt idler.
3. Install the timing belt.
4. Install the water pump pulley.
5. Install the drive belts.
6. Tighten the water pump pulley bolts.

Tightening torque :
7.8 - 9.8 N.M (0.8 - 1.0 kgf.M, 5.8 - 7.2 lb-ft)

7. Fill with engine coolant.
8. Start engine and check for leaks.
9. Recheck engine coolant level.
__________________________________________________________

Timing belt

2008 Kia Rio L4-1.6L
Repair Procedures
Vehicle Engine, Cooling and Exhaust Engine Timing Components Timing Belt Service and Repair Removal and Replacement Repair Procedures
REPAIR PROCEDURES
REMOVAL

Engine removal is not required for this procedure.
1. Remove the engine cover(A).

Pic 11

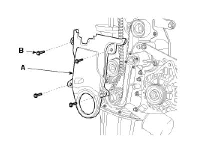
2. Remove the RH front wheel.
3. Remove the 2 bolts(B) and RH side cover(A).

Pic 12

4. Temporarily loosen the water pump pulley bolts.

Pic 13

5. Remove the alternator drive belt(A).

Image 6. Remove the air conditioner compressor drive belt(B).

7. Remove the power steering pump drive belt(C).

8. Remove the 4 bolts and water pump pulley.
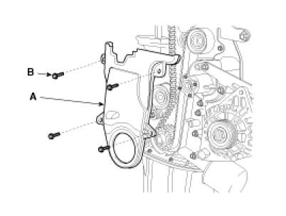
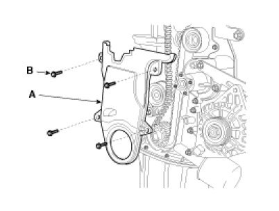
9. Remove the 4 bolts(B) and timing belt upper cover(A).

Pic 14

10. Turn the crankshaft pulley, and align its groove with timing mark "T" of the timing belt cover. Check that the timing mark of camshaft sprocket is aligned with the timing mark of cylinder head cover. (No.1 cylinder compression TDC position)

pic 15

pic 16

11. Remove the crankshaft pulley bolt and crankshaft pulley(A).

Pic 17

12. Remove the crankshaft flange(A).

Pic 18

13. Remove the 4 bolts(B) and timing belt lower cover(A).

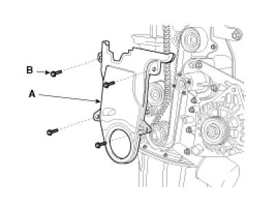
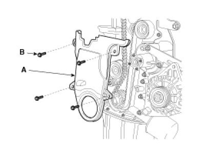
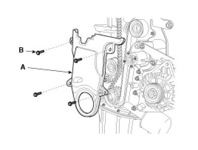
Pic 20

14. Remove the timing belt tensioner(A) and timing belt.

Pic 21

pic 22

NOTE:
If the timing belt reused, make an arrow indicating the turning direction to make sure that the belt is reinstalled in the same direction as before.

15. Remove the bolt(B) and timing belt idler(A).

Pic 23

16. Remove the crankshaft sprocket(A).

Pic 24

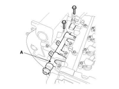
17. Remove the cylinder head cover.
(1)Remove the wire harness bracket(A).

Image (2)Remove the ignition coil.

Pic 25

(3)Remove the PCV (Positive Crankcase Ventilation) hose(A) and the breather hose(B) from the cylinder head cover.

Pic 26

(4)Remove the engine cover bracket(A).

Pic 27

(5)Loosen the cylinder head cover bolts(B) and then remove the cover(A) and gasket.

Pic 28

18. Remove the camshaft sprocket.
(1)Hold the portion(A) of the camshaft with a hexagonal wrench, and remove the bolt(C) with a wrench(B) and remove the camshaft sprocket.

Pic 29

CAUTION:
Be careful not to damage the cylinder head and valve lifter with the wrench.

INSTALLATION

1. Install the camshaft sprocket and tighten the bolt to the specified torque.
(1)Temporarily install the camshaft sprocket bolt(C).
(2)Hold the portion(A) of the camshaft with a hexagonal wrench, and tighten the bolt(C) with a wrench(B).

Tightening torque :
78.5 - 98.1N.M (8.0 - 10.0kgf.M, 57.9 - 72.3lb-ft)

pic 30

2. Install the cylinder head cover.
(1)Install the cylinder head cover(A) and bolts(B).

Tightening torque :
7.8 - 9.8N.M (0.8 - 1.0kgf.M, 5.8 - 7.2lb-ft)

pic 31

(2)Install the engine cover bracket(A).

Pic 32

(3)Install the PCV(Positive Crankcase Ventilation) hose(A) and breather hose(B) to the cylinder head cover.

Pic 33

(4)Install the ignition coil.

Pic 34

3. Install the crankshaft sprocket(A).

Pic 35

4. Align the timing marks of the camshaft sprocket(A) and crankshaft sprocket(B) with the No.1 piston placed at top dead center and its compression stroke.

Pic 36

pic 37

5. Install the idler pulley(A) and tighten the bolt(B) to the specified torque.

Tightening torque :
42.2 - 53.9N.M (4.3 - 5.5kgf.M, 31.1 - 39.8lb-ft)

pic 38

6. Temporarily install the timing belt tensioner(A).

Pic 39

7. Install the belt so as not give slack at each center of shaft. Use the following order when installing timing belt.
Crankshaft sprocket(A) ->idler pulley(B) ->camshaft sprocket(C) ->timing belt tensioner(D).

Pic 40

8. Adjust the timing belt tension.
(1)Loosen the tensioner pulley mounting bolt and apply tension to the timing belt.

Pic 41

(2)After checking the alignment between each sprocket and each timing belt tooth, tighten the mounting bolt (A) and (B) one by one.

Tightening torque :
19.6 - 26.5N.M (2.0 - 2.7kgf.M, 14.5 - 19.5lb-ft)

(3)Then recheck the belt tension.
Verify that when the tensioner and the tension side of the timing belt are pushed in horizontally with a moderate force [approx. 49N (11lb)], the timing belt cog end is approx. 1/2 of the tensioner mounting bolt head radius (across flats) away from the bolt head center.

Pic 42

(4)Timing belt tension measuring procedure
(by a sonic tension gauge)
Rotate crankshaft in clockwise direction to set 1st piston on top dead center (TDC) and rotate crankshaft in counterclockwise to 90° then measure the belt tension in the middle of tension side span (in arrow direction of above illustration) by free vibration method.

CAUTION:
Avoid rotating the crankshaft in a counter clockwise direction.
Engine damage could occur.

Conversion equation of frequency into tension :
T = (4 / 9.8) x S2 x M x W x f2 / 100000000

S : Measured belt span (mm)
M : Unit weight of belt (kgf/cm2)
W : Belt width (mm)
f : Transverse natural frequency of belt (Hz)

Timing Belt Specifications

pic 43

9. Turn the crankshaft two turns in the operating direction (clockwise) and realign crankshaft sprocket and camshaft sprocket timing mark.
10. Install the timing belt lower cover(A) with 5bolts(B).

Tightening torque :
7.8 - 9.8N.M (0.8 - 1.0kgf.M, 5.8 - 7.2lb-ft)

pic 44

11. Install the flange and crankshaft pulley(A), and then tighten crankshaft pulley bolt.
Make sure that crankshaft sprocket pin fits the small hole in the pulley.

Tightening torque :
137.3 - 147.1N.M (14.0 - 15.0kgf.M, 101.3 - 108.5lb-ft)

pic 45

12. Install the timing belt upper cover(A) with 4 bolts(B).

Tightening torque :
7.8 - 9.8N.M (0.8 - 1.0kgf.M, 5.8 - 7.2lb-ft)

pic 46

13. Install the water pump pulley and 4 bolts.
14. Install the power steering pump drive belt(C).

Pic 47
Install the air conditioner compressor drive belt(B).

16. Install the alternator drive belt(A).
17. Install the RH side cover(A) with 2 bolts(B).

Pic 48

18. Install the RH front wheel.

Tightening torque :
88.3 - 98.1N.M (9.0 - 10.0kgf.M, 65.1 - 72.3lb-ft)

19. Install the engine cover with bolts.

Tightening torque :
3.9 - 5.9N.M (0.4 - 0.6kgf.M, 2.9 - 4.3lb-ft)

pic 49

Let me know if this helps or if you have other questions.

Take care,
Joe
Was this
answer
helpful?
Yes
No
Thursday, April 16th, 2020 AT 7:22 PM
Tiny
LOU20
  • MEMBER
  • 83 POSTS
Wow, this will take hours of work.
Was this
answer
helpful?
Yes
No
Thursday, April 16th, 2020 AT 8:21 PM
Tiny
JACOBANDNICKOLAS
  • MECHANIC
  • 110,192 POSTS
Hi,

Yes, it's a lot of work, but believe it or not, if you take it to a shop, their labor shouldn't be that high. I think the timing belt calls for about 2 hours plus add on for the pump, maybe a half hour more. The intake will be roughly another 3 hours.

Let me know if you have questions or need additional help.

Take care,
Joe
Was this
answer
helpful?
Yes
No
Thursday, April 16th, 2020 AT 8:32 PM
Tiny
LOU20
  • MEMBER
  • 83 POSTS
Will running my car with a bad water pump cause other damage?
Was this
answer
helpful?
Yes
No
Wednesday, May 13th, 2020 AT 6:22 AM
Tiny
JACOBANDNICKOLAS
  • MECHANIC
  • 110,192 POSTS
Hi,

If the pump fails or is leaking, it will cause the engine to overheat. Plus, since this one is driven by the timing belt, if it would lock up, yes, it could certainly cause other issues. Note that if this is a single overhead cam engine (and I believe it is), it shouldn't cause internal engine damage. However, if it is a dual overhead cam, it is an interference engine. If something causing the timing belt to break, internal engine damage will likely occur.

Let me know if you have other questions.

Joe
Was this
answer
helpful?
Yes
No
Wednesday, May 13th, 2020 AT 7:42 PM

Please login or register to post a reply.