Saturday, September 21st, 2019 AT 6:32 PM
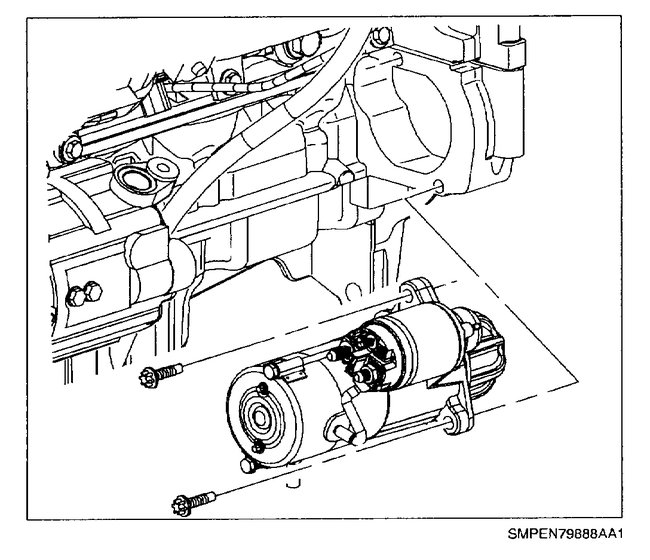
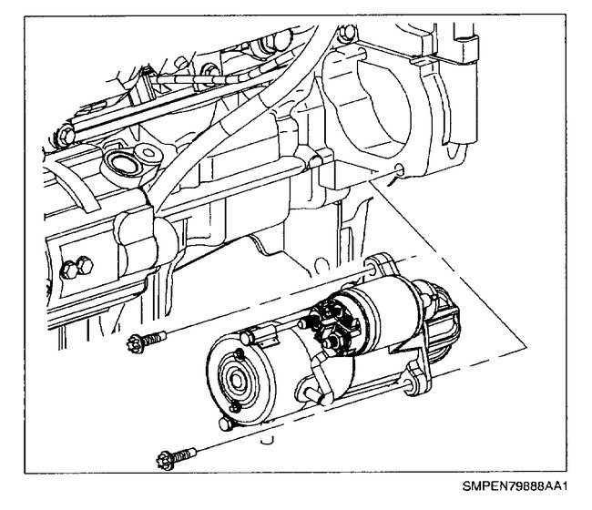
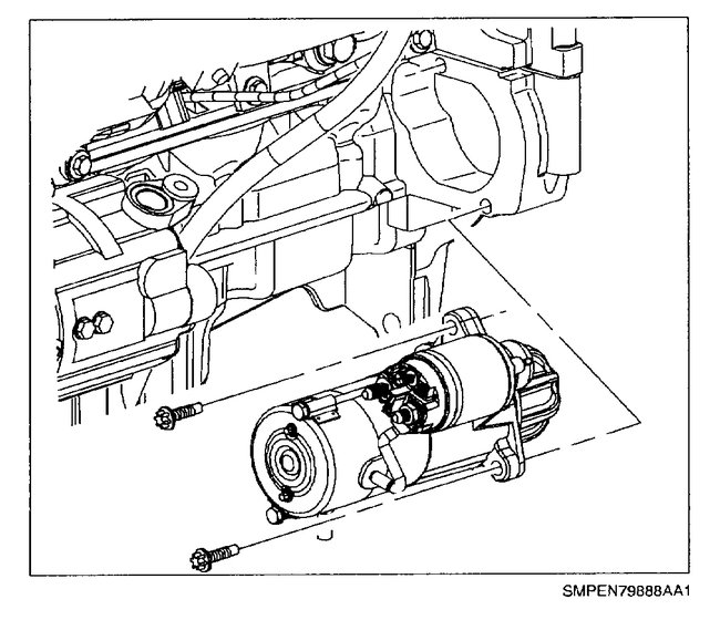
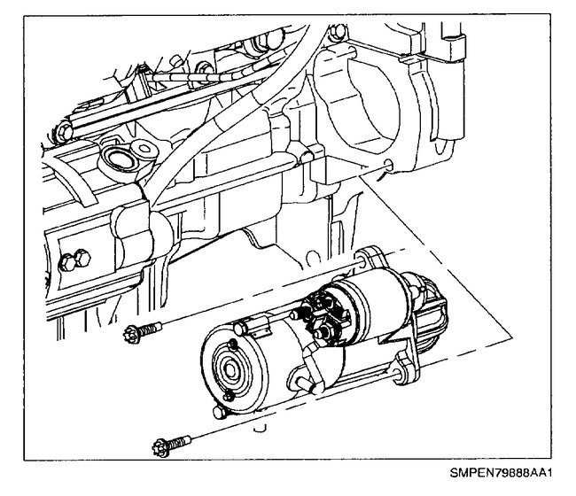
Recently acquired this vehicle and it was running fine through the summer. About a week ago starting it became more and more difficult to start. To me it seemed like the battery just didn't have enough to turn the engine over. So like 3 or 4 days ago I go to start it and nothing. Turn it off try again this time holding the key all the way forward cause it's worked once before. I see smoke coming from engine compartment. Immediately turn it off, disconnect battery and look for source of smoke. Slide under car notice the starter is caked with oil and what not around connectors. Clean it, try it nothing. But I do notice oil in my air intake duct. Remove battery have it charged replace it turn key and nothing. Try it again there is a loud bang from under hood. Turn it off and here I am. Any help?






