Saturday, September 29th, 2018 AT 6:33 AM
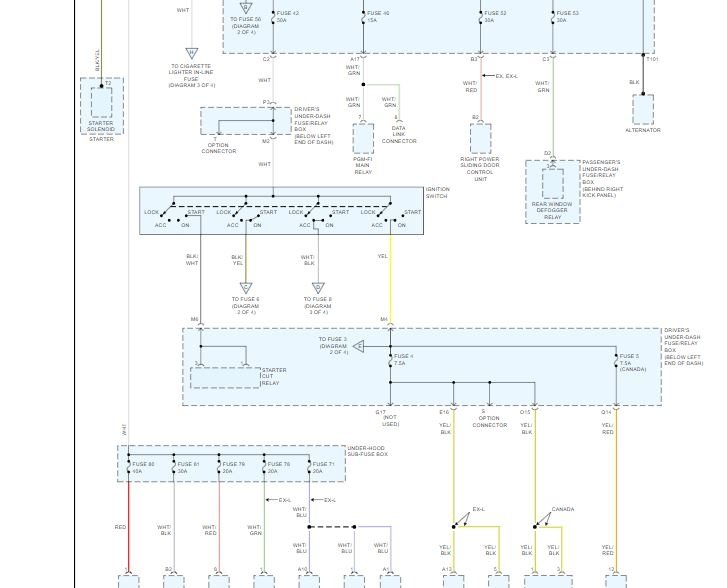
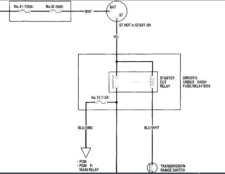
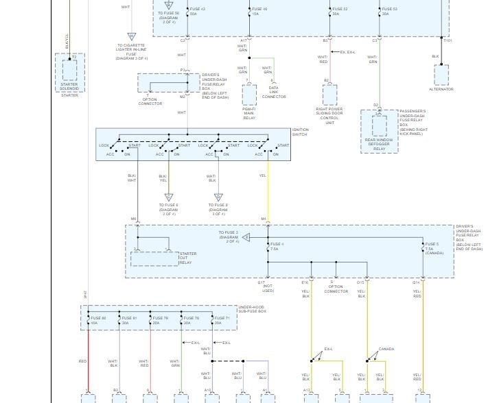
Key stopped turning. Lock Smith repaired the lock cylinder tumblers, so same key, same immobilizer, etc. Nothing re-programmed. Worked perfectly after re-install. Put the upper and lower steering trim cover back on the following day. Everything worked. The next morning, the dash lights lit up in key position number two just like they should, but no power in start position number three and then all power lost in all positions after that. Now I only get key-in-ignition warning chime and nothing else.






