Monday, June 22nd, 2020 AT 8:15 AM
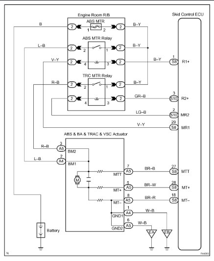
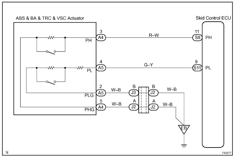
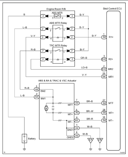
My vehicle listed above had all the 4 wheel drive and drive-train lights come on and a high pitch alarm buzzer is on under the dash near firewall or kick-plate area. About 10 miles later I lost all brake power. Used emergency brake to get it home. ABS light also on but no check engine light. Not sure where or why there is a alarm buzzer? Is that a limp mode warning or something? Not sure what to look for.













