Saturday, June 24th, 2023 AT 12:23 PM
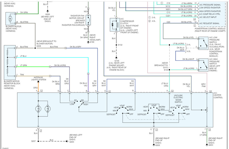
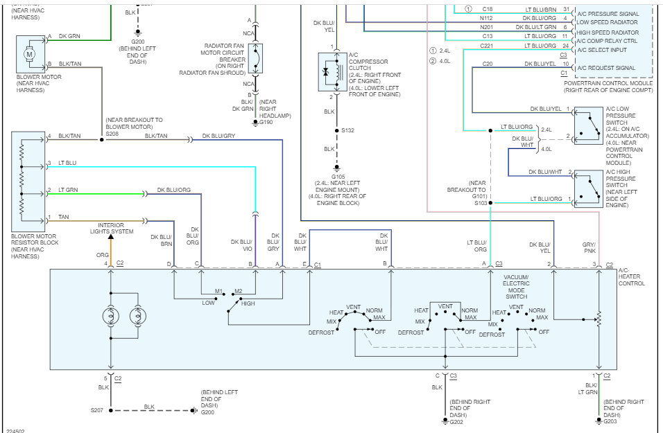
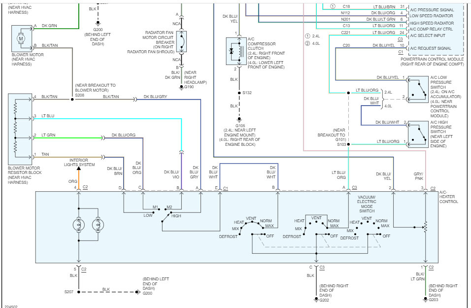
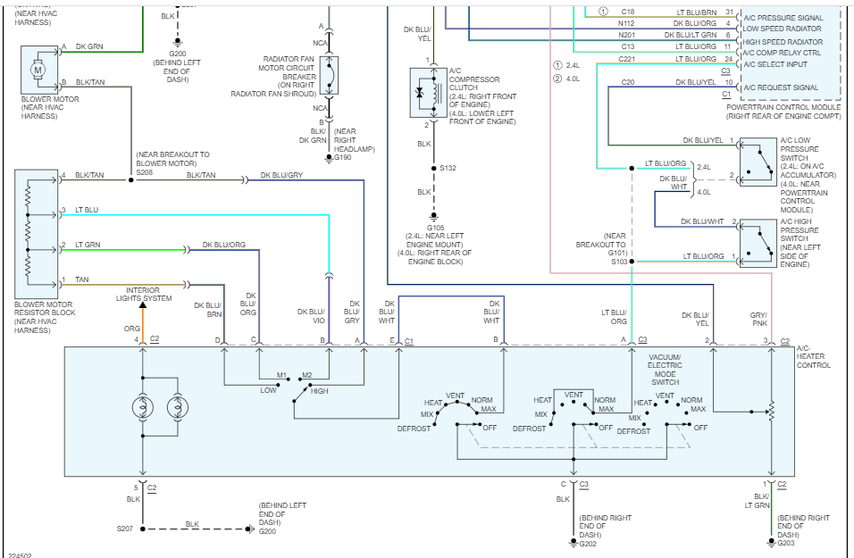
My blower motor fan switch stopped working and the back is melted. I got a new climate control panel, but the female side of the blower motor wire harness is also melted. I cut it off and put new lugs on, but it still does not work. I need to verify I plugged the wires in correctly, and then potentially look up stream for other failures. And diagrams or wisdom would be much appreciated. The 05/'06 climate controls are especially unique *cough*.



