HOME
ASK A QUESTION
REPAIR GUIDES
BECOME A MEMBER
LOG IN
Login with Facebook
OR
Remember me
NOT A MEMBER?
FORGOT PASSWORD?
CONTACT US
PRIVACY POLICY
TERMS AND CONDITIONS
☰
Home
Ford
Escape
Engine
Vacuum Hose Diagram
Engine vacuum hose diagram
MANICMECH
MEMBER
2003 FORD ESCAPE
3.0L
V6
2WD
AUTOMATIC
160,000 MILES
Looking for diagrams and help finding idle and acceleration problems?
Monday, April 28th, 2014 AT 1:52 PM
1 Reply
KASEKENNY
MECHANIC
18,907 POSTS
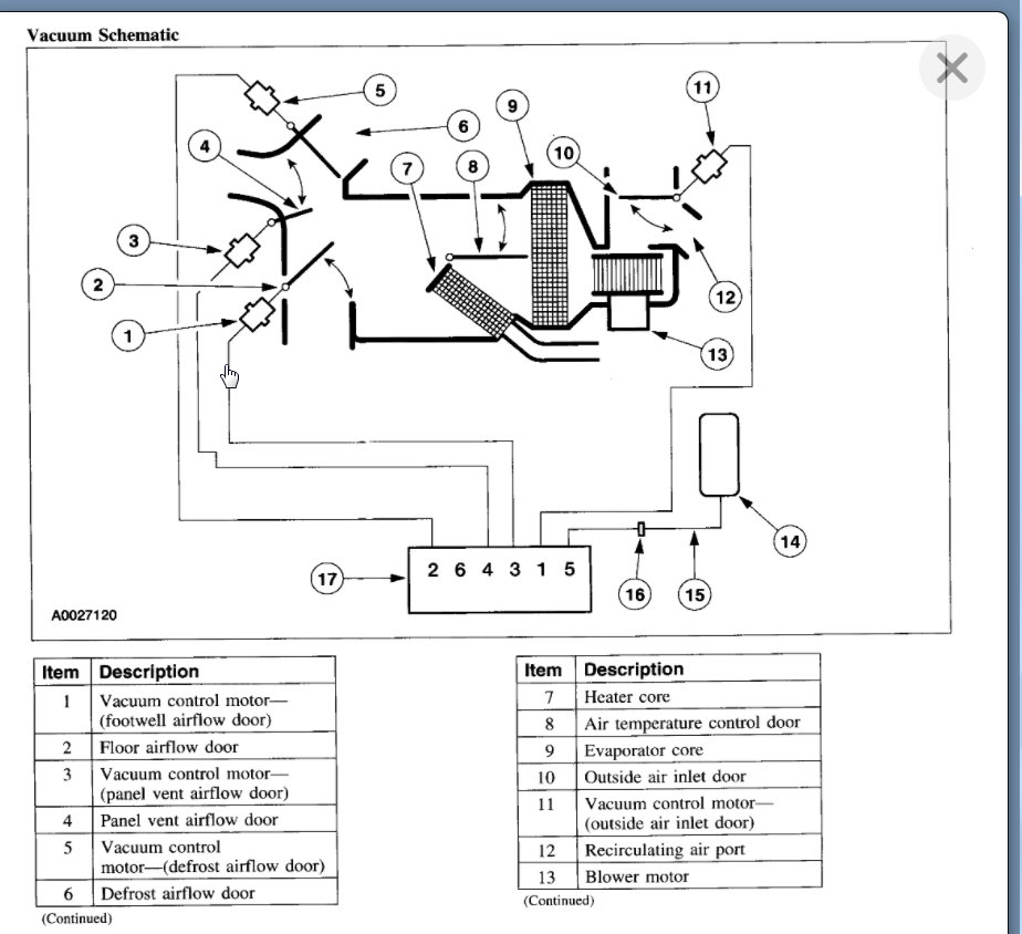
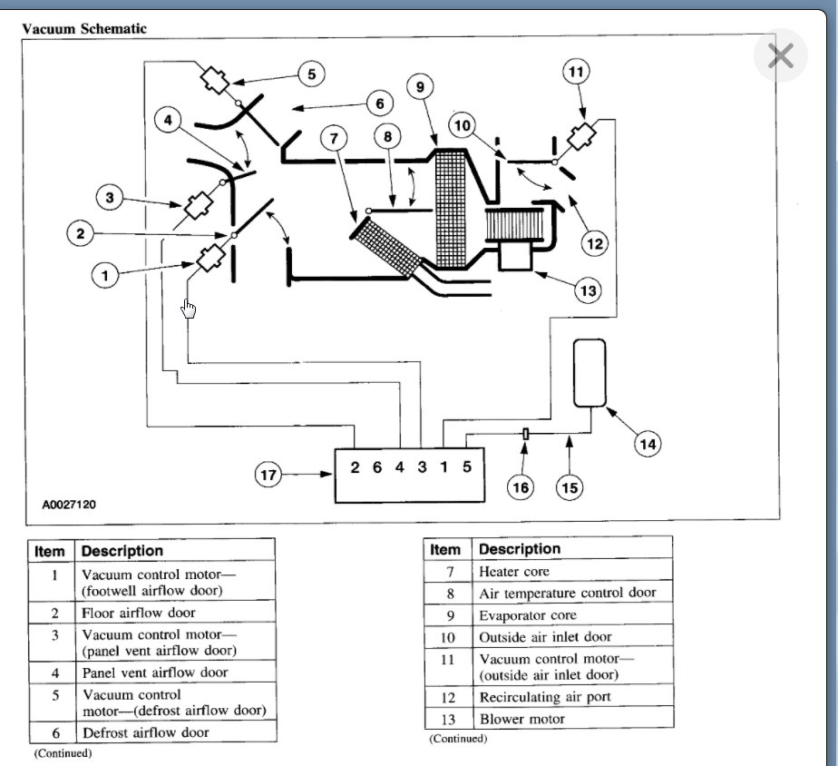
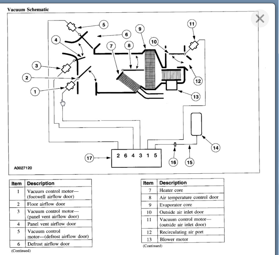
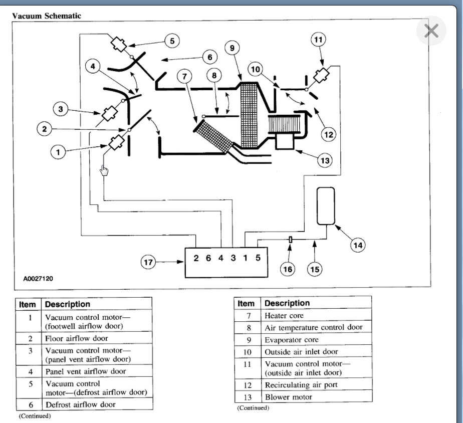
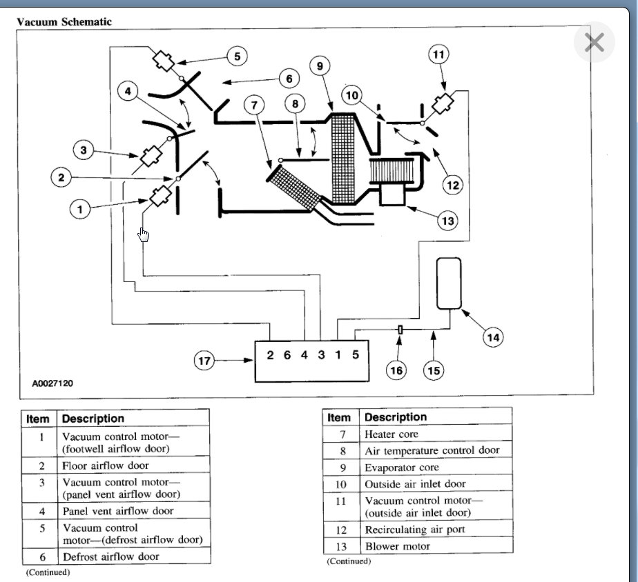
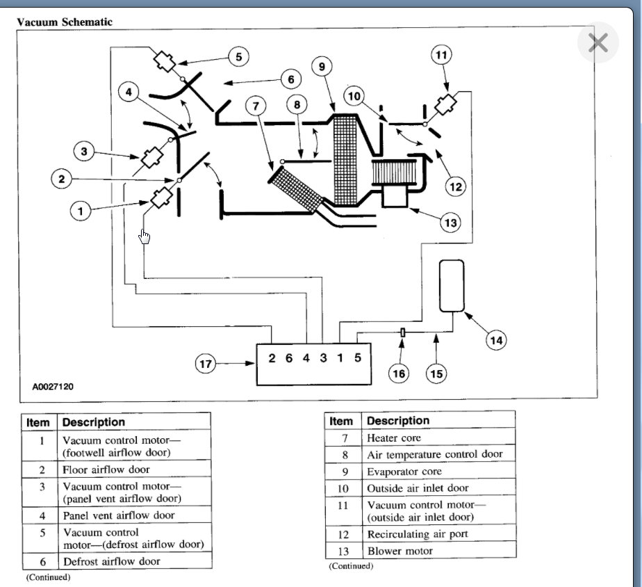
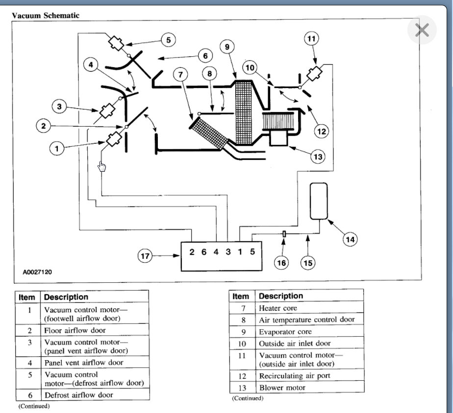
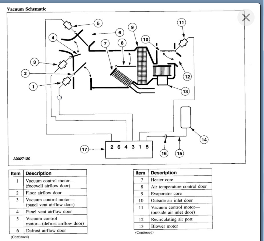
Here are some guides that will help with finding the possible cause of this which is most likely a vacuum leak:
https://www.2carpros.com/articles/how-to-use-an-engine-vacuum-gauge
https://www.2carpros.com/articles/engine-surges
I attached the diagrams but I suspect it is just a leak around the intake manifold area.
Let us know what questions you have. Thanks
Images (Click to make bigger)
Was this
answer
helpful?
Yes
No
-1
Friday, December 4th, 2020 AT 1:44 PM
Please
login
or
register
to post a reply.
Related Vacuum Hose Diagram Content
Vacuum Hose
Does Anyone Have Any Clue Where This Came From? Http://pho.to/a1v6s For The Life Of Me I Cannot Figure It Our. Ps, Sorry Im On An Iphone...
Asked by
James9187
·
10 ANSWERS
2003
FORD ESCAPE
Does The Ford Escape 2005, 4 Cyl's Main Manifold...
When Accelerating From A Stand Still, Most Of The Time It Hesitates (like Its Misses). I Changed The Spark Plugs Less Than 2,000 Miles Ago...
Asked by
univ3ventures
·
2 ANSWERS
2005
FORD ESCAPE
2001 Ford Escape Replacing Pcv Vaccum Tube On A '01...
Hello, I Was Thinking About Taking On The Task Of Replacing The Pcv Tube, On The Advice Of Our Local Ford Service Repair Shop. Our Car Was...
Asked by
zinc76
·
1 ANSWER
2001
FORD ESCAPE
Timing Belt
Need The Timing Marks Chart
Asked by
martinfierro
·
4 ANSWERS
37 IMAGES
2002
FORD ESCAPE
Pcm Pin Out Diagram?
Where Can I Get A Pcm Connector Pin Out Diagram For My 2001 Ford Escape 3.0.
Asked by
Wayne Dennis
·
7 ANSWERS
9 IMAGES
2001
FORD ESCAPE
VIEW MORE
Ask a Car Question. It's Free!
Intermittent Misfire
Misfire Random Code P0300
How to Repair an Engine Cylinder Misfire