Where is the A/C Compressor clutch relay located?

Tiny
TOMMYT58
  • MEMBER
  • 2013 NISSAN SENTRA
  • 4 CYL
  • 2WD
  • AUTOMATIC
  • 96,000 MILES
Where is the location of the A/C compressor clutch relay? Thanks
Sunday, June 19th, 2022 AT 2:07 PM

1 Reply

Tiny
JACOBANDNICKOLAS
  • MECHANIC
  • 110,192 POSTS
Hi,

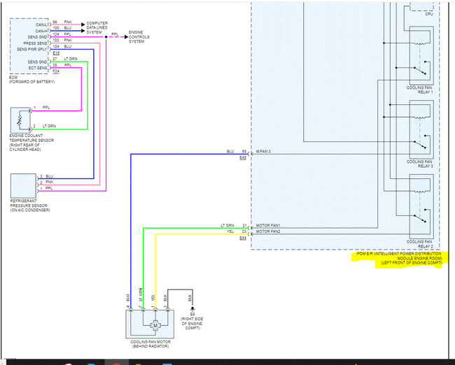
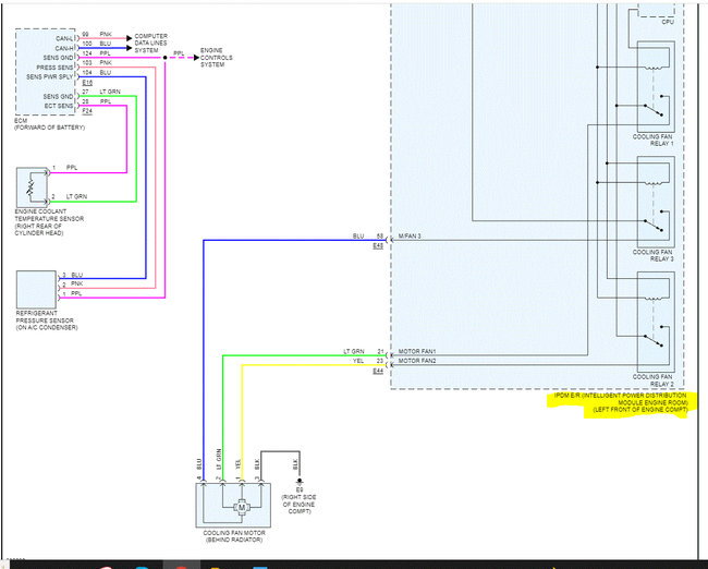
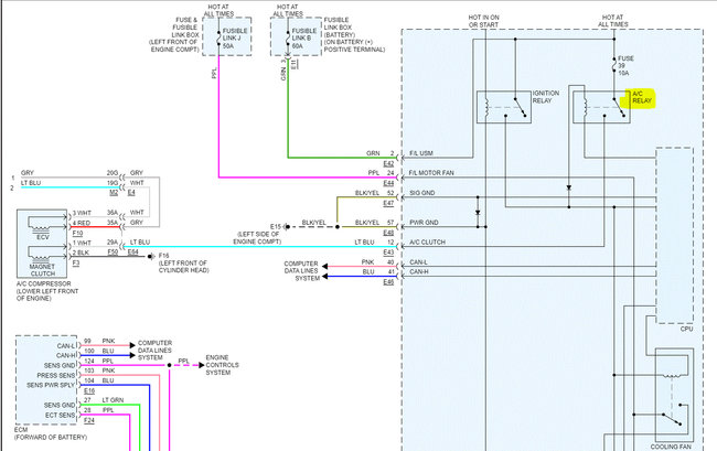
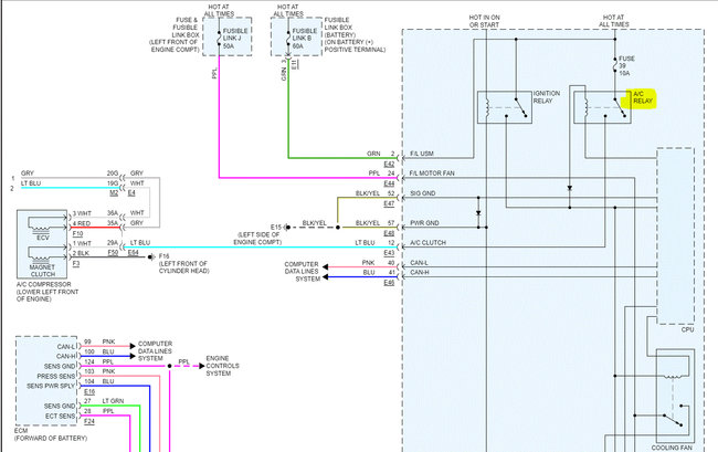
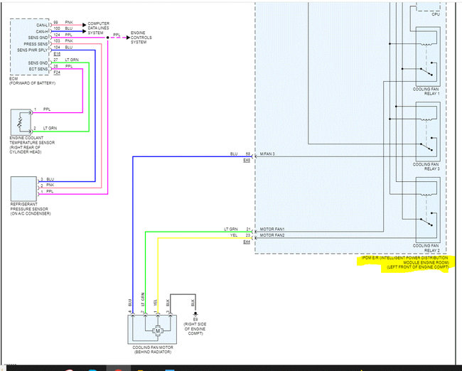
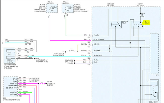
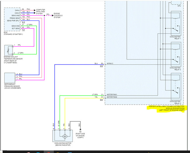
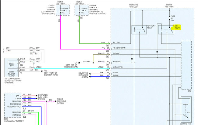
The relay is located in the IPDM (intelligent power distribution module). The IPDM is located under the hood on the driver's side.

I attached the wiring schematic below. I tried looking up a pic of the IPDM, but it isn't provided in my manual. There should be a label on the lid of the box.

Also, here is a link you may find helpful for testing a relay:

https://www.2carpros.com/articles/how-to-check-an-electrical-relay-and-wiring-control-circuit

Let me know if this helps.

Take care,

Joe

See pics below.
Was this
answer
helpful?
Yes
No
Sunday, June 19th, 2022 AT 11:24 PM

Please login or register to post a reply.