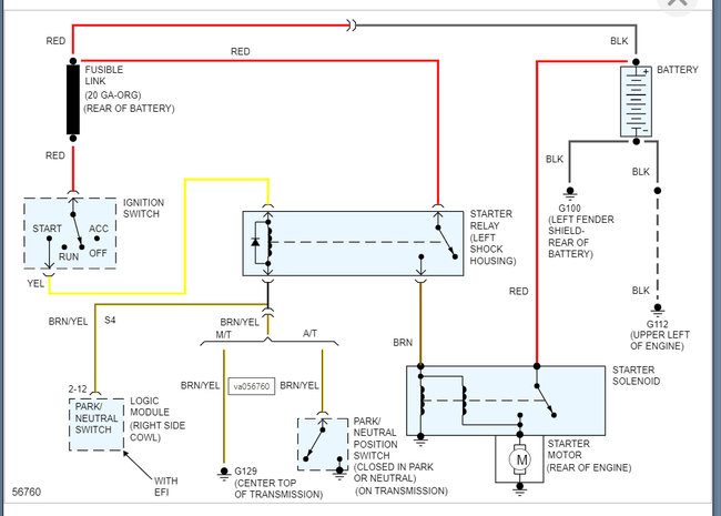
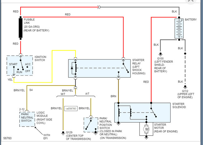
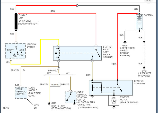
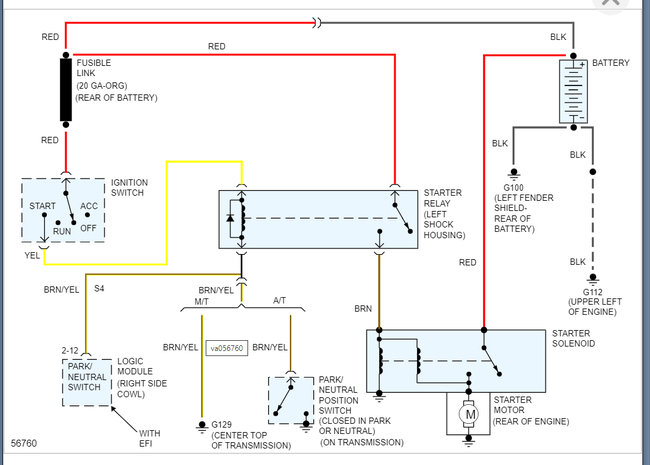
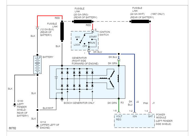
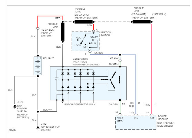
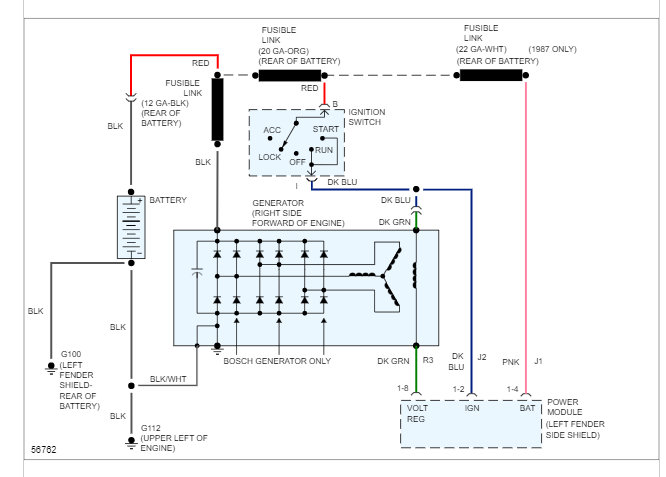
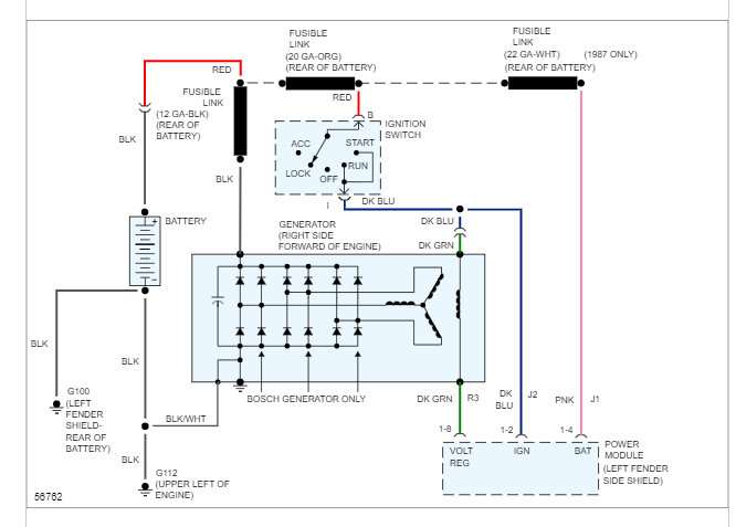
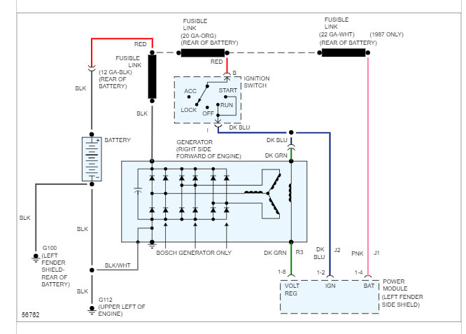
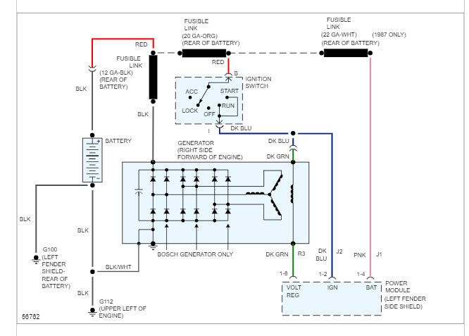
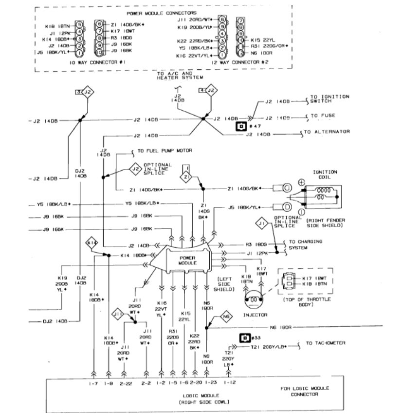
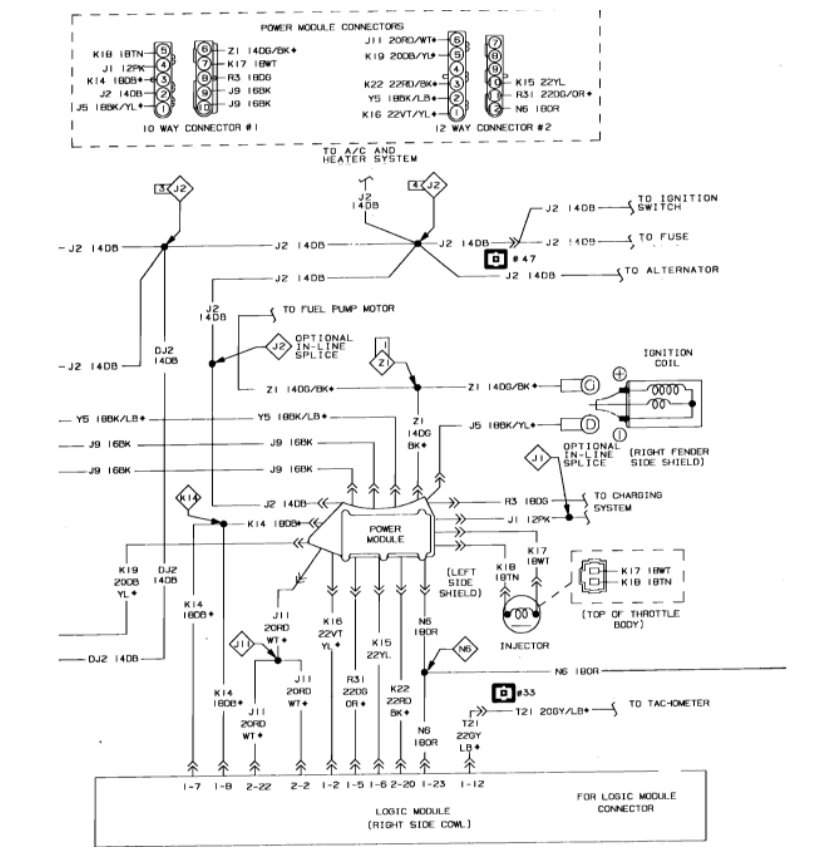
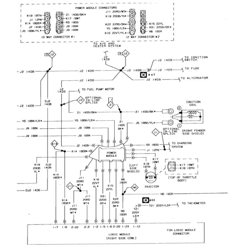
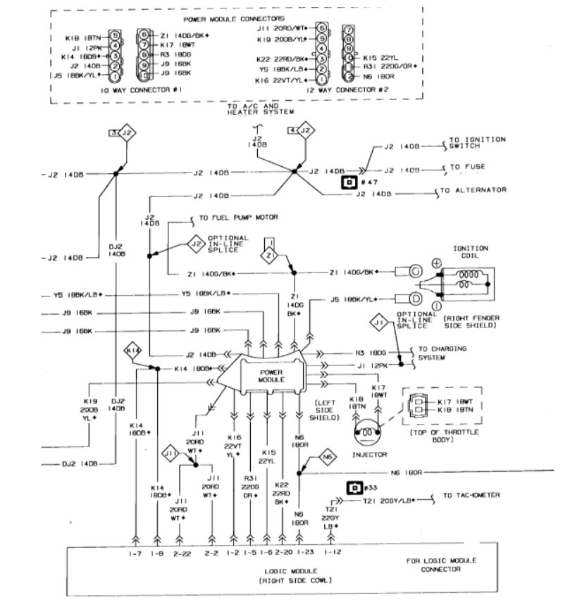
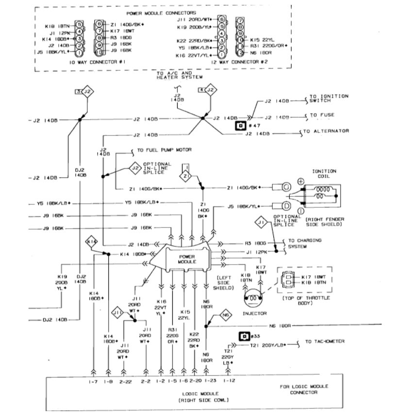
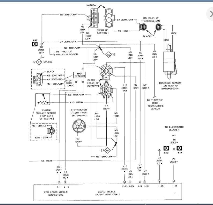
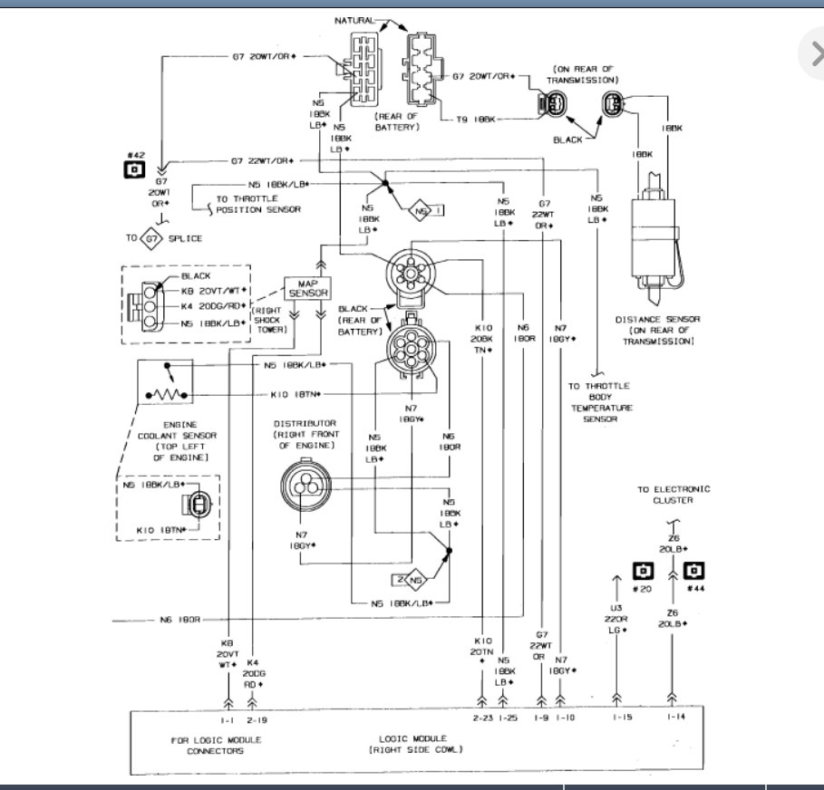
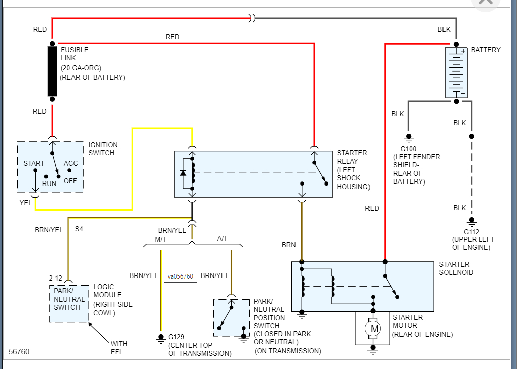
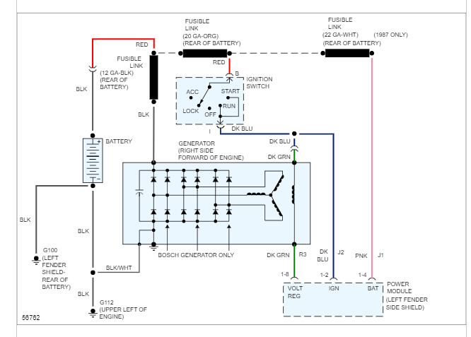
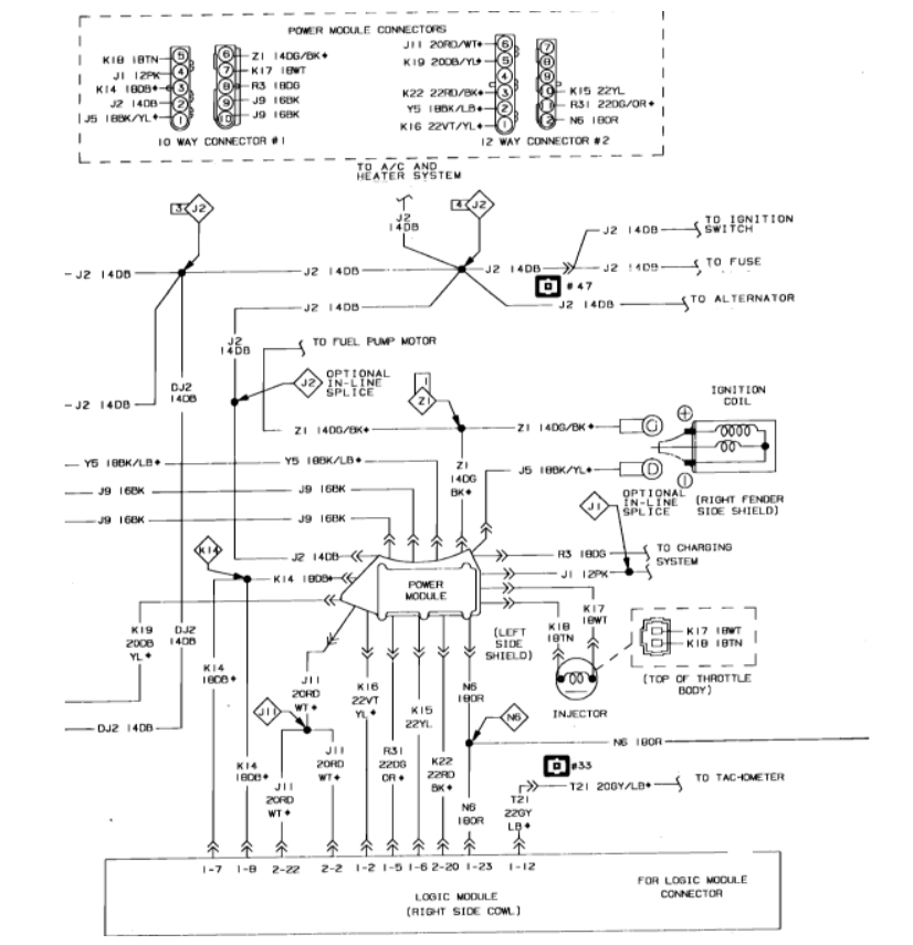
Looked like my car listed above did not charge battery, so I brought alternator to restauration and they say it's in good condition, I have to look for voltage regulator. As I did not find it as a separate part, I tried changing the logic module. Disconnected both wires from battery and changed it. Afterwards the car does not start anymore. Turns but no spark. With either logic module, I tried putting the first one back. Any idea what might be the problem?
Hoping for some advice,
Laura
Wednesday, May 25th, 2022 AT 8:42 PM







