Locking hubs will not engage

Tiny
MICHAEL NUSS
  • MEMBER
  • 2002 CHEVROLET TRAILBLAZER
  • 4.0L
  • 4WD
  • AUTOMATIC
  • 150,000 MILES
Replaced hub actuator has power sounds like wants to work but doesn't. I can't see what it is supposed to push against.
Sunday, December 1st, 2019 AT 3:05 PM

3 Replies

Tiny
STEVE W.
  • MECHANIC
  • 15,698 POSTS
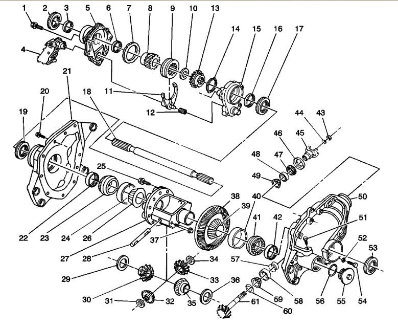
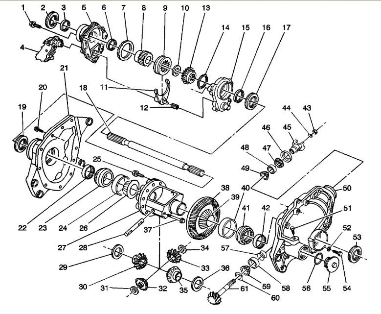
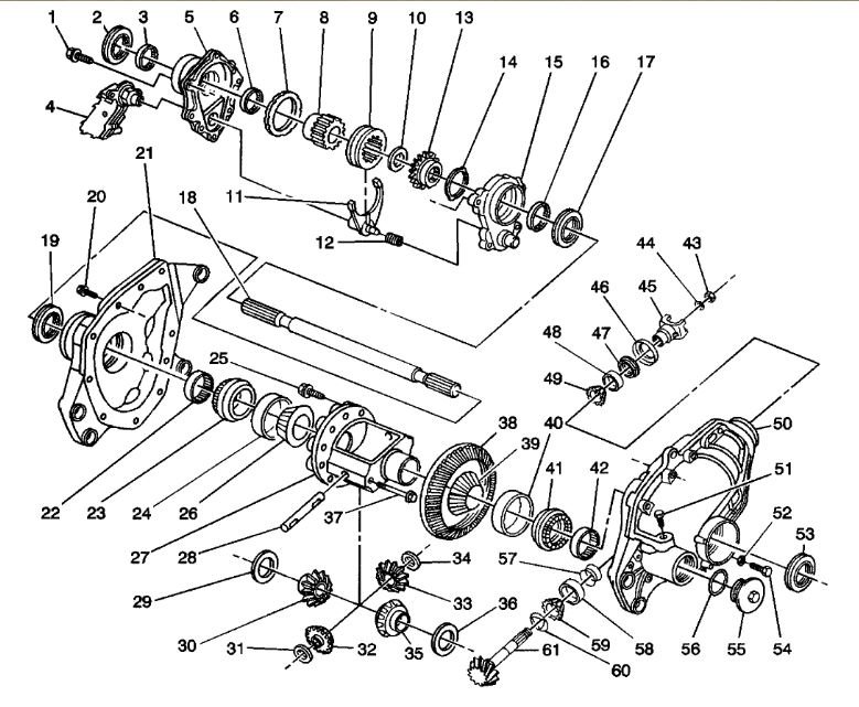
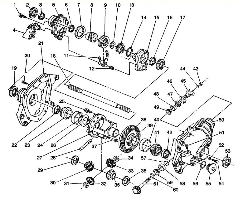
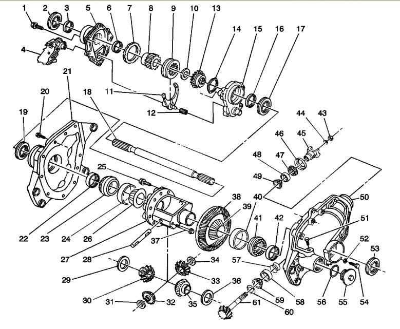
On the most common axle the actuator motor pushes on the shifting fork inside the axle housing. It has a spring on the opposite side that pushes it back into the disengaged position. See parts 8, 9, 13 for the gears that lock to connect the axle stub. Parts 11 and 12 are the shift fork and spring. 4 is your actuator. The actuator is a simple remove and replace operation with no adjustments. If the new one isn't engaging and looking in you cannot push the shift fork into engagement you will likely need to remove the right axle and remove the extension side of the differential case to see if the fork is damaged or if the collar or stub axle is damaged. I have seen ones that were run with bad actuators that mushroomed over the splines enough that they wouldn't engage. To remove that you will want to drain the lube out, remove the right front axle then remove the actuator and the bolts from the extension. Then gently pull it apart. The shift fork and spring as well as the locking collar and stub shaft all come out. Then you need to inspect the splines to see if there was a problem.
Was this
answer
helpful?
Yes
No
+1
Sunday, December 1st, 2019 AT 3:41 PM
Tiny
MICHAEL NUSS
  • MEMBER
  • 2 POSTS
Thank you so very much.
Was this
answer
helpful?
Yes
No
Sunday, December 1st, 2019 AT 3:54 PM
Tiny
STEVE W.
  • MECHANIC
  • 15,698 POSTS
You're welcome, if you run into issues we will be here.
Was this
answer
helpful?
Yes
No
Sunday, December 1st, 2019 AT 4:38 PM

Please login or register to post a reply.