Wednesday, September 16th, 2020 AT 12:01 PM
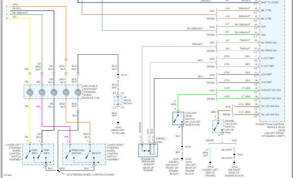
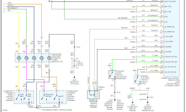
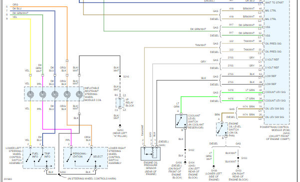
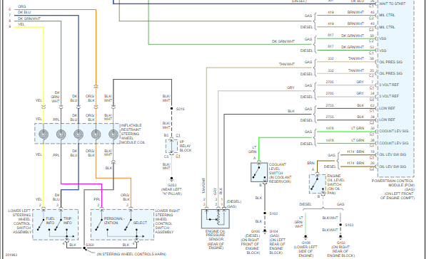
Need to locate the following three wires, preferably near the instrument cluster, fuel level sensor wire (s/b purple but I cannot locate), ignition on hot wire and instrument cluster hot wire. I may be a little color blind so a point in the right location would help! Lol, I have tried to find decent diagrams, but have had no luck. Haynes manual is not much help either. Thank you






